电脑桌面
添加小米粒文库到电脑桌面
安装后可以在桌面快捷访问

公司综合检查评分表VIP专享

公司综合检查评分表_第1页
1/42
公司综合检查评分表_第2页
2/42
公司综合检查评分表_第3页
3/42
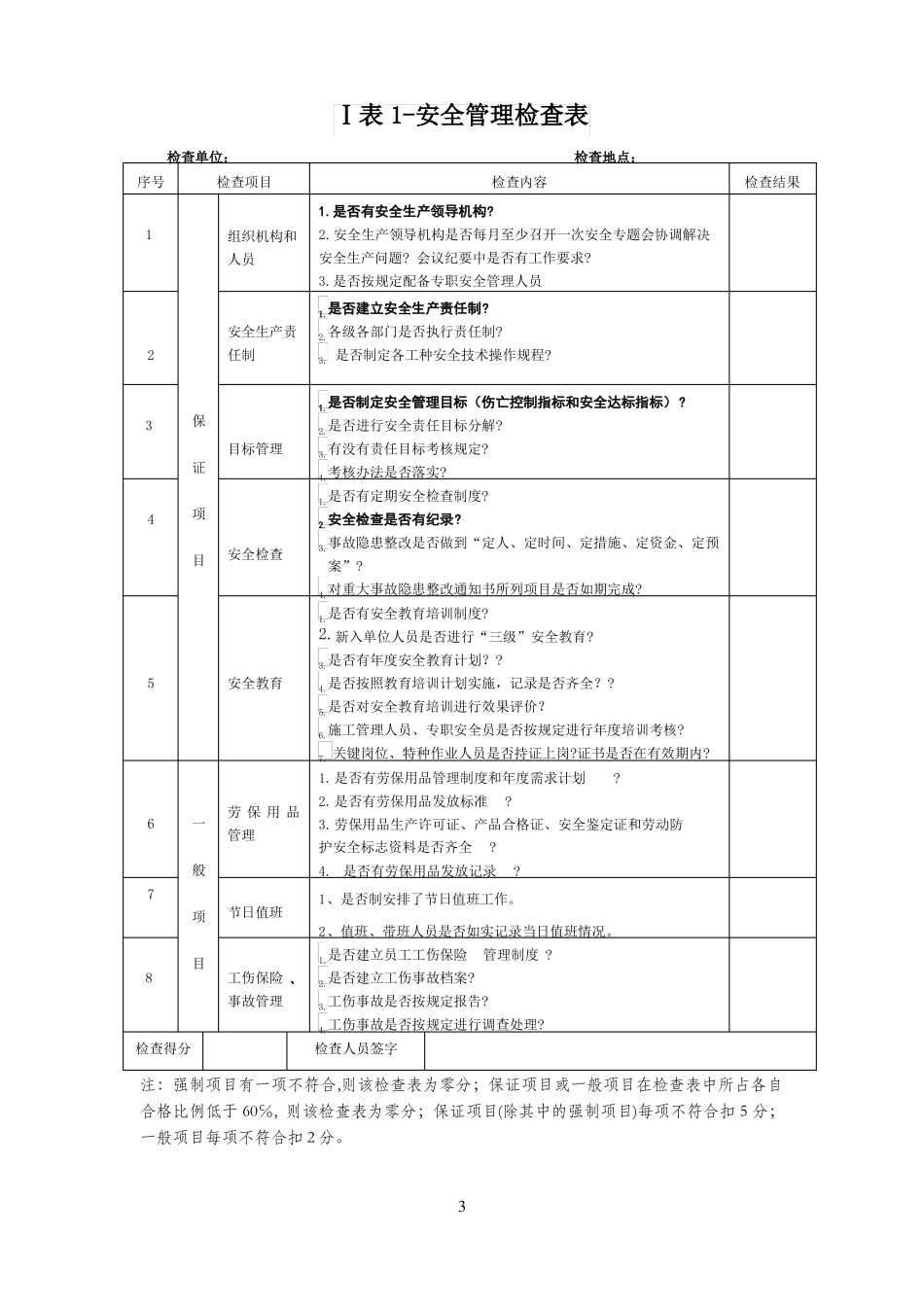
西安市政道桥建设有限公司项目、生产场站安全生产标准化考评检查表本标准适用于公司项目施工的安全生产管理活动考评。在按本标准检查时,除应符合本标准外,尚应符合国家现行有关强制性标准的规定。1、本标准分安全管理、消防安全、用电安全 、现场作业、设备设施五类分项检查评分表和一项检查评分汇总表。2、五类分项检查评分表中除用电安全、消防安全二项外,其他三类分项检查评分表均含多个子项检查评分表。多个子项检查评分表的算术平均值为该分项检查表的得分;有一个子项检查表得零分 ,则该分项得零分。3、每个检查表满分均为 100 分,检查表中的检查项目分为:强制项目(黑体部分)、保证项目、一般项目(注:非保证项目的均为一般项目)。强制项目有一项不符合,则该检查表为零分;保证项目或一般项目在检查表中所占各自合格比例低于 70℅, 则该检查表为零分;保证项目(除其中的强制项目)每项不符合扣5 分;一般项目每项不符合扣2 分。4、检查评分不得采用负值。5、汇总表满分为 100 分。各类分项检查表在汇总表中所占得满分分值应分别为:安全管理 30 分(表 1)、消防安全 10 分(表 2)、用电安全 10 分(表 3) 、现场作业 30(表 4)、设备设施 20 (表 5)。在汇总表中各类分项检查表实得分数应按下式计算:在汇总表中各类分项检查表实得分数= 汇总表中该类应得满分 分值 该类检查评分表实得分 数1006、汇总表总得分应为各类分项检查表实得分数之和,检查中遇有缺项时,汇总表总得分应按下式换算实查项目在汇总表中按 各对应的实得分值之和 100实查项目在汇总表中应 得满分的分值之和遇有缺项时汇总表总得分=7、安全检查评价,根据项目考评检查表,在检查结束以后,给项目进行评分。西安市政道桥建设有限公司2016 年 5 月1项目、生产场所安全检查评分汇总表检查单位:项目名称:检查总计分值( 满分分值100 分 )分项分值安全管理消防安全用电安全现场作业设备设施(满分分值 30 分)(满分分值 10 分)(满分分值 10 分)(满分分值30 分) (满分分值 20 分)评语检查人员检查单位负责人年月日2Ⅰ表 1-安全管理检查表检查单位:检查地点:序号 12 3保证4项目5安全教育安全检查目标管理安全生产责任制1.是否制定安全管理目标(伤亡控制指标和安全达标指标)?2.是否进行安全责任目标分解?3.有没有责任目标考核规定?4.考核办法是否落实?1.是否有定期安全检查制度?2.安全检查是否有纪录?3.事故隐患...

1、当您付费下载文档后,您只拥有了使用权限,并不意味着购买了版权,文档只能用于自身使用,不得用于其他商业用途(如 [转卖]进行直接盈利或[编辑后售卖]进行间接盈利)。
2、本站所有内容均由合作方或网友上传,本站不对文档的完整性、权威性及其观点立场正确性做任何保证或承诺!文档内容仅供研究参考,付费前请自行鉴别。
3、如文档内容存在违规,或者侵犯商业秘密、侵犯著作权等,请点击“违规举报”。

碎片内容

公司综合检查评分表

确认删除?
VIP
微信客服
  • 扫码咨询
会员Q群
  • 会员专属群点击这里加入QQ群
客服邮箱
回到顶部