电脑桌面
添加小米粒文库到电脑桌面
安装后可以在桌面快捷访问

焊接外观检查标准

焊接外观检查标准_第1页
1/11
焊接外观检查标准_第2页
2/11
焊接外观检查标准_第3页
3/11
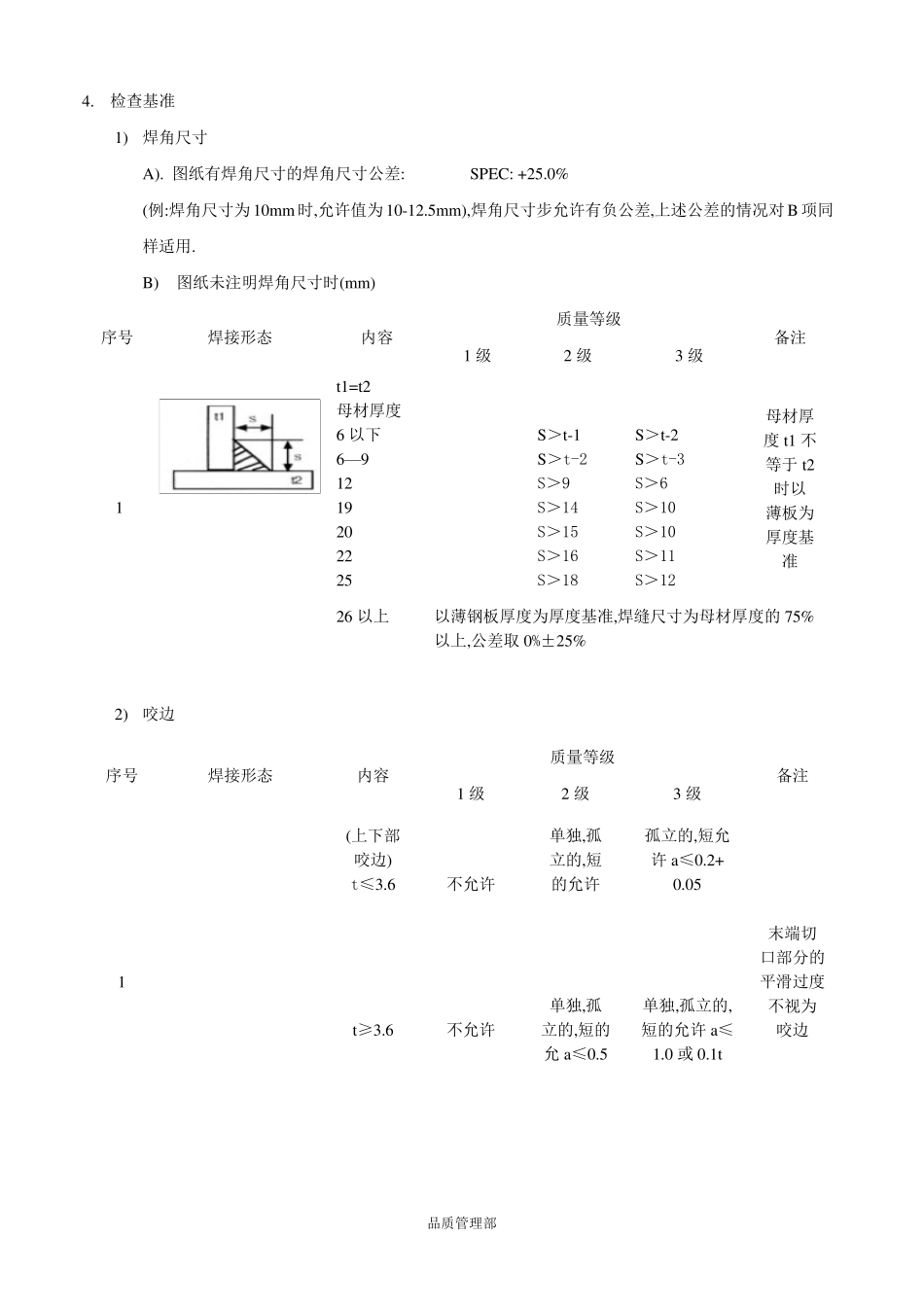
品质管理部 焊接外观检查基准书 1. 适用范围 本标准适用于阀门焊接部位的外观检查. 2. 适用范围和限制 1) 本基准只作为焊接部位肉眼检查的基准,对焊缝内部质量进行评定时,不适用本基准,对焊缝内部质量要根据相应的其它检查方法评定.但是,无损检测中的渗透(PT)探伤也可适用本基准. 2) 本基准检查项目中,对图纸明确规定的缺陷,应满足图纸要求为原则. 3) 图纸中未注明焊接符号处,多余进行焊接的,原则上不允许. 4) 对于重复缺陷的评定 参考 3.17)项目检查. 5) 对于超出检查基准的焊接缺陷,应进行必要的返修,返修结束后重新进行检查. 3. 焊接部外观检查项目: 1) 焊角尺寸(LEG LENGTH) 2) 咬边(UNDER CUT) 3) 焊缝表面气孔(BEAD BLOW HOLE) 4) 焊瘤(OVER LAP) 5) 未焊透 6) 背面余高(烧穿:BURN THROUGH) 7) 未熔合 8) 裂纹(CRACK) 9) 弧坑(CRATER) 10) 焊缝连接 11) 电弧损伤 12) 焊缝形状 13) 焊角不对称 14) 飞溅焊痘 15) 漏焊 16) 重复缺陷 17) 焊缝打磨 18) 连接部错边 品质管理部 4. 检查基准 1) 焊角尺寸 A). 图纸有焊角尺寸的焊角尺寸公差: SPEC: +25.0% (例:焊角尺寸为10mm 时,允许值为10-12.5mm),焊角尺寸步允许有负公差,上述公差的情况对B 项同样适用. B) 图纸未注明焊角尺寸时(mm) 序号 焊接形态 内容 质量等级 备注 1 级 2 级 3 级 1 t1=t2 母材厚度 6 以下 6—9 12 19 20 22 25 S>t-1 S>t-2 S>9 S>14 S>15 S>16 S>18 S>t-2 S>t-3 S>6 S>10 S>10 S>11 S>12 母材厚 度t1 不 等于t2 时以 薄板为 厚度基 准 26 以上 以薄钢板厚度为厚度基准,焊缝尺寸为母材厚度的75% 以上,公差取0%±25% 2) 咬边 序号 焊接形态 内容 质量等级 备注 1 级 2 级 3 级 1 (上下部 咬边) t≤3.6 不允许 单独,孤 立的,短 的允许 孤立的,短允 许a≤0.2+ 0.05 末端切 口部分的 平滑过度 不视为 咬边 t≥3.6 不允许 单独,孤 立的,短的 允a≤0.5 单独,孤立的,短的允许a≤1.0 或 0.1t 品质管理部 3)焊缝表面气孔 焊缝的概念指的是,焊缝从起弧到收弧的距离 焊缝表面连续出现的线状或群集状态气孔,与它的大小和数量无关,均判定不合格 点焊及弧坑气孔根据上述基准检查,对焊接下一工序带来的障碍不允许 4)焊瘤 序号 焊接形态 内容 质量等级 备注 1 级 2 级 3 级 1 ...

1、当您付费下载文档后,您只拥有了使用权限,并不意味着购买了版权,文档只能用于自身使用,不得用于其他商业用途(如 [转卖]进行直接盈利或[编辑后售卖]进行间接盈利)。
2、本站所有内容均由合作方或网友上传,本站不对文档的完整性、权威性及其观点立场正确性做任何保证或承诺!文档内容仅供研究参考,付费前请自行鉴别。
3、如文档内容存在违规,或者侵犯商业秘密、侵犯著作权等,请点击“违规举报”。

碎片内容

焊接外观检查标准

您可能关注的文档

确认删除?
VIP
微信客服
  • 扫码咨询
会员Q群
  • 会员专属群点击这里加入QQ群
客服邮箱
回到顶部