电脑桌面
添加小米粒文库到电脑桌面
安装后可以在桌面快捷访问

煤矿合理化建议

煤矿合理化建议_第1页
1/21
煤矿合理化建议_第2页
2/21
煤矿合理化建议_第3页
3/21
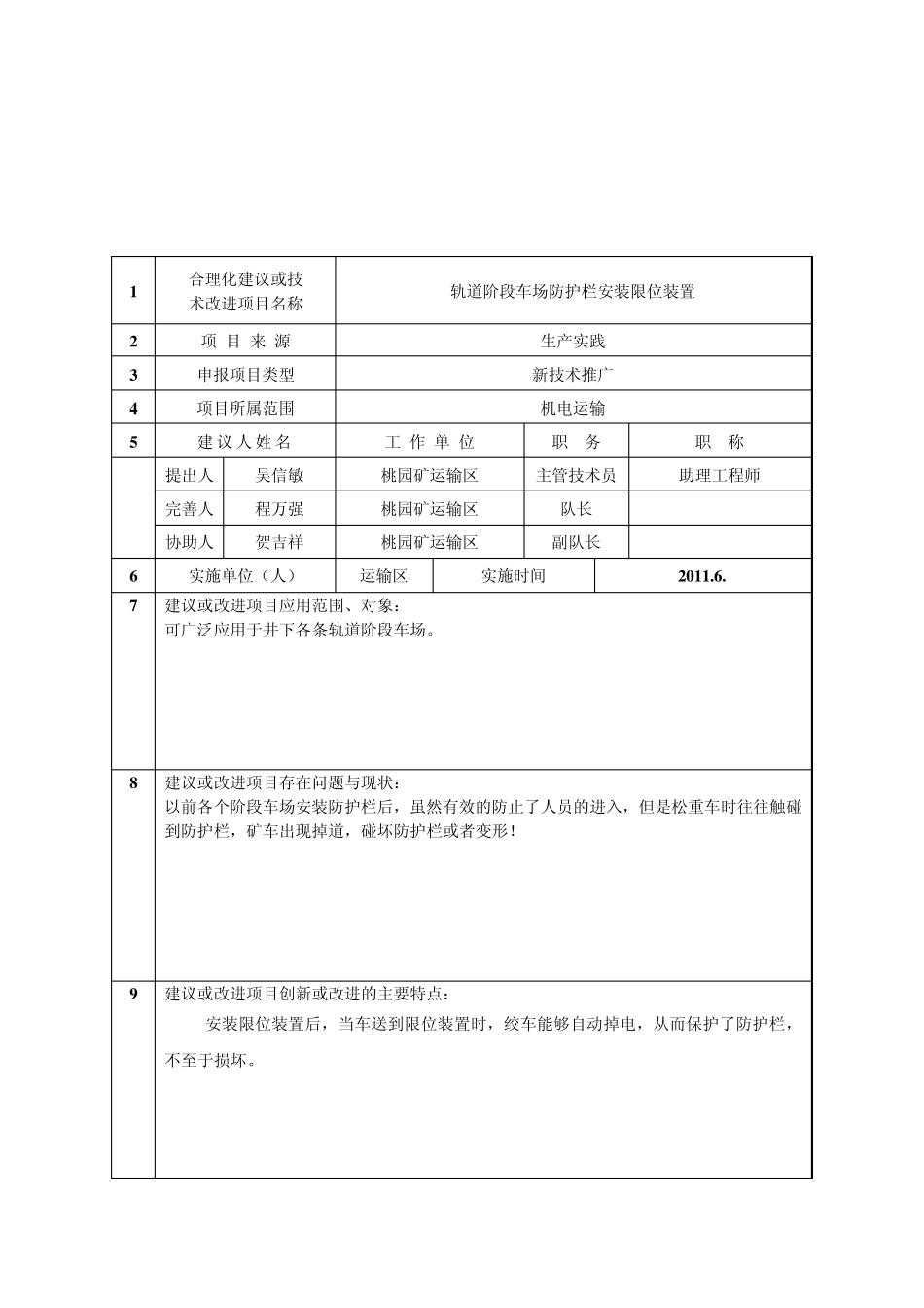
淮北矿业集团公司 合理化建议、技术改进项目申报表 项 目 名 称 轨 道 阶 段 车 场 防 护 栏 安 装 限 位装 置 项目建议人 吴信敏 程万强 贺吉祥 申 报 单 位 运 输 区 申 报 时 间 2 0 1 1 年 6 月 编 号 桃园煤矿合理化建议办公室制 申 报 说 明 一、本申报表为集团公司统一格式。本表申报项目,只限于个人或班组、科区(车间)集体提出的单项合理化建议、技术改进项目。 二、申报项目实行基层和集团公司二级评审制,基层评审项目必须符合下列规定: 1 、符合集团公司文件中规定视为合理化建议和技术改进项目。 2 、评审项目要坚持“三性”统一的原则。 3 、年创造经济价值计算,是指已实施该项目年节约或创造的净增价值,不得以推算到本单位或全集团公司今后实施该项目的计算效益,作为该项目创造的经济价值。 三、基层向集团公司申报评审项目,除符合第二条规定外,还必须符合以下规定: 1 、一个项目年创造纯经济价值在 1 0 万元以上。 2 、本单位对申报项目要有具体的评审、处理或推荐意见。 四、申报项目类型指:创造发明、技术改进、新技术推广。 五、申报项目所属范围指:生产技术、机电运输、一通三防、地测防治水、安全管理、环境保护、煤质选煤、经营管理、精神文明。 六、项目来源:上级指令性计划项目和科研项目不列入本表范围。 七、项目建议人,是指完成项目起主要作用的人员,一般不得超过三人。 1 合理化建议或技 术改进项目名称 轨道阶段车场防护栏安装限位装置 2 项 目 来 源 生产实践 3 申报项目类型 新技术推广 4 项目所属范围 机电运输 5 建议人姓名 工 作 单 位 职 务 职 称 提出人 吴信敏 桃园矿运输区 主管技术员 助理工程师 完善人 程万强 桃园矿运输区 队长 协助人 贺吉祥 桃园矿运输区 副队长 6 实施单位(人) 运输区 实施时间 2 0 1 1 .6 . 7 建议或改进项目应用范围、对象: 可广泛应用于井下各条轨道阶段车场。 8 建议或改进项目存在问题与现状: 以前各个阶段车场安装防护栏后,虽然有效的防止了人员的进入,但是松重车时往往触碰到防护栏,矿车出现掉道,碰坏防护栏或者变形! 9 建议或改进项目创新或改进的主要特点: 安装限位装置后,当车送到限位装置时,绞车能够自动掉电,从而保护了防护栏,不至于损坏。 注:本表1 -1 2 项、1 4 项由建议人填写 1 0 建议或改...

1、当您付费下载文档后,您只拥有了使用权限,并不意味着购买了版权,文档只能用于自身使用,不得用于其他商业用途(如 [转卖]进行直接盈利或[编辑后售卖]进行间接盈利)。
2、本站所有内容均由合作方或网友上传,本站不对文档的完整性、权威性及其观点立场正确性做任何保证或承诺!文档内容仅供研究参考,付费前请自行鉴别。
3、如文档内容存在违规,或者侵犯商业秘密、侵犯著作权等,请点击“违规举报”。

碎片内容

煤矿合理化建议

您可能关注的文档

确认删除?
VIP
微信客服
  • 扫码咨询
会员Q群
  • 会员专属群点击这里加入QQ群
客服邮箱
回到顶部