电脑桌面
添加小米粒文库到电脑桌面
安装后可以在桌面快捷访问

煤矿设计手册

煤矿设计手册_第1页
1/13
煤矿设计手册_第2页
2/13
煤矿设计手册_第3页
3/13
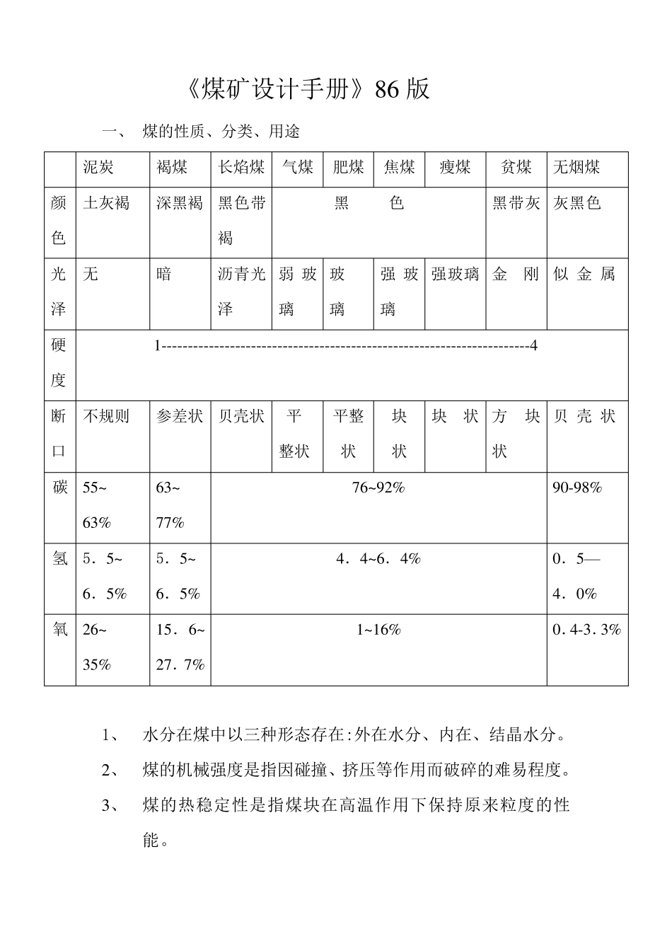
《煤矿设计手册》86 版 一、 煤的性质、分类、用途 泥炭 褐煤 长焰煤 气煤 肥煤 焦煤 瘦煤 贫煤 无烟煤 颜色 土灰褐 深黑褐 黑色带褐 黑 色 黑带灰 灰黑色 光泽 无 暗 沥青光泽 弱 玻璃 玻 璃 强 玻璃 强玻璃 金 刚 似 金 属 硬度 1----------------------------------------------------------------------4 断口 不规则 参差状 贝壳状 平整状 平整状 块 状 块 状 方 块 状 贝 壳 状 碳 55~ 63% 63~ 77% 76~92% 90-98% 氢 5.5~ 6.5% 5.5~ 6.5% 4.4~6.4% 0.5— 4.0% 氧 26~ 35% 15.6~27.7% 1~16% 0.4-3.3% 1、 水分在煤中以三种形态存在:外在水分、内在、结晶水分。 2、 煤的机械强度是指因碰撞、挤压等作用而破碎的难易程度。 3、 煤的热稳定性是指煤块在高温作用下保持原来粒度的性能。 4、 灰分含量级别:特低≤5%,低>5~10%,中>20~30%,富>30~40%,高灰>40~50%。 5、 硫含量级别: 特低≤0.5%,低>0.5~1.0%,中>1.5~2.0%,富>2.0~3.0%,高>3.0%。 6、 煤的焦油产率分级:含油煤≤7%,富>7~12%,高油煤>12%。 7、 用于炼焦的煤种: 气煤、肥煤、焦煤、瘦煤。 二、 矿井概况 1、井田范围 2、储量 3、生产能力 4、开拓方式 5、历年产量 6、投产报废时间 7、经营性质 三、主要技术经济指标 1、开采煤层 2、可采煤层层数、厚度、层间距 3、煤层倾角及变化 4、水平划分、开采水平标高 5、运输大巷布置方式及位置 6、采区尺寸 7、生产采区个数及能力 8、采区巷道布置方式支护方式 9、回采工作面长短及年进度表 10、回采工作面个数及生产能力 11、回采工作面支护方式 12、采煤方法 13、顶板管理 14、掘进工作面个数 15、掘进机械化程度 16、生产掘进率 17、大巷运输方式 18、辅助运输方式 19、通风方式 20、矿井风量及风压 21、岩层移动角、地表下沉速度、时间、最大下沉率 22、劳动生产率 23、主要材料(雷管、炸药、坑木、钢材等)消耗 24、原煤成本 25、商品煤销售成本 26、原煤销售价格 27、商品煤销售价格 28、本地区主要材料价格 四、矿井的井型和服务年限 T=ZK/AK ZK可采储量 A 年产量 K 储量备用系数 1.2~1.4 大型:60~70 年稳产时间以上 中型:50 年稳产时间以上 小型:30 年稳产时间以上 五、支架选型 破碎顶板:直接顶厚度大于 3~4 倍采高,宜采用掩护式支架。 中等坚...

1、当您付费下载文档后,您只拥有了使用权限,并不意味着购买了版权,文档只能用于自身使用,不得用于其他商业用途(如 [转卖]进行直接盈利或[编辑后售卖]进行间接盈利)。
2、本站所有内容均由合作方或网友上传,本站不对文档的完整性、权威性及其观点立场正确性做任何保证或承诺!文档内容仅供研究参考,付费前请自行鉴别。
3、如文档内容存在违规,或者侵犯商业秘密、侵犯著作权等,请点击“违规举报”。

碎片内容

煤矿设计手册

您可能关注的文档

确认删除?
VIP
微信客服
  • 扫码咨询
会员Q群
  • 会员专属群点击这里加入QQ群
客服邮箱
回到顶部