电脑桌面
添加小米粒文库到电脑桌面
安装后可以在桌面快捷访问

牵引管样张(表15+隐蔽)

牵引管样张(表15+隐蔽)_第1页
1/9
牵引管样张(表15+隐蔽)_第2页
2/9
牵引管样张(表15+隐蔽)_第3页
3/9
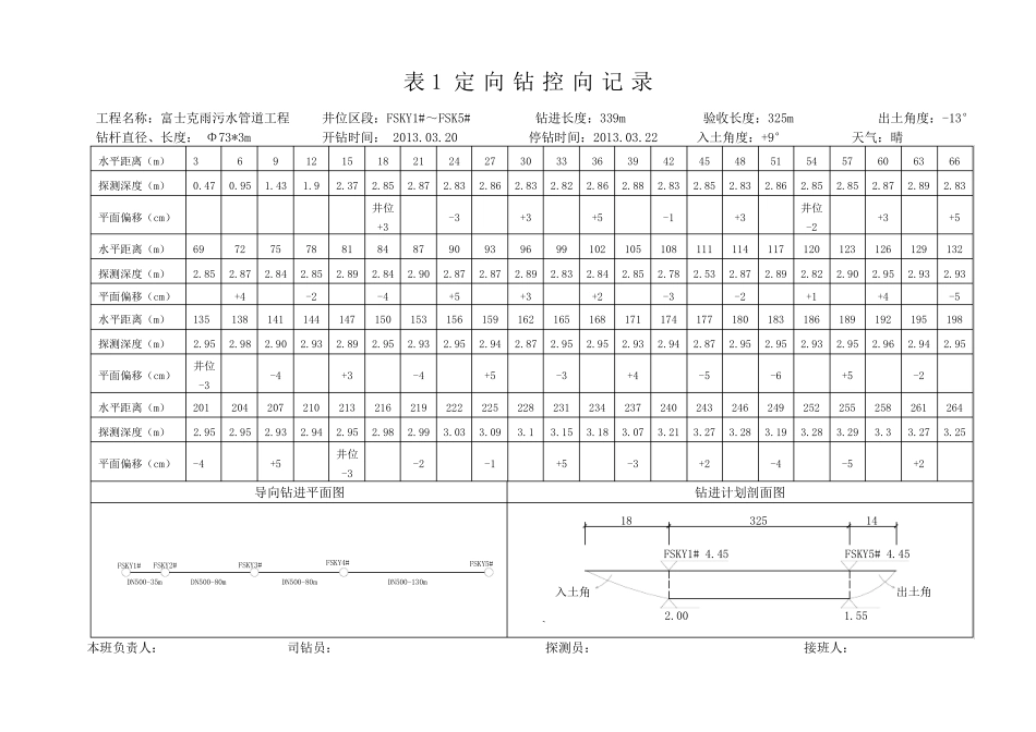
表1 定向钻控向记录 工程名称:富士克雨污水管道工程 井位区段:FSKY1#~FSK5# 钻进长度:339m 验收长度:325m 出土角度:-13° 钻杆直径、长度: Φ73*3m 开钻时间: 2013.03.20 停钻时间:2013.03.22 入土角度:+9° 天气:晴 水平距离(m) 3 6 9 12 15 18 21 24 27 30 33 36 39 42 45 48 51 54 57 60 63 66 探测深度(m) 0.47 0.95 1.43 1.9 2.37 2.85 2.87 2.83 2.86 2.83 2.82 2.86 2.88 2.83 2.85 2.83 2.86 2.85 2.85 2.87 2.89 2.83 平面偏移(cm) 井位 +3 -3 +3 +5 -1 +3 井位 -2 +3 +5 水平距离(m) 69 72 75 78 81 84 87 90 93 96 99 102 105 108 111 114 117 120 123 126 129 132 探测深度(m) 2.85 2.87 2.84 2.85 2.89 2.84 2.90 2.87 2.87 2.89 2.83 2.84 2.85 2.78 2.53 2.87 2.89 2.82 2.90 2.95 2.93 2.93 平面偏移(cm) +4 -2 -4 +5 +3 +2 -3 -2 +1 +4 -5 水平距离(m) 135 138 141 144 147 150 153 156 159 162 165 168 171 174 177 180 183 186 189 192 195 198 探测深度(m) 2.95 2.98 2.90 2.93 2.89 2.95 2.93 2.95 2.94 2.87 2.95 2.95 2.93 2.94 2.87 2.95 2.95 2.93 2.95 2.96 2.94 2.95 平面偏移(cm) 井位 -3 -4 +3 -4 +5 -3 +4 -5 -6 +5 -2 水平距离(m) 201 204 207 210 213 216 219 222 225 228 231 234 237 240 243 246 249 252 255 258 261 264 探测深度(m) 2.95 2.95 2.93 2.94 2.95 2.98 2.99 3.03 3.09 3.1 3.15 3.18 3.07 3.21 3.27 3.28 3.19 3.28 3.29 3.3 3.27 3.25 平面偏移(cm) -4 +5 井位 -3 -2 -1 +5 -3 +2 -4 -5 +2 导向钻进平面图 钻进计划剖面图 FSKY1#FSKY2#FSKY3#FSKY4#FSKY5#DN500-80mDN500-80mDN500-130mDN500-35m `FSKY5# 4.45FSKY1# 4.4518入土角出土角2.001.5532514 本班负责人: 司钻员: 探测员: 接班人: 表1 定向钻控向记录 工程名称:富士克雨污水管道工程 井位区段:FSKY1#~FSK5# 钻进长度:42m 验收长度:22m 出土角度:-13° 钻杆直径、长度: Φ73*3m 开钻时间: 2013.03.20 停钻时间:2013.03.22 入土角度:+9° 天气:晴 水平距离(m) 267 270 273 276 279 282...

1、当您付费下载文档后,您只拥有了使用权限,并不意味着购买了版权,文档只能用于自身使用,不得用于其他商业用途(如 [转卖]进行直接盈利或[编辑后售卖]进行间接盈利)。
2、本站所有内容均由合作方或网友上传,本站不对文档的完整性、权威性及其观点立场正确性做任何保证或承诺!文档内容仅供研究参考,付费前请自行鉴别。
3、如文档内容存在违规,或者侵犯商业秘密、侵犯著作权等,请点击“违规举报”。

碎片内容

牵引管样张(表15+隐蔽)

您可能关注的文档

确认删除?
VIP
微信客服
  • 扫码咨询
会员Q群
  • 会员专属群点击这里加入QQ群
客服邮箱
回到顶部