电脑桌面
添加小米粒文库到电脑桌面
安装后可以在桌面快捷访问

冠梁钢筋工程检验批及隐蔽验收

冠梁钢筋工程检验批及隐蔽验收_第1页
1/9
冠梁钢筋工程检验批及隐蔽验收_第2页
2/9
冠梁钢筋工程检验批及隐蔽验收_第3页
3/9
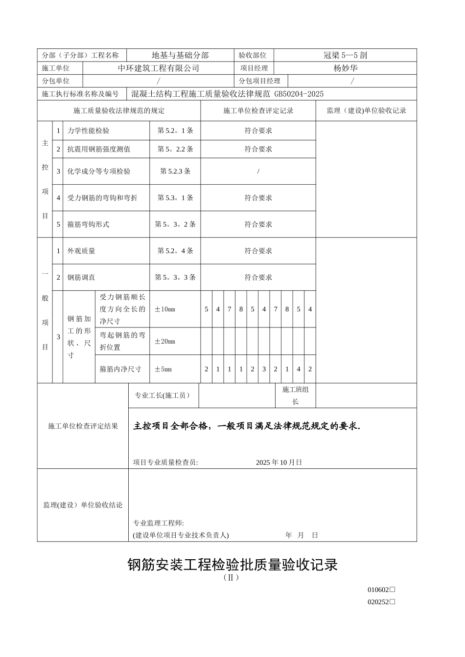
表 B.0。7冠梁 5-5 剖 钢筋加工、安装、隐蔽 报审/报验表工程名称:集美·创意城 1-6 号楼及地下室桩基及基坑支护工程 编号:致:厦门诚实工程咨询有限公司(项目监理机构)我方已完成冠梁 5-5 剖 钢筋加工、安装、隐蔽 工作,经自检合格,现将有关资料报上,请予以审查/验收。附: □隐蔽工程质量检验资料检验批质量检验资料□分项工程质量检验资料□施工试验室证明资料□其他施工项目经理部(盖章)项目经理或项目技术负责人(签字)年月 日审查、验收意见:项目监理机构(盖章)专业监理工程师(签字)年 月 日填表说明:本表一式二份,项目监理机构、施工单位各一份.表 C 。 0 。 4 9 隐 蔽 工 程 验 收 记 录质控(建)表 C 。 0 。 4 9 共 页 第 页工程名称集美·创意城 1—6 号楼及地下室桩基及基坑支护工程施工单位中环建筑工程有限公司分部(子分部)工 程 名 称地基与基础分部分项工程名 称冠梁隐蔽部位冠梁 5-5 剖隐蔽项目钢筋隐蔽隐蔽日期2025 年 10 月 30 日隐蔽内容1、 纵向钢筋的品种规格、数量、位置等;2、 钢筋的连接方式、接头位置、接头数量、接头面积百分率等;3、 箍筋、横向钢筋的品种、规格、数量间距等;施工单位检查情况钢 筋 有 质 量 证 明 文 件 , 复 试 合 格 , 复 试 报 告 编号 :BZ11600277 、 BZ11600100 , 钢 筋 无 锈 蚀 、 无 污 染 。 冠 梁 的 截 面 尺 寸1000×700mm,钢筋按设计图纸进行布置.纵筋采纳套筒连接,接头错开布置,接头率为 50%:梁内外侧保护层 50mm,采纳塑料垫块控制,间距 600mm,梅花型布置.自检合格,请监理方予以验收.隐蔽验收结论经检查:签字栏施工单位专业技术负责人专业质检员专业施工员监理工程师(建设单位项目专业技术负责人)钢筋加工工程检验批质量验收记录(Ⅰ)010602□020252□单位(子单位)工程名称集美·创意城 1-6 号楼及地下室桩基及基坑支护工程分部(子分部)工程名称地基与基础分部验收部位冠梁 5—5 剖施工单位中环建筑工程有限公司项目经理杨妙华分包单位/分包项目经理/施工执行标准名称及编号混凝土结构工程施工质量验收法律规范 GB50204-2025施工质量验收法律规范的规定施工单位检查评定记录监理(建设)单位验收记录主控项目1力学性能检验第 5.2。1 条符合要求2抗震用钢筋强度测值第 5。2.2 条符合要求3化学成分等专项检验第 5.2.3 条/4受力钢筋的弯...

1、当您付费下载文档后,您只拥有了使用权限,并不意味着购买了版权,文档只能用于自身使用,不得用于其他商业用途(如 [转卖]进行直接盈利或[编辑后售卖]进行间接盈利)。
2、本站所有内容均由合作方或网友上传,本站不对文档的完整性、权威性及其观点立场正确性做任何保证或承诺!文档内容仅供研究参考,付费前请自行鉴别。
3、如文档内容存在违规,或者侵犯商业秘密、侵犯著作权等,请点击“违规举报”。

碎片内容

冠梁钢筋工程检验批及隐蔽验收

您可能关注的文档

范哲铺+ 关注
实名认证
内容提供者

想你所想,急你所急,你需要的都在店铺里可以找到。

确认删除?
VIP
微信客服
  • 扫码咨询
会员Q群
  • 会员专属群点击这里加入QQ群
客服邮箱
回到顶部