电脑桌面
添加小米粒文库到电脑桌面
安装后可以在桌面快捷访问

特种设备设施风险分级管控清单

特种设备设施风险分级管控清单_第1页
1/31
特种设备设施风险分级管控清单_第2页
2/31
特种设备设施风险分级管控清单_第3页
3/31
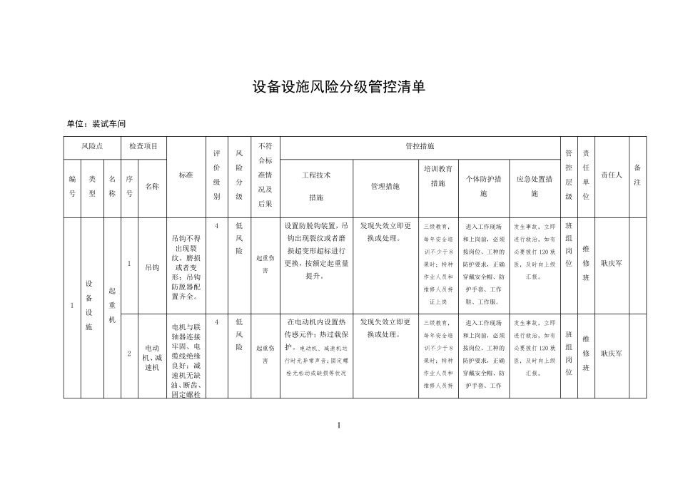
1 设备设施风险分级管控清单 单位:装试车间 风险点 检查项目 标准 评价级别 风险分级 不符合标准情况及后果 管控措施 管控层级 责任单位 责任人 备注 编号 类型 名称 序号 名称 工程技术 措施 管理措施 培训教育措施 个体防护措施 应急处置措施 1 设备设施 起重机 1 吊钩 吊钩不得出现裂纹、磨损或者变形;吊钩防脱器配置齐全。 4 低风险 起重伤害 设置防脱钩装置,吊钩出现裂纹或者磨损超变形超标进行更换,按额定起重量提升。 发现失效立即更换或处理。 三级教育,每年安全培训不少于8课时;特种作业人员和维修人员持证上岗 进入工作现场和上岗前,必须按岗位、工种的防护要求,正确穿戴安全帽、防护手套、工作鞋、工作服。 发生事故,立即进行救治,如有必要拨打120 就医,及时向上级汇报。 班组岗位 维修班 耿庆军 2 电动机、减速机 电机与联轴器连接牢固、电缆线绝缘良好;减速机无缺油、断齿、固定螺栓4 低风险 起重伤害 在电动机内设置热传 感 元 件 ;热 过 载 保护。电动机、减速机运行时无异常声音;固定螺栓无松动或缺损等状况 发现失效立即更换或处理。 三级教育,每年安全培训不少于8课时;特种作业人员和维修人员持进入工作现场和上岗前,必须按岗位、工种的防护要求,正确穿戴安全帽、防护手套、工作发生事故,立即进行救治,如有必要拨打120 就医,及时向上级汇报。 班组岗位 维修班 耿庆军 2 无松动、联轴器无松动现象,减速机护罩齐全完好。。 证上岗 鞋、工作服。 3 控制盘 控制盘固定螺栓牢固,设备接地可靠 4 低风险 起重伤害 具有过电流保护功能,设备接地良好。 发现失效立即更换或处理。 三级教育,每年安全培训不少于8课时;特种作业人员和维修人员持证上岗 进入工作现场和上岗前,必须按岗位、工种的防护要求,正确穿戴安全帽、防护手套、工作鞋、工作服。 发生事故,立即进行救治,如有必要拨打120 就医,及时向上级汇报。 班组岗位 维修班 耿庆军 4 安全装置 联锁开关灵敏可靠 3 一般风险 起重伤害 设有联锁保护装置,限位装置,极限位置缓冲装置。 三级教育,每年安全培训不少于8课时;特种作业人员和维修人员持证上岗 进入工作现场和上岗前,必须按岗位、工种的防护要求,正确穿戴安全帽、防护手套、工作鞋、工作服。 发生事故,立即进行救治,如有必要拨打120 就医,及时向上级汇报。 车间班组岗位 装试车间、维修...

1、当您付费下载文档后,您只拥有了使用权限,并不意味着购买了版权,文档只能用于自身使用,不得用于其他商业用途(如 [转卖]进行直接盈利或[编辑后售卖]进行间接盈利)。
2、本站所有内容均由合作方或网友上传,本站不对文档的完整性、权威性及其观点立场正确性做任何保证或承诺!文档内容仅供研究参考,付费前请自行鉴别。
3、如文档内容存在违规,或者侵犯商业秘密、侵犯著作权等,请点击“违规举报”。

碎片内容

特种设备设施风险分级管控清单

确认删除?
VIP
微信客服
  • 扫码咨询
会员Q群
  • 会员专属群点击这里加入QQ群
客服邮箱
回到顶部