电脑桌面
添加小米粒文库到电脑桌面
安装后可以在桌面快捷访问

内外墙抹灰技术交底VIP专享

内外墙抹灰技术交底_第1页
1/10
内外墙抹灰技术交底_第2页
2/10
内外墙抹灰技术交底_第3页
3/10
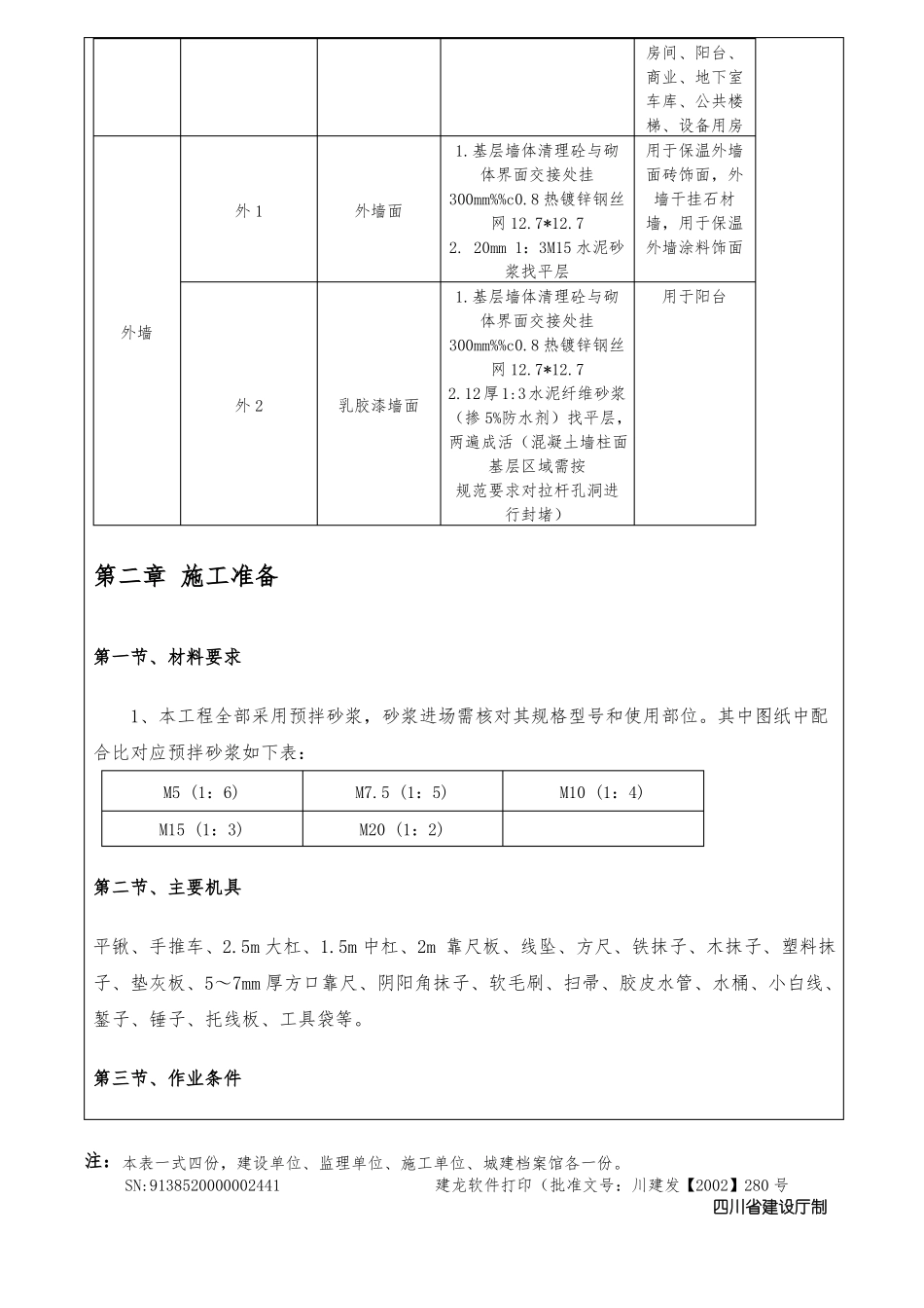
SG—006(内外墙抹灰)技术交底工程名称监理单位交底部位交底人签字交底内容:建设单位施工单位交底日期接受人签字第一章、抹灰部位及做法项目抹灰类别分类做法部位内 1腻子墙面1.墙体基层处理(注)用于客厅,餐2. 15 厚 1:3 水泥砂浆打厅,卧室,书房底过厅,商业3. 5 厚 1:2 水泥砂浆抹平搓毛1. 墙体基层清理平整 2. 10mm 厚 1:3M15 水泥砂浆找平层1.墙体基层清理平整2.15mm 厚水泥砂浆找平层。(两次成活:打底为1:3(M15),面层为1:2.5(M20))。用于厨房,卫生间用于公共走道,大堂,电梯厅内 2水泥砂浆墙面1内 3内墙装饰墙面内 41.墙体基层处理(注)2.15厚1:1:6水泥石灰砂无机涂料饰面浆打底扫毛3.5 厚 1:0.5:3 水泥石灰砂浆罩面水泥砂浆墙面2用于楼梯间,电梯机房,架空层内 51. 墙体基层处理(注)用于风井内壁2. 8mm厚砌筑砂浆随砌随抹平压光1. 20mm 厚水泥砂浆找平层。(两次成活,打底为1:3(M15),面层为1:2.5(M20))钢筋混凝土结构板,基层清理,局部点补找平用于除风井外的管道井内壁内 6水泥砂浆墙面3天棚顶 1腻子顶棚电梯前室、入户大堂、户内注:本表一式四份,建设单位、监理单位、施工单位、城建档案馆各一份。 SN:9138520000002441建龙软件打印(批准文号:川建发【2002】280 号四川省建设厅制房间、阳台、商业、地下室车库、公共楼梯、设备用房1.基层墙体清理砼与砌体界面交接处挂300mm%%c0.8 热镀锌钢丝网 12.7*12.72. 20mm 1:3M15 水泥砂浆找平层1.基层墙体清理砼与砌体界面交接处挂300mm%%c0.8 热镀锌钢丝网 12.7*12.72.12厚1:3水泥纤维砂浆(掺 5%防水剂)找平层,两遍成活(混凝土墙柱面基层区域需按规范要求对拉杆孔洞进行封堵)用于保温外墙面砖饰面,外墙干挂石材墙,用于保温外墙涂料饰面用于阳台外 1外墙面外墙外 2乳胶漆墙面第二章 施工准备第一节、材料要求1、本工程全部采用预拌砂浆,砂浆进场需核对其规格型号和使用部位。其中图纸中配合比对应预拌砂浆如下表:M5 (1:6)M15 (1:3)M7.5 (1:5)M20 (1:2)M10 (1:4)第二节、主要机具平锹、手推车、2.5m 大杠、1.5m 中杠、2m 靠尺板、线坠、方尺、铁抹子、木抹子、塑料抹子、垫灰板、5~7mm 厚方口靠尺、阴阳角抹子、软毛刷、扫帚、胶皮水管、水桶、小白线、錾子、锤子、托线板、工具袋等。第三节、作业条件注:本表一式四份,建设单位、监理单位、施工单位、城建档案馆各一份。 SN:9138520000002441建龙软件打印(批...

1、当您付费下载文档后,您只拥有了使用权限,并不意味着购买了版权,文档只能用于自身使用,不得用于其他商业用途(如 [转卖]进行直接盈利或[编辑后售卖]进行间接盈利)。
2、本站所有内容均由合作方或网友上传,本站不对文档的完整性、权威性及其观点立场正确性做任何保证或承诺!文档内容仅供研究参考,付费前请自行鉴别。
3、如文档内容存在违规,或者侵犯商业秘密、侵犯著作权等,请点击“违规举报”。

碎片内容

内外墙抹灰技术交底

确认删除?
VIP
微信客服
  • 扫码咨询
会员Q群
  • 会员专属群点击这里加入QQ群
客服邮箱
回到顶部