电脑桌面
添加小米粒文库到电脑桌面
安装后可以在桌面快捷访问

农村饮水安全巩固提升工程第三标段施工组织设计

农村饮水安全巩固提升工程第三标段施工组织设计_第1页
1/41
农村饮水安全巩固提升工程第三标段施工组织设计_第2页
2/41
农村饮水安全巩固提升工程第三标段施工组织设计_第3页
3/41
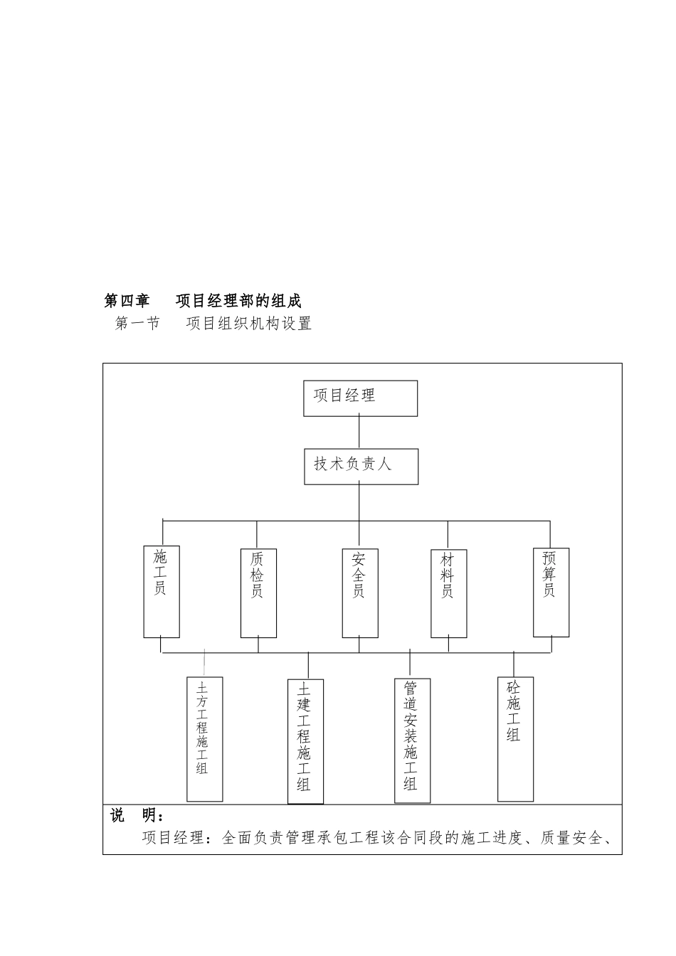
第一章工程概况第一节工程简介1.工程名称工程名称:团 风 县 总 路 咀 镇 2018年 农 村 饮 水 安 全 巩 固 提 升 工程 第 三 标 段2、工程概况团风县总路咀镇 2018 年农村饮水安全巩固提升工程第三标段的茶场村、黄泥塘村、卢家榜村、林家桥村、宋坳村农村饮水安全工程项目,预计投资约 63 万元。第二节工程施工条件1、对外交通条件项目区对外交通条件方便,项目实施时机械、车辆运输条件较为便利,能满足施工需要。2、工程材料项目实施区域材料丰富,品种较齐全,运输条件良好。工程所需材料主要为砂砾石、汽油、柴油等,可由项目区附近料场或加油站就近购进。3、施工用电施工用电就近接民用电,可满足施工要求。另备用2 台柴油发电机,作为备用应急电源。第二章编制说明第一节编制依据团风县总路咀镇 2018 年农村饮水安全巩固提升工程第三标段施工组织设计的编写,主要是以下列信息和文件资料作为依据。1.项目施工招标文件和图纸。2.现行供水工程技术规范以及招标文件的技术条款。3.现场调查、采集、咨询所获取的资料。4.适应于本工程的现行国家执行的相关规范和技术标准。5、依据施工图纸的要求,本招标工程项目的施工、材料必须达到现行国家及省、部、委或行业的现行工程建设标准和规范的要求。6、《水利水电工程通用安全技术规程》(SL398-2007)7、《水利水电工程土建施工安全技术规程》(SL300-2007)8、《水利水电工程金属机构和机电安装安全技术规程》(SL400-2007)9、《水利水电工程施工作业人员安全操作规程》(SL401-2007)第二节编制原则1、管理人员和施工队伍:组织精干、高效的项目管理机构,选派具有多年施工经验的管理人员和技术人员组成强有力的项目领导班子。调拔具有类似工程施工经验的专业施工队伍参加本项目施工。2、施工组织:统筹安排施工,做到均衡生产,采用先进的组织管理技术,提高施工机械化程度,降低成本,提高劳动生产率,减轻劳动强度。3、机械设备配套:采用先进的机械设备,组成配套合理、高效的机械化作业线,充分发挥设备的生产能力。4、施工工艺:根据本工程特点和施工内容,结合我公司类似工程的施工经验,积极采用新工艺、新技术、新机械,加快工程施工进度。5、文明施工和环境保护:合理布置生产生活临时设施,施工生产按标准化作业,配合业主与地方搞好关系,做到文明施工。严格按照《环境保护法》要求,积极维护当地自然环境和生态环境,保护植被,最大限度地减少施工...

1、当您付费下载文档后,您只拥有了使用权限,并不意味着购买了版权,文档只能用于自身使用,不得用于其他商业用途(如 [转卖]进行直接盈利或[编辑后售卖]进行间接盈利)。
2、本站所有内容均由合作方或网友上传,本站不对文档的完整性、权威性及其观点立场正确性做任何保证或承诺!文档内容仅供研究参考,付费前请自行鉴别。
3、如文档内容存在违规,或者侵犯商业秘密、侵犯著作权等,请点击“违规举报”。

碎片内容

农村饮水安全巩固提升工程第三标段施工组织设计

爱的疯狂+ 关注
实名认证
内容提供者

该用户很懒,什么也没介绍

确认删除?
VIP
微信客服
  • 扫码咨询
会员Q群
  • 会员专属群点击这里加入QQ群
客服邮箱
回到顶部