电脑桌面
添加小米粒文库到电脑桌面
安装后可以在桌面快捷访问

环氧地坪施工方案(简单)

环氧地坪施工方案(简单)_第1页
1/6
环氧地坪施工方案(简单)_第2页
2/6
环氧地坪施工方案(简单)_第3页
3/6
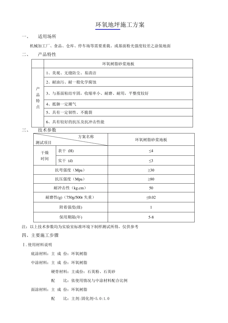
环 氧 地 坪 施 工 方 案 一 、 适 用 场 所 机 械 加 工 厂 、 食 品 、 仓 库 、 停 车 场 等 需 要 重 载 、 或 基 面 粉 光 强 度 较 差 之 涂 装 地 面 二 、 产 品 特 性 环 氧 树 脂 砂 浆 地 板 产 品 特 点 1、 美 观 、 无 缝 防 尘 、 易 清 洁 2、 耐 油 污 、 耐 一 般 化 学 腐 蚀 3、 与 基 面 粘 结 牢 固 , 收 缩 率 小 、 耐 磨 、 耐 用 , 平 整 度 较 好 4、 抵 御 一 定 潮 气 5、 具 有 一 定 韧 性 、 不 脆 裂 6、 具 有 较 好 的 抗 压 及 抗 冲 击 性 能 三 、 技 术 参 数 方 案 名 称 测 试 项 目 环 氧 树 脂 砂 浆 地 板 干 燥 时 间 表 干 (H) ≤4 实 干 (d) ≤3 抗 弯 强 度 ( Mpa) ≥30 抗 压 强 度 ( Mpa) ≥80 耐 冲 击 性 ( kg.cm) 50 耐 磨 性 (g)( 750g/500r失 重 ) ≤0.02 附 着 强 度 (级 ) 1 保 用 期 限 (年 ) 5-8 注:以上技 术 参 数 均为实 验室标准环 境下制样测 试 所 得, 仅供参 考 四、 主要 施 工 步骤 Ⅰ.使用 材料说明 底涂 材料:主 成 份:环 氧 树 脂 中涂 材料:主 成 份:环 氧 树 脂 硬 骨 材料:主成份:石 英 粉 、 石 英 砂 配 比 :依 使用 情 况 与 中涂 材料配 合 比 例 面 涂 材料:主 成 份:环 氧 树 脂 配 比 :主剂 :固 化 剂 =5.0:1.0 Ⅱ.材料使用及混合 1.搅拌场所必须预先用塑料布铺设,以确保施工现场环境的清洁及施工品质。 2.搅拌使用的容器一般为 20 升的圆形桶。 3.材料开封后倒入拌料容器,固化剂应预先倒入桶内,再次倒入主剂并同时使用搅拌机充分混合。 4.混合搅拌时搅拌剂应缓慢移动,使材料搅拌均匀,时间约 3-5 分钟。 5.完成树脂材料混合后,依照施工骨料混合比例慢速添加并充分搅拌。 6.已打开包装但未使用的主剂和固化剂必须密封保存并严禁使用烟火。 7.材料搅拌区及存放区必须严禁烟火并加以警示。 8.骨料等材料存放区需保持干燥并架高存放。 9.各项材料主剂及固化剂需加以严格分类,不可混合交叉使用。 10.如水分浸湿骨料,绝对不可使用。 Ⅲ.施工说明 1.素地处理: (处理前精密设备或产品需要...

1、当您付费下载文档后,您只拥有了使用权限,并不意味着购买了版权,文档只能用于自身使用,不得用于其他商业用途(如 [转卖]进行直接盈利或[编辑后售卖]进行间接盈利)。
2、本站所有内容均由合作方或网友上传,本站不对文档的完整性、权威性及其观点立场正确性做任何保证或承诺!文档内容仅供研究参考,付费前请自行鉴别。
3、如文档内容存在违规,或者侵犯商业秘密、侵犯著作权等,请点击“违规举报”。

碎片内容

环氧地坪施工方案(简单)

您可能关注的文档

确认删除?
VIP
微信客服
  • 扫码咨询
会员Q群
  • 会员专属群点击这里加入QQ群
客服邮箱
回到顶部