电脑桌面
添加小米粒文库到电脑桌面
安装后可以在桌面快捷访问

环网柜试验作业指导书

环网柜试验作业指导书_第1页
1/10
环网柜试验作业指导书_第2页
2/10
环网柜试验作业指导书_第3页
3/10
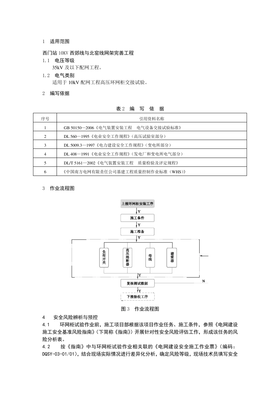
环网柜试验作业指导书 编码:DQSY-03 目 次 1 适用范围 ·················································································································· 279 2 编写依据 ·················································································································· 279 3 作业流程图 ··············································································································· 279 4 安全风险辨析与预控 ··································································································· 279 5 作业准备 ··················································································································· 13 6 作业方法 ····················································································································· 6 7 质量控制措施及检验标准 ································································································ 9 1 适用范围 西门站10KV 西郊线与北窑线网架完善工程 1.1 电压等级 35kV 及以下配网工程。 1.2 电气类别 适用于10kV 配网工程高压环网柜交接试验。 2 编写依据 表2 编 写 依 据 序号 引用资料名称 1 GB 50150—2006《电气装置安装工程 电气设备交接试验标...

1、当您付费下载文档后,您只拥有了使用权限,并不意味着购买了版权,文档只能用于自身使用,不得用于其他商业用途(如 [转卖]进行直接盈利或[编辑后售卖]进行间接盈利)。
2、本站所有内容均由合作方或网友上传,本站不对文档的完整性、权威性及其观点立场正确性做任何保证或承诺!文档内容仅供研究参考,付费前请自行鉴别。
3、如文档内容存在违规,或者侵犯商业秘密、侵犯著作权等,请点击“违规举报”。

碎片内容

环网柜试验作业指导书

小辰4+ 关注
实名认证
内容提供者

出售各种资料和文档

确认删除?
VIP
微信客服
  • 扫码咨询
会员Q群
  • 会员专属群点击这里加入QQ群
客服邮箱
回到顶部