电脑桌面
添加小米粒文库到电脑桌面
安装后可以在桌面快捷访问

现场(作业活动)类隐患排查治理清单

现场(作业活动)类隐患排查治理清单_第1页
1/21
现场(作业活动)类隐患排查治理清单_第2页
2/21
现场(作业活动)类隐患排查治理清单_第3页
3/21
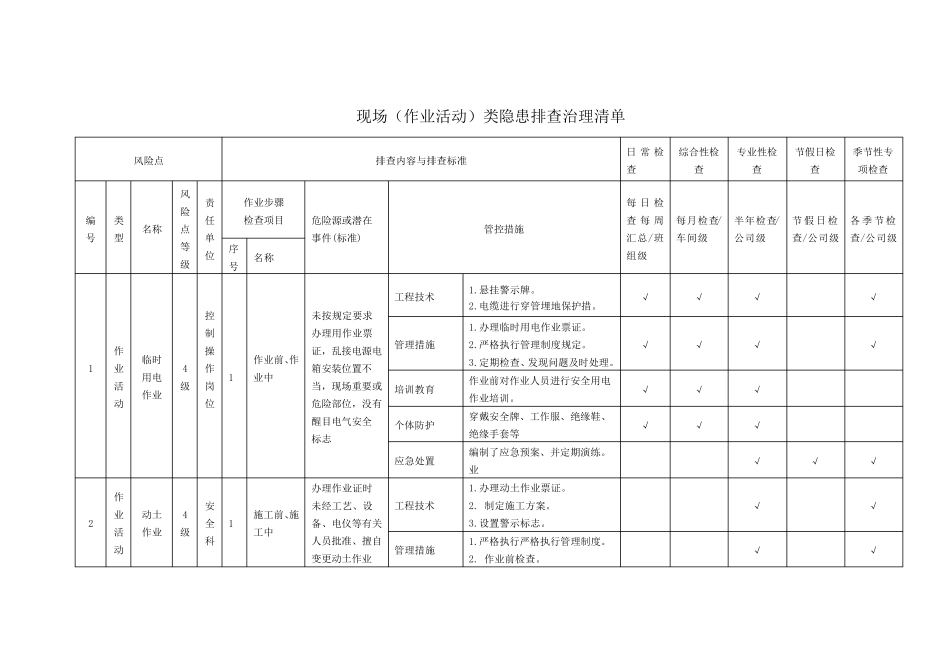
现 场 ( 作 业 活 动 ) 类 隐 患 排 查 治 理 清 单 风 险 点 排 查 内 容 与 排 查 标 准 日常检查 综 合 性 检查 专 业 性 检查 节 假 日 检查 季 节 性 专项 检 查 编号 类型 名 称 风险点等级 责任单位 作 业 步 骤 检 查 项 目 危 险 源 或 潜 在事 件 (标 准 ) 管 控 措 施 每日检查每周汇 总 /班组 级 每 月 检 查 /车 间 级 半 年 检 查 /公 司 级 节 假 日 检查 /公 司 级 各 季 节 检查 /公 司 级 序号 名 称 1 作业活动 临 时用 电作 业 4级 控制操作岗位 1 作 业 前 、作业 中 未 按 规 定 要 求办 理 用 作 业 票证 , 乱 接 电 源 电箱 安 装 位 置 不当 , 现 场 重 要 或危 险 部 位 , 没 有醒 目 电 气 安 全标 志 工 程 技 术 1.悬 挂 警 示 牌 。 2.电 缆 进 行 穿 管 埋 地 保 护措 。 √ √ √ √ 管 理 措 施 1.办 理 临 时 用 电 作 业 票 证 。 2.严格执行 管 理 制 度规 定 。 3.定 期检 查 、 发现 问题及时 处理 。 √ √ √ √ 培训教育 作 业 前 对作 业 人员进 行 安 全 用 电作 业 培训。 √ √ √ 个体防护 穿 戴安 全 牌 、 工 作 服、 绝缘鞋、绝缘手套等 √ √ √ 应急处置 编 制 了应急预 案 、 并 定 期演 练 。业 √ √ √ 2 作业活动 动 土作 业 4级 安全科 1 施 工 前 、施工 中 办 理 作 业 证 时未 经 工 艺 、 设备 、 电 仪 等 有 关人员批 准 、 擅 自变 更 动 土 作 业工 程 技 术 1.办 理 动 土 作 业 票 证 。 2. 制 定 施 工 方 案 。 3.设 置 警 示 标 志 。 √ √ 管 理 措 施 1.严格执行 严格执行 管 理 制 度。 2. 作 业 前 检 查 。 √ √ 内容。 培训教育 作业前进行教育培训。 √ √ 个体防护 穿戴劳动防护用品 √ √ 应急处置 1.制定方案 2. 有专人警戒 3 拉闸断电. √ √ √ 3 作业活动 吊装作业 4级 生产技术科 1 作业前、作业中 作业人员安全防护措施不落实、作业人员未进行安全教育、将建筑物、构筑物作吊装锚点 工程技术 1.办理吊装作业证 2.设置监护人,并坚守岗位...

1、当您付费下载文档后,您只拥有了使用权限,并不意味着购买了版权,文档只能用于自身使用,不得用于其他商业用途(如 [转卖]进行直接盈利或[编辑后售卖]进行间接盈利)。
2、本站所有内容均由合作方或网友上传,本站不对文档的完整性、权威性及其观点立场正确性做任何保证或承诺!文档内容仅供研究参考,付费前请自行鉴别。
3、如文档内容存在违规,或者侵犯商业秘密、侵犯著作权等,请点击“违规举报”。

碎片内容

现场(作业活动)类隐患排查治理清单

您可能关注的文档

确认删除?
VIP
微信客服
  • 扫码咨询
会员Q群
  • 会员专属群点击这里加入QQ群
客服邮箱
回到顶部