电脑桌面
添加小米粒文库到电脑桌面
安装后可以在桌面快捷访问

现场搅拌站设置方案

现场搅拌站设置方案_第1页
1/13
现场搅拌站设置方案_第2页
2/13
现场搅拌站设置方案_第3页
3/13
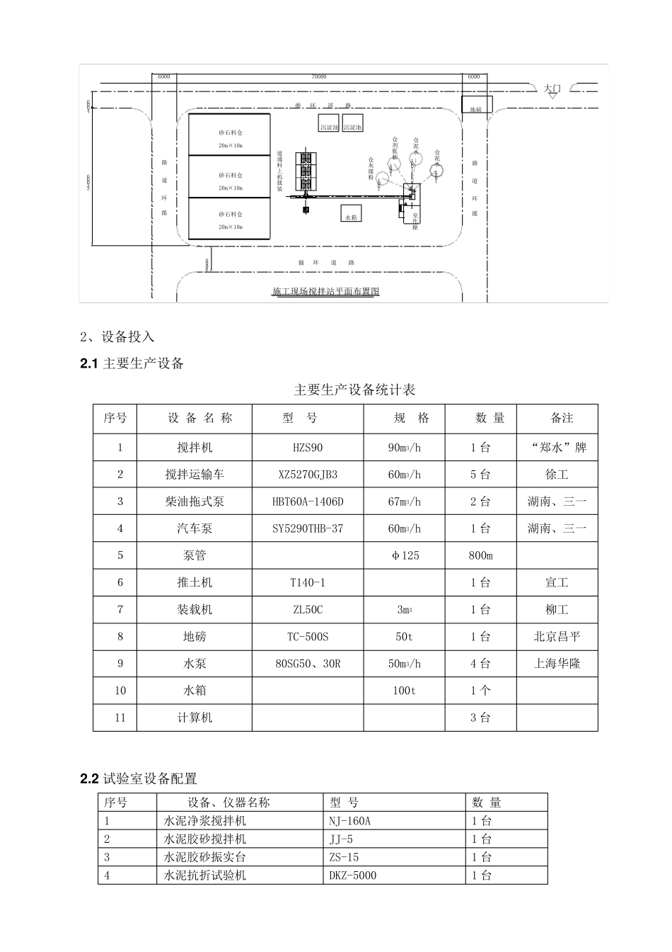
混凝土(含C 60)施工现场搅拌站设备配置方案 1.现场搅拌站设置 1 .1 搅拌机的选型 本工程建筑面积15.88 万平方米,一期7.88 万平方米,预计混凝土总用量10 万立方米,底板大体积混凝土约为7500m3 且需要一次浇筑完成。根据现场混凝土所需的供应速度及混凝土质量的要求,选用1 台HZS90 型搅拌机及其它附属设备,按照正规商品混凝土搅拌站标准进行设置、管理和实施。 搅拌机主要参数 型号 生产率 m3/h 进料容量 L 出料 容量 L 出料 高度 m 拌合物料储料量 骨料秤 粉料秤 骨料 (m3×数量) 粉料 (t×数量) 计量范围 kg 计量精度 % 计量范围 kg 计量精度 % HZS90 90 2250 1500 3.8 35×3 100×2 0~4000 ≤±2 0~1000 ≤±1 水秤 外加剂秤 总功率 kW 自动控制系统 计量范围 kg 计量精度 % 计量范围 kg 计量精度 % 0~300 ≤±1 0~30 ≤±1 ~140 PC 工控机控制 1 .2 选型理由 ● 该工程大体积混凝土约为6000m3,且一次性浇筑完成,浇筑速度为75m3/h,HZS90型搅拌机的生产率为90m3/h,与浇筑速度相匹配。 ● HZS90 型强制式搅拌机搅拌轴为双卧轴,搅拌质量好,效率高。 ● 国产“郑水”牌HZS90 型搅拌机性能稳定,自动化程度高,价格便宜,配件来源便利,售后服务到位。 1 .3 平面布置 现场搅拌站位于主楼北侧 ,占 地 约2000 平方米。共 设100t 水泥 仓 两 个 ,膨 胀 剂仓 一个 ,粉煤 灰 仓 一个 ; 砂 石 料存 放 于开 放 式料场内 ,设三 个 堆 料区 ,分 别 储存 两 种 规格的石子 和一种 规格的砂 子 ,总占 地 1000 平方米。料场之 间 采 用370 墙 分 隔 ,墙 高5 米,顶 面用石 棉 瓦 铺 盖 ; 在 搅拌机北侧 设两 个 沉 淀 池 ,用于废 水废 渣 的处 理。(见 下 图 ) 施工现场搅拌站平面布置图70000粉煤灰仓6000循 环 道 路4000循 环 道 路20m×10m20m×10m砂石料仓砂石料仓600020m×10m砂石料仓循 环 道 路循 环 道 路操作室膨胀剂仓6000地磅水泥仓大门33000100t100t水箱装载机上料通道水泥仓100t100t沉淀池沉淀池 2、设备投入 2 .1 主要生产设备 主要生产设备统计表 序号 设 备 名 称 型 号 规 格 数 量 备注 1 搅拌机 HZS90 90m3/h 1 台 “郑水”牌 2 搅拌运输车 XZ5270GJB3 60m3/h 5 台 徐工 3 柴油拖式泵 HBT60...

1、当您付费下载文档后,您只拥有了使用权限,并不意味着购买了版权,文档只能用于自身使用,不得用于其他商业用途(如 [转卖]进行直接盈利或[编辑后售卖]进行间接盈利)。
2、本站所有内容均由合作方或网友上传,本站不对文档的完整性、权威性及其观点立场正确性做任何保证或承诺!文档内容仅供研究参考,付费前请自行鉴别。
3、如文档内容存在违规,或者侵犯商业秘密、侵犯著作权等,请点击“违规举报”。

碎片内容

现场搅拌站设置方案

确认删除?
VIP
微信客服
  • 扫码咨询
会员Q群
  • 会员专属群点击这里加入QQ群
客服邮箱
回到顶部