电脑桌面
添加小米粒文库到电脑桌面
安装后可以在桌面快捷访问

现浇混凝土空心楼盖施工流程

现浇混凝土空心楼盖施工流程_第1页
1/18
现浇混凝土空心楼盖施工流程_第2页
2/18
现浇混凝土空心楼盖施工流程_第3页
3/18
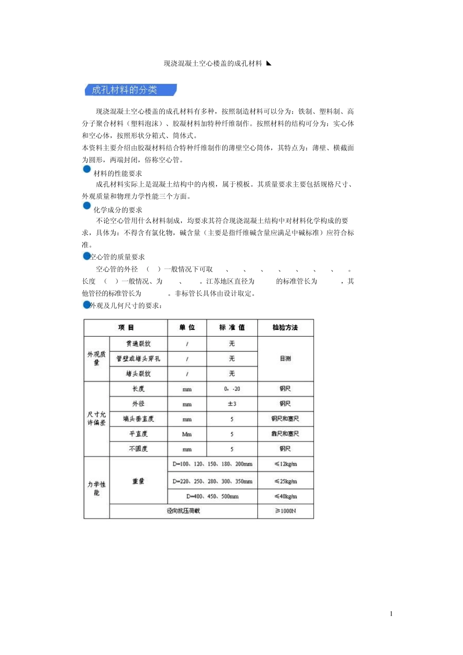
1 现浇混凝土空心楼盖的成孔材料 ◣ 现浇混凝土空心楼盖的成孔材料有多种,按照制造材料可以分为:铁制、塑料制、高分子聚合材料(塑料泡沫)、胶凝材料加特种纤维制作。按照材料的结构可分为:实心体和空心体,按照形状分箱式、筒体式。 本资料主要介绍由胶凝材料结合特种纤维制作的薄壁空心筒体,其特点为:薄壁、横截面为圆形,两端封闭,俗称空心管。 材料的性能要求 成孔材料实际上是混凝土结构中的内模,属于模板。其质量要求主要包括规格尺寸、外观质量和物理力学性能三个方面。 化学成分的要求 不论空心管用什么材料制成,均要求其符合现浇混凝土结构中对材料化学构成的要求,具体为:不得含有氯化物,碱含量(主要是指纤维碱含量应满足中碱标准)应符合标准。 空心管的质量要求 空心管的外径 D(mm)一般情况下可取 100、150、180、200、250、300、350、400。长度 L(mm)一般情况、为 1000、1200。江苏地区直径为 100mm的标准管长为 1000mm,其他管径的标准管长为 1200mm。非标管长具体由设计取定。 外观及几何尺寸的要求: 2 空心管在板中的几何位置 ◣ d-----板厚 不宜小于200mm a-----管头与管头之间的肋宽 b----管壁与管壁之间的肋宽 与空心管外径的比值不宜小于0.2 常规几何位置要求 *如为单向板结构则a=0。 *人防空心板一般情况下c1+c2≥200mm,如板上有覆土时 c1+c2≥150。 施工及验收 ◣ 空心管进场后应组织对空心管材料的验收工作。按照规程要求,空心管进场时,应按照同一生产厂、同一材料、同一生产工艺、同一规格,且连续进场不超过 5000 件作为一个检验批,检查出厂合格证、并进行取样。每检验批应随机抽取 20 件进行尺寸偏差检查(合格率不小于80%,且没有严重偏差判为合格),检验合格后从中随机抽取 3件进行重量和力学检验。 如果连续 3批一次性检验合格时,改为每 10000 件作为一个检验批次。 空心管的安装,实际上就是采取措施保证空心管在板的几何位置,并保证空心管在其他工种施工过程产生的影响下,这些措施仍然有效。我们所采取的措施应有效、方便易行、具有良好的经济性。 3 具体来说就是要保证空心管与底模板之间的空心管高度、空心管管壁之间、管头之间的间距和解决空心管在浇筑混凝土时产生的上浮问题。 主要施工工序如下: 排管图的绘制以设计要求为标准,具体确定出每一板跨内的空心管的排数、每排标准管的根数和非标管长度及根数,再结合楼板预留管、孔洞...

1、当您付费下载文档后,您只拥有了使用权限,并不意味着购买了版权,文档只能用于自身使用,不得用于其他商业用途(如 [转卖]进行直接盈利或[编辑后售卖]进行间接盈利)。
2、本站所有内容均由合作方或网友上传,本站不对文档的完整性、权威性及其观点立场正确性做任何保证或承诺!文档内容仅供研究参考,付费前请自行鉴别。
3、如文档内容存在违规,或者侵犯商业秘密、侵犯著作权等,请点击“违规举报”。

碎片内容

现浇混凝土空心楼盖施工流程

您可能关注的文档

确认删除?
VIP
微信客服
  • 扫码咨询
会员Q群
  • 会员专属群点击这里加入QQ群
客服邮箱
回到顶部