电脑桌面
添加小米粒文库到电脑桌面
安装后可以在桌面快捷访问

现浇钢筋混凝土单向板肋梁楼盖设计

现浇钢筋混凝土单向板肋梁楼盖设计_第1页
1/11
现浇钢筋混凝土单向板肋梁楼盖设计_第2页
2/11
现浇钢筋混凝土单向板肋梁楼盖设计_第3页
3/11
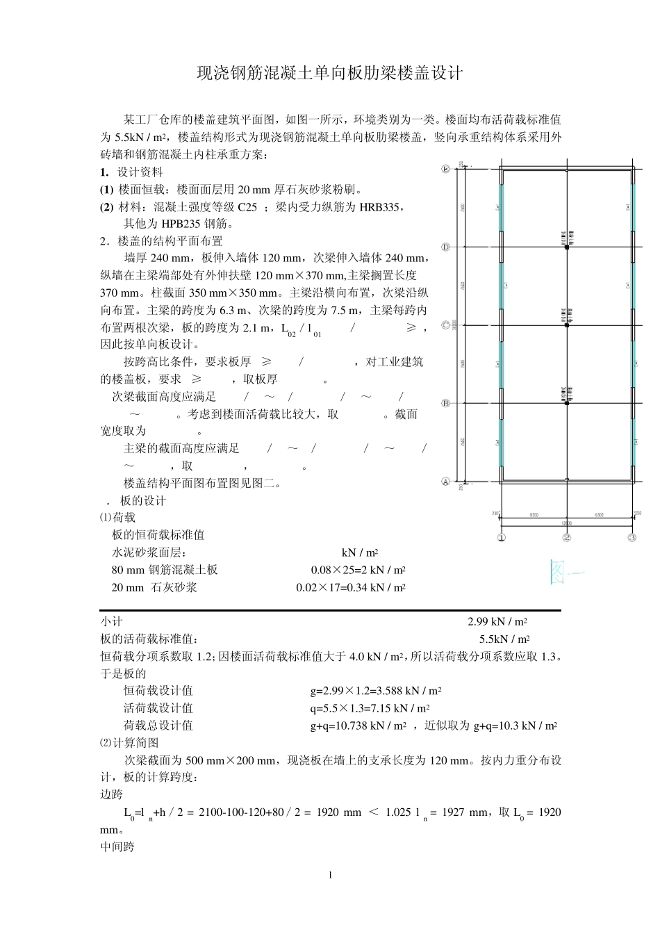
1 现浇钢筋混凝土单向板肋梁楼盖设计 某工厂仓库的楼盖建筑平面图,如图一所示,环境类别为一类。楼面均布活荷载标准值为5.5kN / m2,楼盖结构形式为现浇钢筋混凝土单向板肋梁楼盖,竖向承重结构体系采用外砖墙和钢筋混凝土内柱承重方案: 1 . 设计资料 (1 ) 楼面恒载:楼面面层用20 mm 厚石灰砂浆粉刷。 (2 ) 材料:混凝土强度等级C25 ;梁内受力纵筋为HRB335, 其他为HPB235 钢筋。 2.楼盖的结构平面布置 墙厚240 mm,板伸入墙体120 mm,次梁伸入墙体240 mm, 纵墙在主梁端部处有外伸扶壁120 mm×370 mm,主梁搁置长度 370 mm。柱截面350 mm×350 mm。主梁沿横向布置,次梁沿纵 向布置。主梁的跨度为6.3 m、次梁的跨度为7.5 m,主梁每跨内 布置两根次梁,板的跨度为2.1 m,L02/l 01 =7.5/2.1=3.57≥3, 因此按单向板设计。 按跨高比条件,要求板厚h≥2200/40=55 mm,对工业建筑 的楼盖板,要求 h≥80 mm,取板厚h=80 mm。 次梁截面高度应满足 h=L0/18~L0/12=7500/18~7500/12= 416.7~625 mm。考虑到楼面活荷载比较大,取 h=500mm。截面 宽度取为b=200 mm。 主梁的截面高度应满足 h=L0/15~L0/10=6300/15~6300/10 =420~630 mm,取 h=600 mm,b=300 mm。 楼盖结构平面图布置图见图二。 3. 板的设计 ⑴荷载 板的恒荷载标准值 水泥砂浆面层: 0.65 kN / m2 80 mm 钢筋混凝土板 0.08×25=2 kN / m2 20 mm 石灰砂浆 0.02×17=0.34 kN / m2 小计 2.99 kN / m2 板的活荷载标准值: 5.5kN / m2 恒荷载分项系数取 1.2;因楼面活荷载标准值大于 4.0 kN / m2,所以活荷载分项系数应取 1.3。 于是板的 恒荷载设计值 g=2.99×1.2=3.588 kN / m2 活荷载设计值 q=5.5×1.3=7.15 kN / m2 荷载总设计值 g+q=10.738 kN / m2 ,近似取为g+q=10.3 kN / m2 ⑵计算简图 次梁截面为500 mm×200 mm,现浇板在墙上的支承长度为120 mm。按内力重分布设计,板的计算跨度: 边跨 L0=l n+h/2 = 2100-100-120+80/2 = 1920 mm < 1.025 l n = 1927 mm,取 L0 = 1920 mm。 中间跨 2 L0 = l n = 210-200 = 1900 mm 因跨度相差小于10% ,取1 m 宽板带作为计算单 元,计算简图如图所示三。 ⑶弯矩计值 由表一可查得,板的弯矩系数α m分别为: 边跨中,1/11;离端第二支座,-1/11;离端 ...

1、当您付费下载文档后,您只拥有了使用权限,并不意味着购买了版权,文档只能用于自身使用,不得用于其他商业用途(如 [转卖]进行直接盈利或[编辑后售卖]进行间接盈利)。
2、本站所有内容均由合作方或网友上传,本站不对文档的完整性、权威性及其观点立场正确性做任何保证或承诺!文档内容仅供研究参考,付费前请自行鉴别。
3、如文档内容存在违规,或者侵犯商业秘密、侵犯著作权等,请点击“违规举报”。

碎片内容

现浇钢筋混凝土单向板肋梁楼盖设计

确认删除?
VIP
微信客服
  • 扫码咨询
会员Q群
  • 会员专属群点击这里加入QQ群
客服邮箱
回到顶部