电脑桌面
添加小米粒文库到电脑桌面
安装后可以在桌面快捷访问

医护对讲系统施工方案

医护对讲系统施工方案_第1页
1/6
医护对讲系统施工方案_第2页
2/6
医护对讲系统施工方案_第3页
3/6
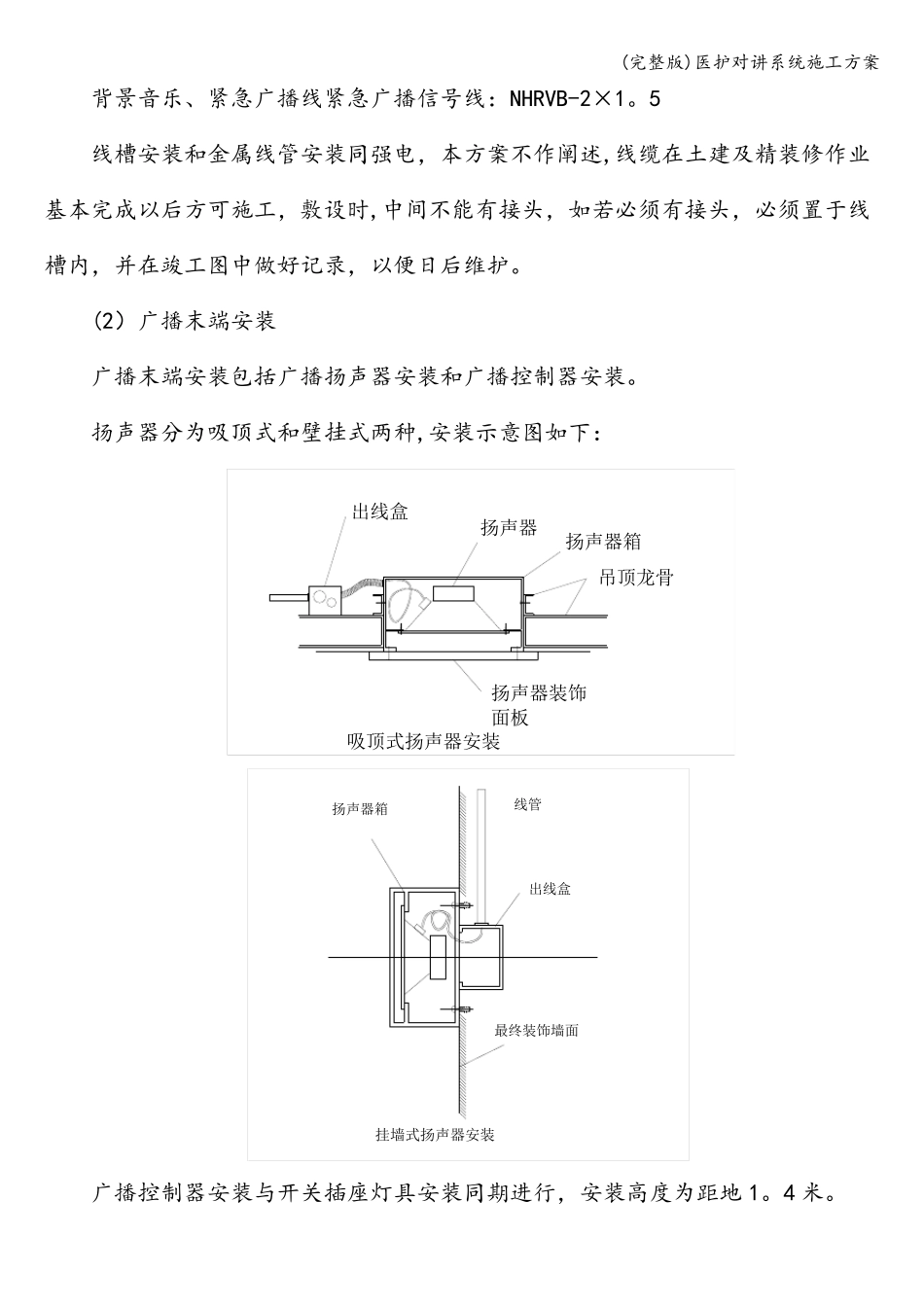
(完整版)医护对讲系统施工方案医护对讲系统施工方案在每个护理单元内设医用呼叫对讲系统,主机设在护士站内,对讲分机安装在病房综合医疗槽内,在病房走道设置显示挂屏,在各科候诊分诊处根据需要设广播呼叫系统。医护对讲系统施工流程如下:预留预埋线缆敷设主机安装部件安装调试(1)预留预埋在主体施工及内隔墙施工时,在需要设置对讲分机的部位,埋设接线盒,卫生间距地 0.6 米,分诊处医生办公室内距地 0。9 米。在设计有显示屏的位置,预埋安装吊架和出线盒及 220V 电源插座盒。病房内的对讲插座安装扁钢煨制共4个在医疗槽内。(2)线缆敷设医护对讲线缆均穿预留壁挂式LED电子显示屏预埋的 DN25 电敷设。接线盒线管敷设,施工工艺同照明线(3)主机安装医护对讲主机在护士站土建作业及精装修工作完成机电源就近取自 220V 电源插座。(4)部件安装及消防中心的以后进行,主医护对讲插座在开关插座及灯具安装的同期进行,安装工艺同插座安装显示屏安装应牢固,挂墙安装示意图如右:(完整版)医护对讲系统施工方案较大空间内安装管吊式显示屏,吊杆规格应根据显示屏的实际重量选择合适的不锈钢管制作,如厂家产品说明书中右说明,则根据厂家说明制作吊管支架或采用成品支架。吊杆安装示意图如下:φ10膨胀螺栓天花板混凝土面不锈钢装饰盖不锈钢管吊架管吊式LED电子显示屏10。22.5 广播系统本工程广播系统采用多线制系统,广播的机柜设在地下一层消防控制中心内,在地下车库、公共活动区、病房、手术室等处设扬声器,火灾时强切至火灾事故广播状态.本工程的广播系统组成为:广播及控制末端、传输线路、节目调制前端、功率放大输出单元。广播系统施工流程:线缆敷设广播末端安装机房设备安装系统调试(1)线缆敷设广播系统线路沿弱电线槽或钢管敷设,线缆类型如下:(完整版)医护对讲系统施工方案背景音乐、紧急广播线紧急广播信号线:NHRVB-2×1。5线槽安装和金属线管安装同强电,本方案不作阐述,线缆在土建及精装修作业基本完成以后方可施工,敷设时,中间不能有接头,如若必须有接头,必须置于线槽内,并在竣工图中做好记录,以便日后维护。(2)广播末端安装广播末端安装包括广播扬声器安装和广播控制器安装。扬声器分为吸顶式和壁挂式两种,安装示意图如下:出线盒扬声器扬声器箱吊顶龙骨扬声器装饰面板吸顶式扬声器安装扬声器箱线管出线盒最终装饰墙面挂墙式扬声器安装广播控制器安装与开关插座灯具安装同期进行,安装高度为距地 1。4 米。(完...

1、当您付费下载文档后,您只拥有了使用权限,并不意味着购买了版权,文档只能用于自身使用,不得用于其他商业用途(如 [转卖]进行直接盈利或[编辑后售卖]进行间接盈利)。
2、本站所有内容均由合作方或网友上传,本站不对文档的完整性、权威性及其观点立场正确性做任何保证或承诺!文档内容仅供研究参考,付费前请自行鉴别。
3、如文档内容存在违规,或者侵犯商业秘密、侵犯著作权等,请点击“违规举报”。

碎片内容

医护对讲系统施工方案

确认删除?
VIP
微信客服
  • 扫码咨询
会员Q群
  • 会员专属群点击这里加入QQ群
客服邮箱
回到顶部