电脑桌面
添加小米粒文库到电脑桌面
安装后可以在桌面快捷访问

醋酐工艺流程说明

醋酐工艺流程说明_第1页
1/9
醋酐工艺流程说明_第2页
2/9
醋酐工艺流程说明_第3页
3/9
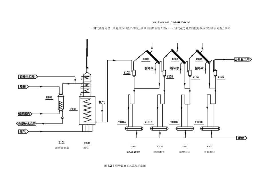
4.2.2 醋酐工艺流程说明4.2.2.1 流程概述本装置以醋酸为原料经裂解、吸收、蒸馏、回收工序,制得醋酐产品。a) 醋酸裂解工序醋酸裂解工序流程示意图见图 4.2-1。b) 乙烯酮吸收工序乙烯酮吸收工序流程示意图见图 4.2-2。① 乙烯酮的吸收由裂解炉产生的乙烯酮气体和废气首先进入第一吸收塔(T-201)底部,与塔顶部喷淋的醋酸,醋酐的混合液逆向接触,使大部分乙烯酮被吸收生成醋酐,塔底出来的粗醋酐浓度为 85wt%,进入粗醋酐贮罐中。V101V1O1V101YKH裂牝霸醴蕪发器稀鹼邓噬襦酸中阖稱酸中闾冊酸中间图 4.2-1 醋酸裂解工艺流程示意图V102E102VI03E1O3VltME1O4VIM一国气液分离器一段袴厳羚却器二姑槪分离購三段冷灘拎却器•:-:段气蔽分骞黠四段冷凝冷却器四段完液分离擀第一吸收塔吸收液从粗醋酸酐罐(V-301)下部用第一吸收塔循环液泵(P-201)与来自第二吸收塔底部的循环液一起打入第一吸收塔循环冷却器经工业冷却带走反应热后进入第一吸收塔顶部。第一吸收塔操作真空度:640mmHg;操作温度:35〜40°C。在第一吸收塔中未被吸收的乙烯酮气体,连同废气从塔顶出来进入第二吸收塔底部,与从塔顶喷淋下来的吸收液逆向接触,在第二吸收塔中,乙烯酮气体几乎全部被吸收掉,生成的粗醋酐及醋酸混合液与第一吸收塔循环液合并,同时取出一部分作为循环液进入第二吸收塔循环液泵(P-202)作循环吸收液用。来自蒸馏系统吸收的醋酸与来自醋酸高位槽(V-401)的冰醋酸根据第一吸收塔排出的粗醋酐的浓度加入到第二吸收塔循环液中。循环液泵打入第二吸收塔冷却器(E-202)用工业水冷却到 25C 左右进入第二吸收塔顶部作喷淋吸收液用。② 尾气洗涤由第二吸收塔顶部出来的尾气在洗涤塔(T-203)中用循环洗涤液贮槽(V-201)中的水洗涤其中的醋酸蒸汽。洗涤液用循环泵(P-203)输送经冷却器用冷冻盐水冷却后进入洗涤塔。洗涤液循环使用,当稀醋酸浓度提高到 20%后,将此醋酸用循环液泵打至稀醋酸回收工序稀醋酸贮槽。由洗涤塔顶出来的尾气,再经尾气洗涤塔用水洗涤,然后,进入水环真空泵,分离罐,经液封槽进入裂化炉作燃料之用。尾气洗涤塔的废水经液封槽放入下水,控制废水含酸小于 0.09wt%操作温度 20C。裂化、吸收系统所需要的真空度,全部由水环真空泵(P-204)提供。图 4.2-2 乙烯酮吸收工序流程示意图cz>T201第—•吸收塔T201T201組醋軒玄蒸髓廿I■*^13 卜E201T202E2O2T203E203T204第一挣却器第二^Jtfc 塔第二冷却誥第一我巔塔「恍拯境龄制器第二抚祿曙水RE20...

1、当您付费下载文档后,您只拥有了使用权限,并不意味着购买了版权,文档只能用于自身使用,不得用于其他商业用途(如 [转卖]进行直接盈利或[编辑后售卖]进行间接盈利)。
2、本站所有内容均由合作方或网友上传,本站不对文档的完整性、权威性及其观点立场正确性做任何保证或承诺!文档内容仅供研究参考,付费前请自行鉴别。
3、如文档内容存在违规,或者侵犯商业秘密、侵犯著作权等,请点击“违规举报”。

碎片内容

醋酐工艺流程说明

确认删除?
VIP
微信客服
  • 扫码咨询
会员Q群
  • 会员专属群点击这里加入QQ群
客服邮箱
回到顶部