电脑桌面
添加小米粒文库到电脑桌面
安装后可以在桌面快捷访问

取水泵站围墙施工方案

取水泵站围墙施工方案_第1页
1/8
取水泵站围墙施工方案_第2页
2/8
取水泵站围墙施工方案_第3页
3/8
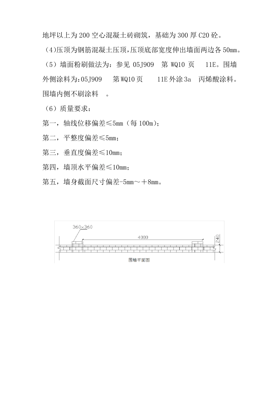
邳州经济开发区工业水厂一期工程----取水泵站围墙施工方案取水泵站砖砌围墙施工方案第一节设计及施工要求(1)围墙采用砖砌,墙厚 240mm,高 2.1m,总长约 250m。(2)沿围墙设置360×360mm 砖壁柱,附墙柱间距为4.0 米,均匀分布,不足4 米长度,均分于单边围墙的两头。围墙转角处不设附墙柱。附墙附墙柱向厂区内凸出墙面,围墙外侧为平面。(3)墙体:厂区地坪以下为 370 实心粘土砖或者灰砂砖墙砌筑,地坪以上为 200 空心混凝土砖砌筑,基础为 300 厚 C20 砼。(4)压顶为钢筋混凝土压顶,压顶底部宽度伸出墙面两边各 50mm。(5)墙面粉刷做法为:参见 05J909第 WQ10 页 11E。围墙外侧涂料为:05J909第 WQ10 页 11E 外涂 3a丙烯酸涂料。围墙内侧不刷涂料。(6)质量要求:第一,轴线位移偏差≤5mm(每 100m);第二,平整度偏差≤5mm;第三,垂直度偏差≤10mm;第四,墙顶水平偏差≤10mm;第五,墙身截面尺寸偏差-5mm~+8mm。围墙内墙立面图围墙外墙立面图围墙立面图第二节 砖砌围墙工程技术准备及施工方法一、技术准备:1.编制施工方案,对操作人员进行技术交底。2.根据现场施工,统计材料数量,编制材料计划。3.做好施工前的各项试验工作。4.使用挖掘机进行施工场地和施工临时道路平整,以保证施工人员和机械顺利进入施工现场。二、操作工艺:1.工艺流程测量放线→挖基础土方→砖基础→砌筑围墙→墙面抹灰→砖墙面涂料2.材料要求:1)砌筑用砖:品种、规格、外观、强度、质量等级必须符合设计要求,砖进场应有产品质量合格证,进场后应抽样复试,其质量应符合国家现行标准有关规定。2)水泥:一般采用 32.5 级普通硅酸盐水泥或矿渣硅酸盐水泥,水泥进场应有产品质量合格证和出厂检验报告,进场后应对强度、安定性及其他必要的性能进行取样复试,其质量必须符合现行国家有关规定。3)砂:宜采用质地坚硬、洁净的中粗砂,过 5mm 孔径的筛子,砂和含泥量不超过 3%。砂的品种、质量应符合国家现行标准有关规定要求,进场后应按规定进行取样试验合格。3.操作方法1)测量放线及开槽基础开挖:根据设计图纸及地勘资料,使用小型挖掘机进行基础开挖,人工配合进行基底处理。围墙基础基槽开挖时,至基底设计标高,留 300mm 土层人工清底、修坡,基槽挖好后,要防止雨水及地下水浸泡,开挖完成后应立即对基坑进行垫层及基础施工。为满足施工材料进入施工部位及安装支撑模板的需求,基础开挖宽度为 3.0 米。其中,围...

1、当您付费下载文档后,您只拥有了使用权限,并不意味着购买了版权,文档只能用于自身使用,不得用于其他商业用途(如 [转卖]进行直接盈利或[编辑后售卖]进行间接盈利)。
2、本站所有内容均由合作方或网友上传,本站不对文档的完整性、权威性及其观点立场正确性做任何保证或承诺!文档内容仅供研究参考,付费前请自行鉴别。
3、如文档内容存在违规,或者侵犯商业秘密、侵犯著作权等,请点击“违规举报”。

碎片内容

取水泵站围墙施工方案

确认删除?
VIP
微信客服
  • 扫码咨询
会员Q群
  • 会员专属群点击这里加入QQ群
客服邮箱
回到顶部