电脑桌面
添加小米粒文库到电脑桌面
安装后可以在桌面快捷访问

各种桩施工质量验收标准汇总

各种桩施工质量验收标准汇总_第1页
1/14
各种桩施工质量验收标准汇总_第2页
2/14
各种桩施工质量验收标准汇总_第3页
3/14
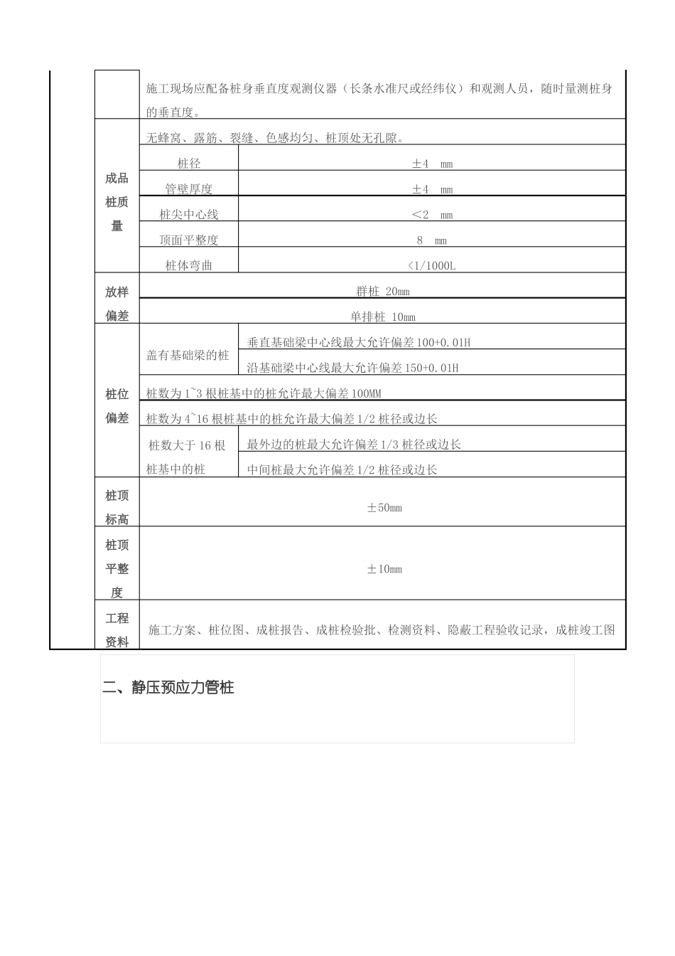
各种桩施工质量验收标准汇总一、锤击预应力管桩项目名称检查项目质 量 验 收 标 准施工严格按照施工专项方案执行,施工机械应具有机械合格证书。成品桩外观无蜂窝、露筋、裂缝、色感均匀、桩顶处无孔隙。严禁使用质量不合格及在吊运过程中锤击预应力管桩锤击沉桩产生裂缝的桩。在吊运过程中应轻吊轻放,避免剧烈碰撞。对于密集桩群,自中间向两个方向或四周对称施打;锤桩当一侧毗邻建筑物时,由毗邻建筑物处向另一方向施打;顺序根据基础的设计标高,宜先深后浅;根据桩的规格,宜先大后小,先长后短。桩帽或送桩帽与桩周围的间隙应为 5~10mm;锤与桩帽、桩帽与桩之间应加设硬木、麻袋、草垫等弹性衬垫;桩锤、桩帽或送桩帽应和桩身在同一中心线上;桩插入时的垂直度偏差不得超过 0.5%。斜桩倾斜度的偏差不得大于倾斜角正切值的 15%(倾斜角系桩的纵向中心线与铅垂线间夹角)。钢钣宜采用低碳钢,焊条宜采用 E43,产品合格证检查;焊接时,下节桩段的桩头宜高出地面 0.5m;下节桩的桩头处宜设导向箍。接桩时上下节桩段应保持顺直,错位偏差不宜大于 2mm;接桩就位纠偏时,不得采用大锤横向敲打;桩对接前,上下端板表面应采用铁刷子清刷干净,坡口处应刷至露出金属光泽;焊接焊接宜在桩四周对称地进行,待上下桩节固定后拆除导向箍再分层施焊;焊接层数不得少接桩于 2 层,第一层焊完后必须把焊渣清理干净,方可进行第二层(的)施焊,焊缝应连续、饱满。焊好后的桩接头应自然冷却后方可继续锤击,自然冷却时间不宜少于 8min;严禁采用水冷却或焊好即施打。雨天焊接时,应采取可靠的防雨措施;焊接接头的质量检查,对于同一工程探伤抽样检验不得少于 3 个接头。送桩深度不宜大于 2.0m;锤桩送桩当桩顶打至接近地面需要送桩时,应测出桩的垂直度并检查桩顶质量,合格后应及时送桩;送桩的最后贯入度应参考相同条件下不送桩时的最后贯入度并修正;送桩后遗留的桩孔应立即回填或覆盖。当桩端位于一般土层时,应以控制桩端设计标高为主,贯入度为辅;锤桩终止桩端达到坚硬、硬塑的黏性土、中密以上粉土、砂土、碎石类土及风化岩时,应以贯入度控制为主,桩端标高为辅;贯入度已达到设计要求而桩端标高未达到时,应继续锤击 3 阵,并按每阵 10 击的贯入度不应大于设计规定的数值确认,必要时,施工控制贯入度应通过试验确定。沉桩前必须处理空中和地下障碍物,场地应平整,排水应畅通,并应满足打桩所需的地面承载力;注意事项...

1、当您付费下载文档后,您只拥有了使用权限,并不意味着购买了版权,文档只能用于自身使用,不得用于其他商业用途(如 [转卖]进行直接盈利或[编辑后售卖]进行间接盈利)。
2、本站所有内容均由合作方或网友上传,本站不对文档的完整性、权威性及其观点立场正确性做任何保证或承诺!文档内容仅供研究参考,付费前请自行鉴别。
3、如文档内容存在违规,或者侵犯商业秘密、侵犯著作权等,请点击“违规举报”。

碎片内容

各种桩施工质量验收标准汇总

爱的疯狂+ 关注
实名认证
内容提供者

该用户很懒,什么也没介绍

确认删除?
VIP
微信客服
  • 扫码咨询
会员Q群
  • 会员专属群点击这里加入QQ群
客服邮箱
回到顶部