电脑桌面
添加小米粒文库到电脑桌面
安装后可以在桌面快捷访问

四口防护方案

四口防护方案_第1页
1/14
四口防护方案_第2页
2/14
四口防护方案_第3页
3/14
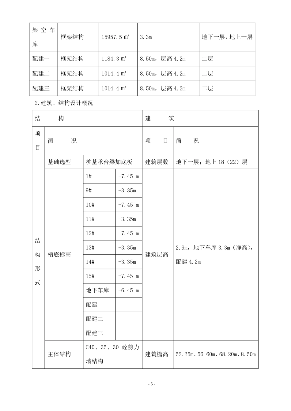
目录一、工程概况:......................................................................................................- 2 -二、项目安全管理体系:......................................................................................- 2 -三、施工组织设计编制依据:..............................................................................- 5 -四、“三宝”的防护:..........................................................................................- 5 -五、“四口”的防护:..........................................................................................- 6 -六、“临边”的防护:..........................................................................................- 8 -七、“三宝四口”及临边防护搭设、安装、拆卸安全技术交底......................- 9 -八、“三宝四口”及临边防护定期检查制度....................................................- 10 -九、附图:............................................................................................................- 10 -- 1 -天津商业大学宝德学院新建教学楼工程四口防护安全专项方案一、工程概况:一、总体概述序号项目内容欣嘉园 3#地项目架空车库、1#、9#~15#楼及1工程名称配建一、配建二、配建三工程23456工程地址建设单位勘察单位设计单位施工单位天津市滨海新区(塘沽杨北公路以北,北塘水库以西)天津滨海新区建投房地产开发有限公司天津市勘察院天津市建筑设计院天津二建建筑工程有限公司二、设计概况1、设计概况建 筑 面77262.4 ㎡积楼号1#9#10#11#12#13#14#15#结构剪力墙结构剪力墙结构剪力墙结构剪力墙结构剪力墙结构剪力墙结构剪力墙结构剪力墙结构面积6729.4 ㎡4441 ㎡15641.9 ㎡4441 ㎡檐高(层高)56.60m,层高 2.9m56.60m,层高 2.9m68.20m,层高 2.9m56.60m,层高 2.9m层数18 层18 层22 层18 层18 层18 层18 层18 层建筑用途住 宅6395.4 ㎡ 56.60m,层高 2.9m 6332.2 ㎡52.65m,层高 2.9m 7381.5 ㎡52.65m,层高 2.9m6729.4 ㎡56.60m,层高 2.9m- 2 -架 空 车框架结构库配建一配建二配建三框架结构框架结构框架结构1184.3 ㎡1014.4 ㎡1014.4 ㎡8.50m,层高 4.2m8.50m,层高 4.2m8.50m,层高 4.2m二层二层二层15957...

1、当您付费下载文档后,您只拥有了使用权限,并不意味着购买了版权,文档只能用于自身使用,不得用于其他商业用途(如 [转卖]进行直接盈利或[编辑后售卖]进行间接盈利)。
2、本站所有内容均由合作方或网友上传,本站不对文档的完整性、权威性及其观点立场正确性做任何保证或承诺!文档内容仅供研究参考,付费前请自行鉴别。
3、如文档内容存在违规,或者侵犯商业秘密、侵犯著作权等,请点击“违规举报”。

碎片内容

四口防护方案

您可能关注的文档

确认删除?
VIP
微信客服
  • 扫码咨询
会员Q群
  • 会员专属群点击这里加入QQ群
客服邮箱
回到顶部