电脑桌面
添加小米粒文库到电脑桌面
安装后可以在桌面快捷访问

土方回填隐蔽验收记录表

土方回填隐蔽验收记录表_第1页
1/10
土方回填隐蔽验收记录表_第2页
2/10
土方回填隐蔽验收记录表_第3页
3/10
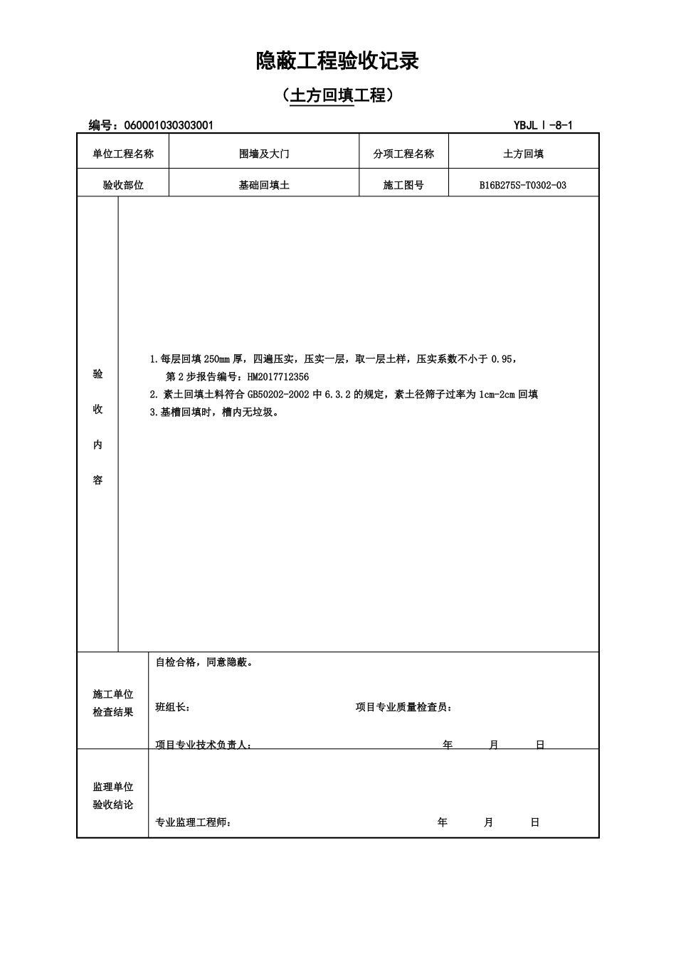
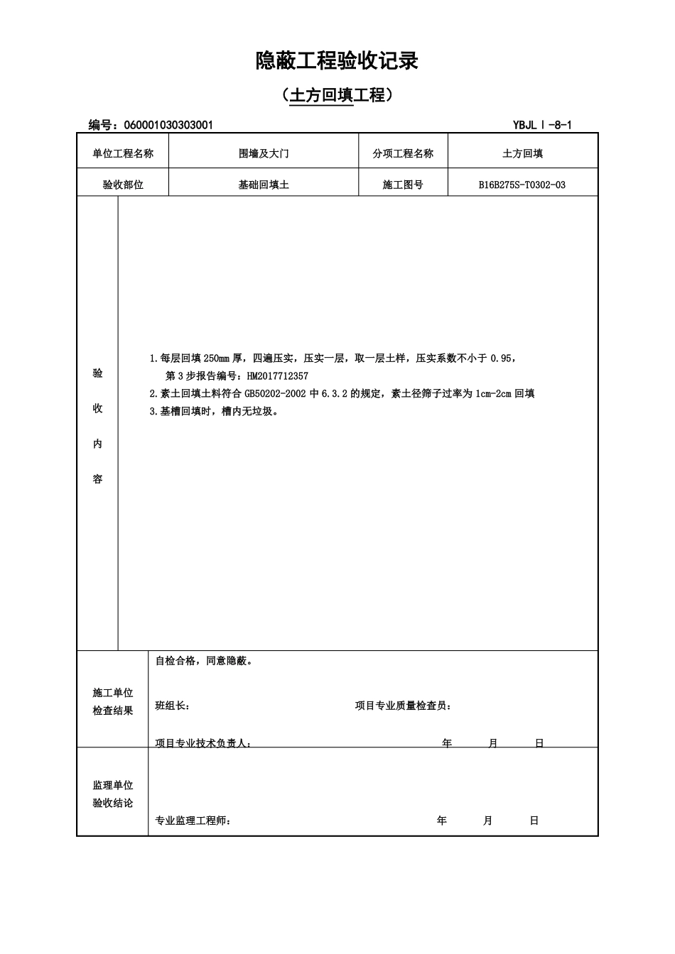
隐蔽工程验收记录(土方回填工程)编号:060001030303001 YBJLⅠ-8-1单位工程名称验收部位 1.基底土性第层粉质粘土 2.每层回填 250mm 厚,四遍压实,压实一层,取一层土样,压实系数不小于 0.95,验收内容第 1 步报告编号:HM20177123553. 素土回填土料符合 GB50202-2002 中 6.3.2 的规定,素土径筛子过率为 1cm-2cm 回填 4.基槽回填时,槽内无垃圾。围墙及大门基础回填土分项工程名称施工图号土方回填B16B275S-T0302-03自检合格,同意隐蔽。施工单位检查结果班组长:项目专业质量检查员:项目专业技术负责人:年月日监理单位验收结论专业监理工程师:年月日隐蔽工程验收记录(土方回填工程)编号:060001030303001 YBJLⅠ-8-1单位工程名称验收部位 1.每层回填 250mm 厚,四遍压实,压实一层,取一层土样,压实系数不小于 0.95,验收内容第 2 步报告编号:HM20177123562. 素土回填土料符合 GB50202-2002 中 6.3.2 的规定,素土径筛子过率为 1cm-2cm 回填 3.基槽回填时,槽内无垃圾。围墙及大门基础回填土分项工程名称施工图号土方回填B16B275S-T0302-03自检合格,同意隐蔽。施工单位检查结果班组长:项目专业质量检查员:项目专业技术负责人:年月日监理单位验收结论专业监理工程师:年月日隐蔽工程验收记录(土方回填工程)编号:060001030303001 YBJLⅠ-8-1单位工程名称验收部位 1.每层回填 250mm 厚,四遍压实,压实一层,取一层土样,压实系数不小于 0.95,验收内容第 3 步报告编号:HM20177123572.素土回填土料符合 GB50202-2002 中 6.3.2 的规定,素土径筛子过率为 1cm-2cm 回填 3.基槽回填时,槽内无垃圾。围墙及大门基础回填土分项工程名称施工图号土方回填B16B275S-T0302-03自检合格,同意隐蔽。施工单位检查结果班组长:项目专业质量检查员:项目专业技术负责人:年月日监理单位验收结论专业监理工程师:年月日隐蔽工程验收记录(土方回填工程)编号:060001030303001 YBJLⅠ-8-1单位工程名称验收部位 1.每层回填 250mm 厚,四遍压实,压实一层,取一层土样,压实系数不小于 0.95,验收内容第 4 步报告编号:HM20177123582.素土回填土料符合 GB50202-2002 中 6.3.2 的规定,素土径筛子过率为 1cm-2cm 回填 3.基槽回填时,槽内无垃圾。围墙及大门基础回填土分项工程名称施工图号土方回填B16B275S-T0302-03自检合格,同意隐蔽。施工单位检查结果班组长:项目专业质量检查员:...

1、当您付费下载文档后,您只拥有了使用权限,并不意味着购买了版权,文档只能用于自身使用,不得用于其他商业用途(如 [转卖]进行直接盈利或[编辑后售卖]进行间接盈利)。
2、本站所有内容均由合作方或网友上传,本站不对文档的完整性、权威性及其观点立场正确性做任何保证或承诺!文档内容仅供研究参考,付费前请自行鉴别。
3、如文档内容存在违规,或者侵犯商业秘密、侵犯著作权等,请点击“违规举报”。

碎片内容

土方回填隐蔽验收记录表

确认删除?
VIP
微信客服
  • 扫码咨询
会员Q群
  • 会员专属群点击这里加入QQ群
客服邮箱
回到顶部