电脑桌面
添加小米粒文库到电脑桌面
安装后可以在桌面快捷访问

第三章TIG焊接方法

第三章TIG焊接方法_第1页
1/25
第三章TIG焊接方法_第2页
2/25
第三章TIG焊接方法_第3页
3/25
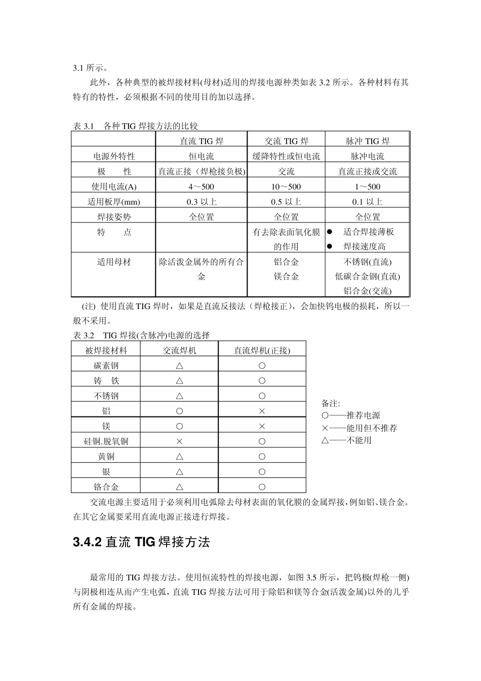
第三章T IG 焊接方法 3.1T IG 焊接方法的原理 3.1.1 前言 TIG 是英文Tu ngsten Inert Gas 的缩写,TIG 焊接方法是使用钨电极和惰性气体保护的一种弧焊技术,该技术于1930 年研究成功,最初阶段保护气体使用氦气,所以曾经使用氦弧焊的名称(Heli Arc),目前广泛使用氩气作为保护气体,所以又把TIG 焊接技术称之为氩弧焊技术。 3.1.2T IG 焊接方法的原理 图3.1 表示TIG 焊接方法的原理。 在TIG 焊接技术中,在不熔化的钨电极与母材之间产生电弧,利用氩气等惰性气体把熔融金属与空气隔开以起保护作用,利用电弧产生的高热量把母材进行熔化从而连结在一起。 在TIG焊接方法中有使用填充材料的填丝TIG和不使用填充材料只熔化母材的TIG焊。 图3.1 TIG 焊接方法的原理 3.2T IG 焊接方法的起弧方式 TIG 焊接方法中的起弧方式可分为三类:“高频振荡起弧方式”、“外加直流高压脉冲起弧方式”和“接触起弧方式”。最近,由于环境保护的要求,限制高频噪音的发生,所以在TIG 焊接方法中倾向于不使用“高频振荡起弧方式”。 1.高频振荡起弧方式 如图3.2 所示,电极与母材不接触,利用高频振荡打破电极与母材之间的绝缘状态,产生电弧。 图3.2 高频振荡起弧方式 2.外加直流高压脉冲起弧方式 如图3.3 所示,电极与母材不接触,利用外加直流高压脉冲产生电弧。 图3.3 外加直流高压脉冲起弧方式 3.接触起弧方式 如图3.4 所示,电极与母材接触的瞬间,把焊枪提升一点距离, 从而产生电弧。 图3.4 接触起弧方式 3.3T IG 焊接方法的主要特点 TIG 焊接方法的主要特点如下: ① 由于有惰性气体保护,对焊缝金属的保护效果好,所以在焊接金属中极少混入杂质,从而能取得高质量的焊接结果。 ② 能焊接工业中使用的几乎所有的金属(铅、锡等低熔点金属除外)。 ③ 没有飞溅,操作方便。 ④ 能实现任何形式的接头的焊接,而且焊接姿态不受限制。 ⑤ 即使在小电流区域也能得到稳定的电弧,所以能焊接薄板。另外TIG 焊接容易得到单面焊双面成型。 ⑥ 明弧,能观察电弧及熔池。 ⑦ 填充金属的添加量不受焊接电流的限制。 ⑧ 某些场合可不添加金属。 ⑨ 能进行脉冲焊接,减少热输入。 TIG 焊接方法的缺点是,惰性气体价格比较高,与MIG 焊接方法比较,其焊接速度慢(从而降低了焊接作业效率),受气体保护的电弧容易受环境中风的影响,焊缝金属易于受钨的污染。 3.4T IG 焊接方法的分类 3.4.1 ...

1、当您付费下载文档后,您只拥有了使用权限,并不意味着购买了版权,文档只能用于自身使用,不得用于其他商业用途(如 [转卖]进行直接盈利或[编辑后售卖]进行间接盈利)。
2、本站所有内容均由合作方或网友上传,本站不对文档的完整性、权威性及其观点立场正确性做任何保证或承诺!文档内容仅供研究参考,付费前请自行鉴别。
3、如文档内容存在违规,或者侵犯商业秘密、侵犯著作权等,请点击“违规举报”。

碎片内容

第三章TIG焊接方法

小辰7+ 关注
实名认证
内容提供者

出售各种资料和文档

相关文档

确认删除?
VIP
微信客服
  • 扫码咨询
会员Q群
  • 会员专属群点击这里加入QQ群
客服邮箱
回到顶部