电脑桌面
添加小米粒文库到电脑桌面
安装后可以在桌面快捷访问

第三章轴流压气机工作原理VIP专享

第三章轴流压气机工作原理_第1页
1/31
第三章轴流压气机工作原理_第2页
2/31
第三章轴流压气机工作原理_第3页
3/31
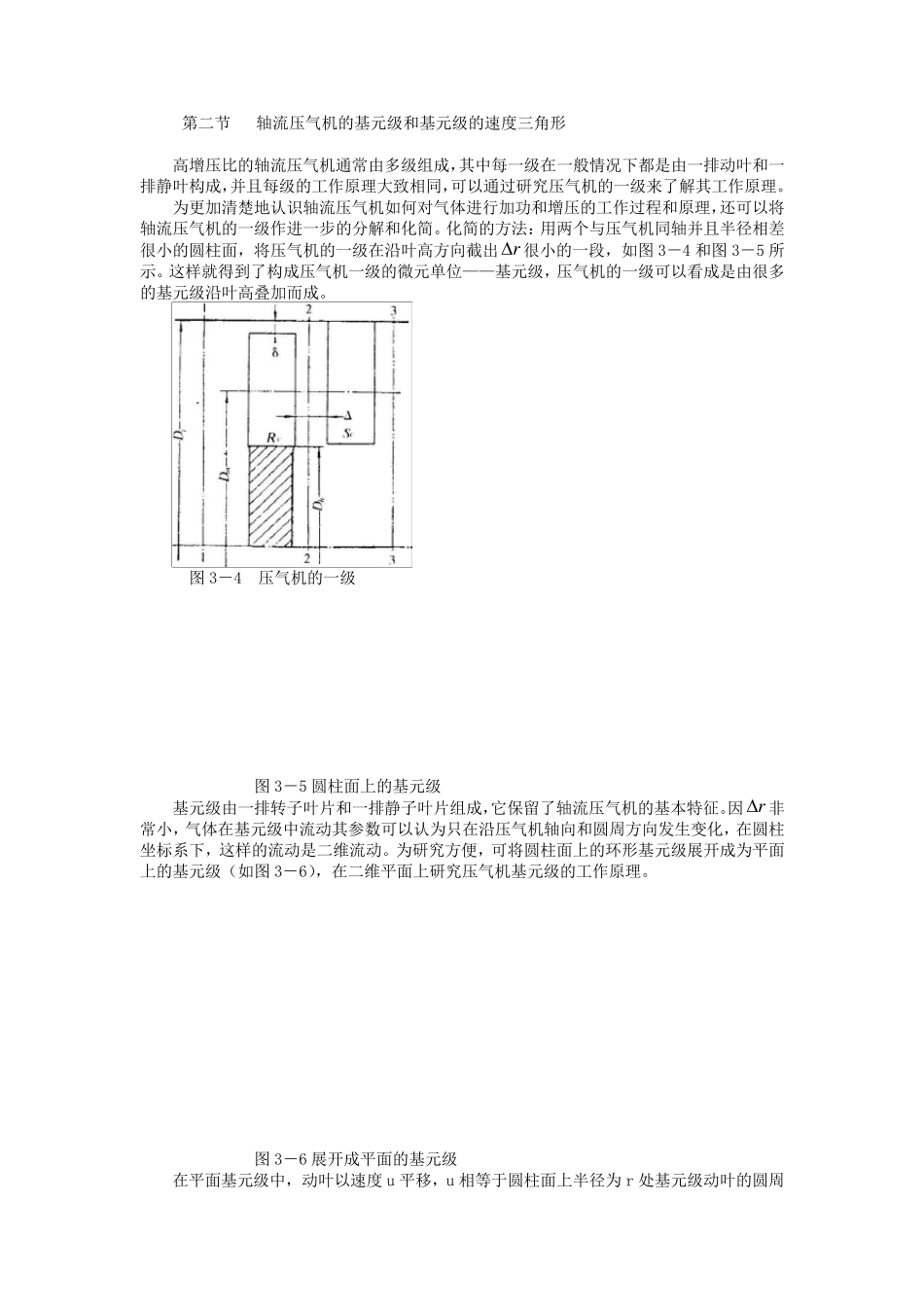
第三章 轴流压气机的工作原理 压气机是燃气涡轮发动机的重要部件之一,它的作用是给燃烧室提供经过压缩的高压、高温气体。根据压气机的结构和气流流动特点,可以把它分为两种主要型式:轴流式压气机和离心式压气机。本章论述轴流式压气机的基本工作原理,重点介绍压气机基元级和压气机一级的流动特性及工作原理。 第一节 轴流压气机的增压比和效率 轴流式压气机由两大部分组成,与压气机旋转轴相联接的轮盘和叶片构成压气机的转子,外部不转动的机匣和与机匣相联接的叶片构成压气机的静子。转子上的叶片称为动叶,静子上的叶片称为静叶。每一排动叶(包括动叶安装盘)和紧随其后的一排静叶(包括机匣)构成轴流式压气机的一级。图 3-1 为一台 10 级轴流压气机,在第一级动叶前设有进口导流叶片(静叶)。 图 3-1 多级轴流压气机 压气机的增压比定义为  1ppkk (3-1) kp :压气机出口截面的总压;1p :压气机进口截面的总压;*号表示用滞止参数(总参数)来定义。 依据工程热力学有关热机热力循环的理论,对于燃气涡轮发动机来讲,在一定范围内,压气机出口的压力愈高,则燃气涡轮发动机的循环热效率也就愈高。近六十年来,压气机的总增压比有了很大的提高,从早期 的总增压比 3.5 左 右 ,提高到 目 前的总增压比 40 以上。 图 3-2 压气机的总增压比发展 历 程 压气机的绝热效率定义为  kadkkLL (3-2) 效率公式定义的物理意义是将气体从1p 压缩到2p ,理想的、无摩擦的绝热等熵过程所需要的机械功adkL与实际的、有摩擦的、绝热熵增过程所需要的机械功kL 之比。 p1*pk*1kadkL*kL*ad ksh* 图 3-3 压气机热力过程焓熵图 由热焓形式能量方程(2-5)式、绝热条件、等熵过程的气动关系式)1(11)(kkadkadkppTT和Rkkcp1可以得到 )1(1)(111kkkadkpadkRTkkTTcL (3-3) )1(1)(111TTRTkkTTcLkkpk (3-4) 将(3-3)和(3-4)式代入到(3-2)式,则得到 1111TTkkkkk (3-5) 效率公式(3-5)式可以用来计算多级或单级压气机的绝热效率,也可以用来计算单排转子的绝热效率,只要kp 和kT 取相应出口截面处值即可。压气机静子不对气体作功,静子的性能不能用效率公式(3-5)式衡量,静子的气动品质用总压恢复系数23反映,23=p*静子出口/ p*静子进口 ...

1、当您付费下载文档后,您只拥有了使用权限,并不意味着购买了版权,文档只能用于自身使用,不得用于其他商业用途(如 [转卖]进行直接盈利或[编辑后售卖]进行间接盈利)。
2、本站所有内容均由合作方或网友上传,本站不对文档的完整性、权威性及其观点立场正确性做任何保证或承诺!文档内容仅供研究参考,付费前请自行鉴别。
3、如文档内容存在违规,或者侵犯商业秘密、侵犯著作权等,请点击“违规举报”。

碎片内容

第三章轴流压气机工作原理

小辰+ 关注
实名认证
内容提供者

出售各种文档和资料

确认删除?
VIP
微信客服
  • 扫码咨询
会员Q群
  • 会员专属群点击这里加入QQ群
客服邮箱
回到顶部