电脑桌面
添加小米粒文库到电脑桌面
安装后可以在桌面快捷访问

第三节工程材料的分类,编号及用途

第三节工程材料的分类,编号及用途_第1页
1/9
第三节工程材料的分类,编号及用途_第2页
2/9
第三节工程材料的分类,编号及用途_第3页
3/9
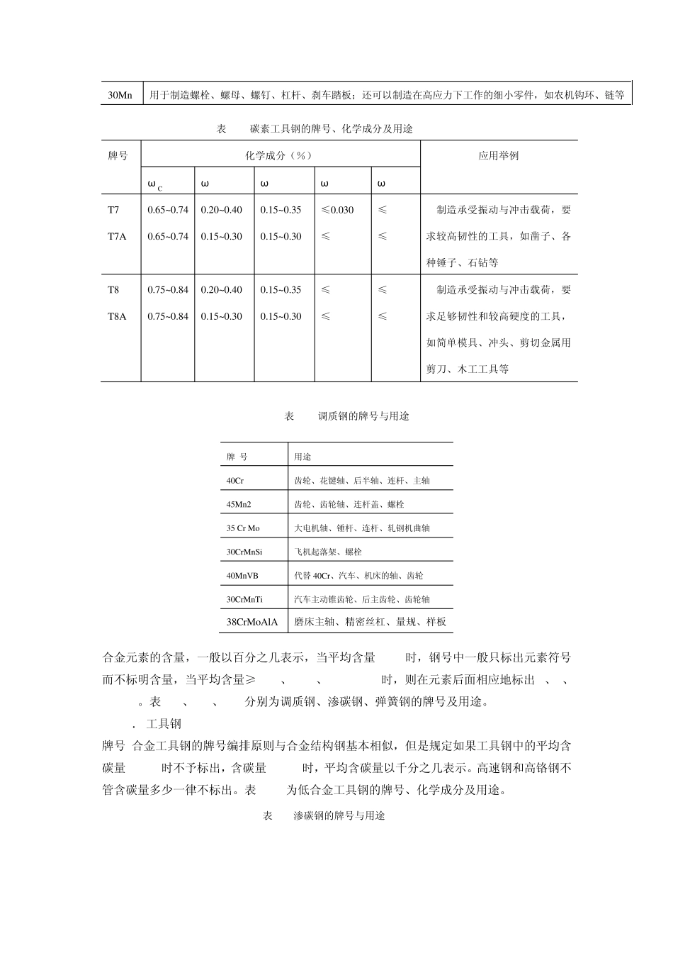
第三节 工程材料的分类、编号及用途 工程材料包括金属材料、有机高分子材料(聚合物)、无机非金属材料(陶瓷)和复合材料四大类。本节将重点介绍那些比较常用的工程材料。 一、金属材料 (一)钢铁 1.普通碳素结构钢 牌号 普通碳素结构钢的牌号由QXXX-Y.Z四部分组成,“Q”代表屈服点屈服强度的拼音首字母、XXX代表屈服应力数值、Y代表质量等级符号, Z代表脱氧方法。例如Q235-A.F表示屈服点强度为235MPa的A级沸腾钢。这类钢的牌号、化学成分及用途举例见表2-4。 表2-4普通碳素结构钢的牌号、化学成分与用途 牌 号 等级 化学成分(质量分数)(%) 脱氧方法 相当GB 700-79 应用举例 C Mn Si S P 不 大 于 Q195 — 0.06-0.12 0.25-0.50 0.30 0.050 0.045 F、b、Z A1、B1 用于制作钉子、铆钉、垫块及轻负荷的冲压件 Q215 A 0.09-0.15 0.25-0.55 0.30 0.050 0.045 F、b、Z A2 B2 B 0.045 Q235 A 0.14-0.22 0.30-0.65 0.30 0.050 0.045 F、b、Z A3 C3 — — 由于制作小轴、拉杆、连杆、螺栓、螺母、法兰等等不重要的零件 B 0.12-0.20 0.30-0.70 0.045 C ≤0.18 0.35-0.80 0.30 0.040 0.040 Z TZ D ≤0.17 0.035 0.035 Q255 A 0.18-0.28 0.40-0.70 0.30 0.050 0.045 Z A4 C4 用于制作拉杆、连杆、转轴、心轴、齿轮和键等 B 0.045 Q275 — 0.28-0.38 0.50-0.80 0.35 0.050 0.045 Z C5 注:1.表中符号:Q—屈服点“屈”字汉语拼音字母的字头;A、B、C、D—质量等级;F—沸腾钢;b—半镇静钢;z-镇静钢;TZ-特殊镇静钢。在牌号中 Z、TZ 符号予以省略。 2.拉伸试验值,适用于钢板厚度(或直径)为16mm以下的钢材值。 2.优质碳素结构钢 牌号 优质碳素结构钢的牌号由两个数字XX组成,表示含碳量万分之几。例如45钢表示含碳量为万分之四十五。对含锰量高的钢,须将锰元素标出。与普通碳素结构钢比优质钢的特点是有害杂质硫、磷含量低,均限制在 0.04%(质量分数)以下。 3.碳素工具钢 牌号 碳素工具钢的牌号由T XX两部分组成,既钢号前冠以“碳”或“T”,表示碳素工具钢,其后跟一组数字,表示含碳量的千分之几。碳素工具钢含碳量一般在 0.65%-1.35%之间,特点是材料硬度较高,韧性较差,有害杂质少。常见碳素工具钢的牌号、化学成分及用途如表2-6。 4.合金结构钢 牌号 合金结构钢的牌号编排原则是采用“数字+化学元素+数字”的方法...

1、当您付费下载文档后,您只拥有了使用权限,并不意味着购买了版权,文档只能用于自身使用,不得用于其他商业用途(如 [转卖]进行直接盈利或[编辑后售卖]进行间接盈利)。
2、本站所有内容均由合作方或网友上传,本站不对文档的完整性、权威性及其观点立场正确性做任何保证或承诺!文档内容仅供研究参考,付费前请自行鉴别。
3、如文档内容存在违规,或者侵犯商业秘密、侵犯著作权等,请点击“违规举报”。

碎片内容

第三节工程材料的分类,编号及用途

确认删除?
VIP
微信客服
  • 扫码咨询
会员Q群
  • 会员专属群点击这里加入QQ群
客服邮箱
回到顶部