电脑桌面
添加小米粒文库到电脑桌面
安装后可以在桌面快捷访问

编码器配线说明

编码器配线说明_第1页
1/12
编码器配线说明_第2页
2/12
编码器配线说明_第3页
3/12
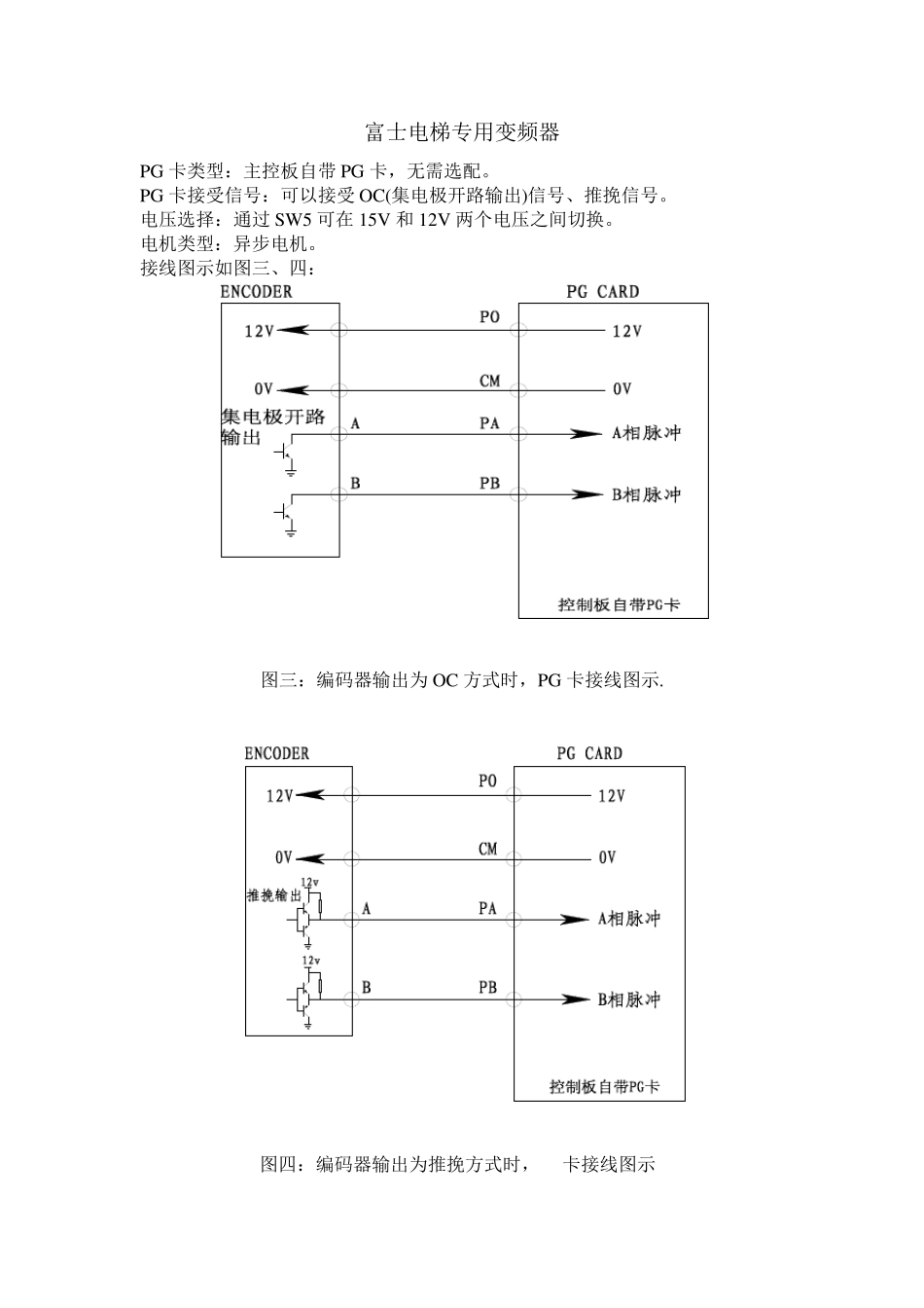
有齿轮曳引机编码器与不同品牌变频器连接配线说明 安川变频器 PG 卡类型:PG-B2 卡。 PG 卡接受信号:可以接受OC(集电极开路输出)信号、推免信号。 电机类型:异步电机。 接线图示如图一、二: 图一:编码器输出为 OC 方式时,PG 卡接线图示. 图二:编码器输出为推挽方式时,PG 卡接线图示. 富士电梯专用变频器 PG 卡类型:主控板自带PG 卡,无需选配。 PG 卡接受信号:可以接受OC(集电极开路输出)信号、推挽信号。 电压选择:通过 SW 5 可在 15V 和 12V 两个电压之间切换。 电机类型:异步电机。 接线图示如图三、四: 图三:编码器输出为 OC 方式时,PG 卡接线图示. 图四:编码器输出为推挽方式时,PG卡接线图示. 新时达iAstar 变频器 PG 卡类型:AS.T002。 PG 卡接受信号:可以接受OC(集电极开路输出)信号、推挽信号。 电机类型:异步电机。 接线图示如图五、六: 图五:编码器输出为 OC 方式时,PG 卡接线图示. 图六:编码器输出为推挽方式时,PG 卡接线图示. 爱默生TD3100 系列电梯专用变频器 PG 卡类型:TD3100 接口板。 PG 卡接受信号:可以接受OC(集电极开路输出)信号、推挽信号。 电机类型:异步电机。 接线图示如图七、八: 图七:编码器输出为 OC 方式时,PG 卡接线图示. 图八:编码器输出为推挽方式时,PG 卡接线图示. 默纳克电梯专用变频器 PG 卡类型:MCTC-PG-A。 PG 卡接受信号:可以接受OC(集电极开路输出)信号、推挽信号。 电机类型:异步电机。 接线图示如图九、十: 图九:编码器输出为 OC 方式时,PG 卡接线图示. 图十:编码器输出为推挽方式时,PG卡接线图示. 明电舍VT240EL PG 卡类型:V 24-DN1。 PG 卡接受信号:可以接受OC(集电极开路输出)信号、推挽信号。 电机类型:异步电机。 接线图示如图十一、十二: 图十一:编码器输出为 OC 方式时,PG 卡接线图示. 图十二:编码器输出为推挽方式时,PG卡接线图示. HITAKE 变频器 PG 卡类型:PGB-2H-B06。 PG 卡接受信号:可以接受OC(集电极开路输出)信号、推免信号。 接线图示如图十三、十四: 图十三:编码器输出为 OC 方式时,PG 卡接线图示. 图十四:编码器输出为推挽方式时,PG 卡接线图示. 无有齿轮曳引机编码器与不同品牌变频器连接配线说明(同步电机 编码器配线) 安川L 7B 变频器 PG card ty pe:PG-X2。 PG 卡接受信号:差分信号(线驱)。 接...

1、当您付费下载文档后,您只拥有了使用权限,并不意味着购买了版权,文档只能用于自身使用,不得用于其他商业用途(如 [转卖]进行直接盈利或[编辑后售卖]进行间接盈利)。
2、本站所有内容均由合作方或网友上传,本站不对文档的完整性、权威性及其观点立场正确性做任何保证或承诺!文档内容仅供研究参考,付费前请自行鉴别。
3、如文档内容存在违规,或者侵犯商业秘密、侵犯著作权等,请点击“违规举报”。

碎片内容

编码器配线说明

您可能关注的文档

确认删除?
VIP
微信客服
  • 扫码咨询
会员Q群
  • 会员专属群点击这里加入QQ群
客服邮箱
回到顶部