电脑桌面
添加小米粒文库到电脑桌面
安装后可以在桌面快捷访问

编解码集成电路介绍

编解码集成电路介绍_第1页
1/13
编解码集成电路介绍_第2页
2/13
编解码集成电路介绍_第3页
3/13
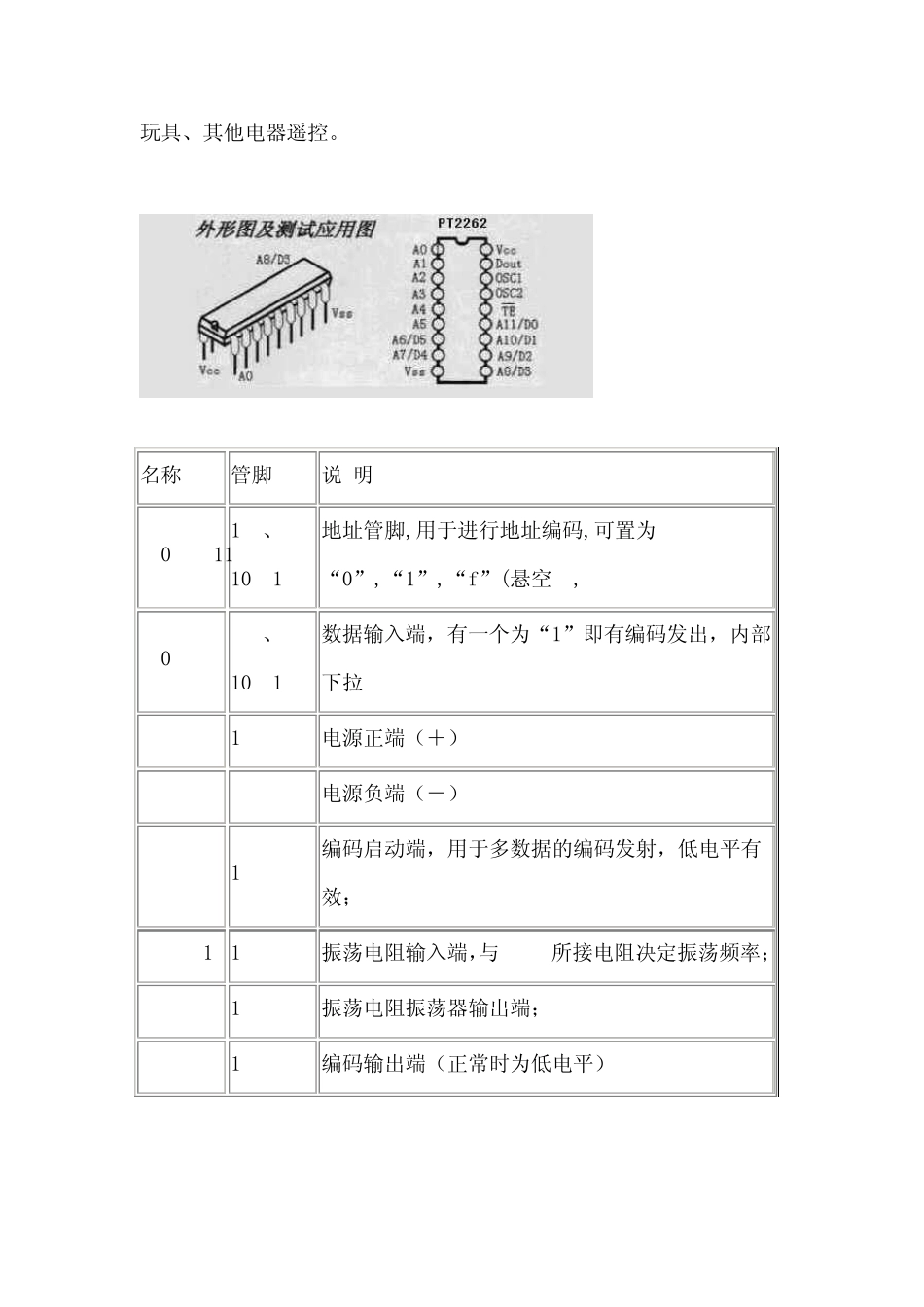
编码解码芯片PT2262/PT2272芯片原理简介: PT2262/2272是台湾普城公司生产的一种CMOS工艺制造的低功耗低价位通用编解码电路,PT2262/2272最多可有12位(A0-A11)三态地址端管脚(悬空,接高电平,接低电平),任意组合可提供531441地址码,PT2262最多可有6位(D0-D5)数据端管脚,设定的地址码和数据码从17脚串行输出,可用于无线遥控发射电路。 编码芯片PT2262发出的编码信号由:地址码、数据码、同步码组成一个完整的码字,解码芯片PT2272接收到信号后,其地址码经过两次比较核对后,VT脚才输出高电平,与此同时相应的数据脚也输出高电平,如果发送端一直按住按键,编码芯片也会连续发射。当发射机没有按键按下时,PT2262不接通电源,其 17脚为低电平,所以 315MHz的高频发射电路不工作,当有按键按下时,PT2262得电工作,其第 17脚输出经调制的串行数据信号,当 17脚为高电平期间 315MHz的高频发射电路起振并发射等幅高频信号,当 17脚为低平期间 315MHz的高频发射电路停止振荡,所以高频发射电路完全收控于PT2262的17脚输出的数字信号,从而对高频电路完成幅度键控(ASK调制)相当于调制度为 100%的调幅。 PT2262/2272特点:CMOS工艺制造,低功耗,外部元器件少,RC振荡电阻,工作电压范围宽:2.6~15v ,数据最多可达 6位,地址码最多可达 531441种。应用范围:车辆防盗系统、家庭防盗系统、遥控玩具、其他电器遥控。 名称 管脚 说 明 A0-A11 1-8、10-13 地址管脚,用于进行地址编码,可置为“0”,“1”,“f”(悬空), D0-D5 7-8、10-13 数据输入端,有一个为“1”即有编码发出,内部下拉 Vcc 18 电源正端(+) Vss 9 电源负端(-) TE 14 编码启动端,用于多数据的编码发射,低电平有效; OSC1 16 振荡电阻输入端,与 OSC2所接电阻决定振荡频率; OSC2 15 振荡电阻振荡器输出端; Dout 17 编码输出端(正常时为低电平) 在具体的应用中,外接振荡电阻可根据需要进行适当的调节,阻值越大振荡频率越慢,编码的宽度越大,发码一帧的时间越长。网站上大部分产品都是用2262/1.2M=2272/200K组合的,少量产品用2262/4.7M=2272/820K。 名称 管脚 说 明 A0-A11 1-8、10-13 地址管脚,用于进行地址编码,可置为“0”,“1”,“f”(悬空),必须与 2262一致,否则不解码 D0-D5 7-8、10-13 地址或数据管脚,当做为数据管脚时,只有在地址码与 2262一致,数据管脚才能输出与 2262数据端对应的高电平,否则输出为低...

1、当您付费下载文档后,您只拥有了使用权限,并不意味着购买了版权,文档只能用于自身使用,不得用于其他商业用途(如 [转卖]进行直接盈利或[编辑后售卖]进行间接盈利)。
2、本站所有内容均由合作方或网友上传,本站不对文档的完整性、权威性及其观点立场正确性做任何保证或承诺!文档内容仅供研究参考,付费前请自行鉴别。
3、如文档内容存在违规,或者侵犯商业秘密、侵犯著作权等,请点击“违规举报”。

碎片内容

编解码集成电路介绍

确认删除?
VIP
微信客服
  • 扫码咨询
会员Q群
  • 会员专属群点击这里加入QQ群
客服邮箱
回到顶部