电脑桌面
添加小米粒文库到电脑桌面
安装后可以在桌面快捷访问

网架矩形橡胶支座节点技术手册

网架矩形橡胶支座节点技术手册_第1页
1/15
网架矩形橡胶支座节点技术手册_第2页
2/15
网架矩形橡胶支座节点技术手册_第3页
3/15
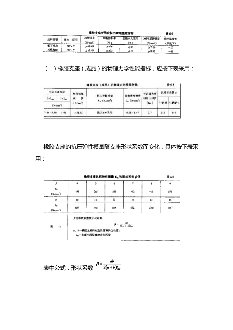
网 架 矩 形 橡 胶 支 座 节 点 技 术 手 册 板 式 橡 胶 支 座 是 由 多 层 橡 胶 片 和 薄 钢 板 粘 合 硫 化 而 成 。 它 除 了 能将 上 部 网 架 结 构 的 垂 直 集 中 压 力 传 给 柱 、 墙 或 梁 外 , 还 能 适 应 网 架 结构 所 产 生 的 水 平 位 移 和 转 角 。 板 式 橡 胶 支 座 节 点 , 构 造 简 单 、 经 济 、安 装 方 便 , 适 用 于 大 中 跨 度 的 网 架 。 用 于 网 架 结 构 的 板 式 橡 胶 支 座 连 接 节 点 的 板 式 橡 胶 支 座 , 分 为 氯丁 橡 胶 支 座 和 天 然 橡 胶 支 座 。 气 温 不 低 于 -25℃的 地区可采用 氯 丁 橡胶 支 座 ;气 温 在-25℃至-40℃的 地区可采用 天 然 橡 胶 支 座 。 板 式 橡 胶 支 座 的 设计指标, 应 按以下要求确定: (1)橡 胶 支 座 所 用 的 胶 料的 物理机械性能 指标, 应 按下表采用 : ( 2) 橡 胶 支 座 ( 成 品 ) 的 物 理 力 学 性 能 指 标 , 应 按 下表采用: 橡 胶 支 座 的 抗压弹性 模量随支 座 形状系数而变化, 具体按 下表采用: 表中公式:形状系数 参 数 说 明 :、 为橡胶支座短边长度和长边长度,可参 考下文中表格确定; 为支座中间层橡胶片的厚度。 (3)橡胶支座中间加劲用薄钢板,应采用符合国家标准《碳素结构钢技术条件》(GB/T700-88)规定的 Q235钢或符合国家标准《低合金结构钢》(GB/T1591-1994)规定的 Q345钢和 Q390钢。其屈服点、抗拉强度及厚度的偏差均应符合国家标准《普通碳素结构钢和低合金结构钢薄钢板技术条件》(GB912)的有关规定。 薄钢板的厚度不应小于2mm。平面尺寸应比橡胶板每边小5mm。浇注橡胶前,必须对钢板除锈、去油污、清擦干净,并将周边应仔细加工,以防粘结不良和避免产生应力集中。 设计板式橡胶支座时,应按要求计算确定,同时应满足以下的构造要求: (1)板式橡胶支座的平面尺寸短边( )与长边( )之比,一般可在 1:1~1:1.5的范围内采用。为便于支座的转动,短边应放置在平行于网架跨度的方向,长边则垂直于网架跨度的方向;同时应根据工程地质条件、抗震设防要求以及网架下部支承情况等,正确选用和合理布置橡胶支座。 ( 2)板 式 橡...

1、当您付费下载文档后,您只拥有了使用权限,并不意味着购买了版权,文档只能用于自身使用,不得用于其他商业用途(如 [转卖]进行直接盈利或[编辑后售卖]进行间接盈利)。
2、本站所有内容均由合作方或网友上传,本站不对文档的完整性、权威性及其观点立场正确性做任何保证或承诺!文档内容仅供研究参考,付费前请自行鉴别。
3、如文档内容存在违规,或者侵犯商业秘密、侵犯著作权等,请点击“违规举报”。

碎片内容

网架矩形橡胶支座节点技术手册

您可能关注的文档

确认删除?
VIP
微信客服
  • 扫码咨询
会员Q群
  • 会员专属群点击这里加入QQ群
客服邮箱
回到顶部