电脑桌面
添加小米粒文库到电脑桌面
安装后可以在桌面快捷访问

罗茨真空泵机组的选配与使用注意事项

罗茨真空泵机组的选配与使用注意事项_第1页
1/10
罗茨真空泵机组的选配与使用注意事项_第2页
2/10
罗茨真空泵机组的选配与使用注意事项_第3页
3/10
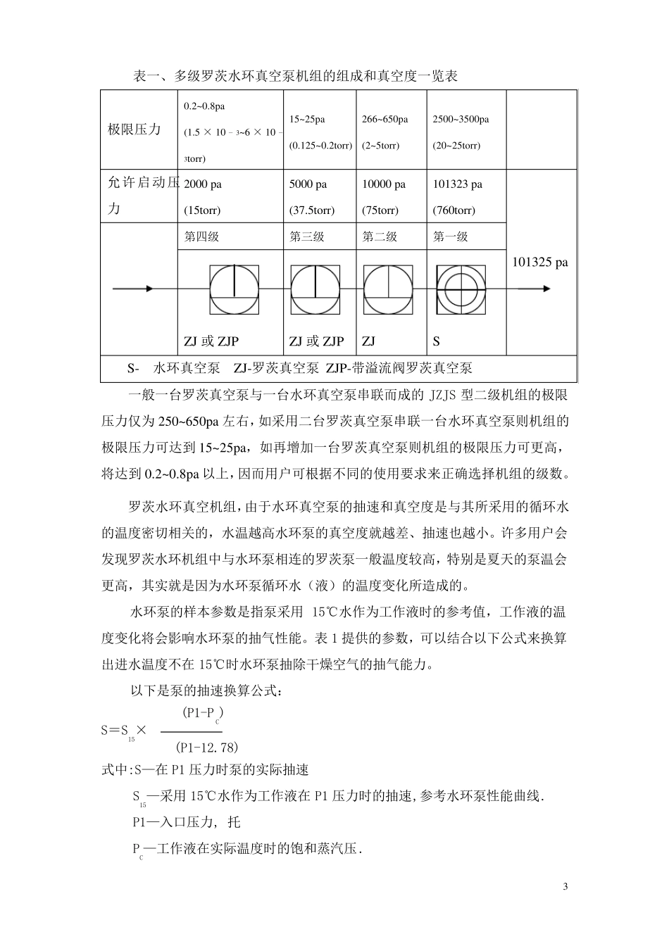
1 罗 茨 真 空 泵 机 组 的 选 配 与 使 用 注 意 事 项 一、 前级泵的选配与连接 1、 前 级 泵 的 选 配 普 通 罗 茨 真 空 泵 是 不 能 单 独 使 用 的 , 必 须 配 上 合 适 的 前 级 真 空 泵 组 成 机组 使 用 。 前 级 真 空 泵 的 作 用 是 降 低 罗 茨 真 空 泵 的 排 出 压 力 , 使 罗 茨 真 空 泵 的进 、 排 气 压 差 和 压 缩 比 被 控 制 在 一 定 范 围 内 。 由 于 罗 茨 真 空 泵 的 压 缩 比 是 有限 的 , 所 以 选 择 前 级 真 空 泵 的 抽 速 很 重 要 。 罗 茨 真 空 泵 的 最 大 压 缩 比 是 随 排出 压 力 的 变 化 而 变 化 的 , 在 高 排 出 压 力 下 , 最 大 压 缩 比 为 3: 1, 而 最 高 压 缩比 是 在 排 出 压 力 为1 到 10mbar 之 间 ( 1 mbar= 0.75Torr) 可 达 40:1, 甚 至 更高 些 。 选 择 前 级 泵 的 抽 速 , 要 根 据 罗 茨 真 空 泵 机 组 的 长 期 工 作 压 力 范 围 来 考 虑 。 另外 应 当 考 虑 的 是 , 对 预 抽 时 间 长 短 的 要 求 问 题 , 如 果 正 常 工 作 时 间 远 比 预 抽 时 间长 , 可 选 较 小 的 前 级 泵 ; 假 如 真 空 室 较 大 , 而 且 要 求 很 快 达 到 预 抽 真 空 度 , 就 要用 较 大 的 前 级 泵 。 还 有 必 须 要 注 意 的 是 罗 茨 泵 的 实 际 运 行时 的 压 差 不 得超过其最大 允许压 差 , 一 般建议控 制 在75%以 下 , 否则罗 茨 泵 会出 现过热、 过载或咬死等情况。 型 号 抽 气 速 率 L/s 最 大 允许压 差 Pa 配 用 功率 Kw 转 速 rpm 进 气 口直径 mm 排 气 口直径 mm 整机 质量 Kg ZJ-70 70 ≥6*103 1.5 2900 80 50 95 ZJ-150 150 ≥6*103 3 2900 100 80 165 ZJ-300 300 ≥5*103 4 2900 160 100 275 ZJ-600 600 ≥4*103 5.5 2900 200 160 420 图 3-1排 出 压 力 P出 (mbar)10100压缩比K010-1101011021033 2 Z J-1200 1200 ≥3*103 11 2900 250 200 980 Z J-2500 2500 ≥3*103 18....

1、当您付费下载文档后,您只拥有了使用权限,并不意味着购买了版权,文档只能用于自身使用,不得用于其他商业用途(如 [转卖]进行直接盈利或[编辑后售卖]进行间接盈利)。
2、本站所有内容均由合作方或网友上传,本站不对文档的完整性、权威性及其观点立场正确性做任何保证或承诺!文档内容仅供研究参考,付费前请自行鉴别。
3、如文档内容存在违规,或者侵犯商业秘密、侵犯著作权等,请点击“违规举报”。

碎片内容

罗茨真空泵机组的选配与使用注意事项

您可能关注的文档

确认删除?
VIP
微信客服
  • 扫码咨询
会员Q群
  • 会员专属群点击这里加入QQ群
客服邮箱
回到顶部