电脑桌面
添加小米粒文库到电脑桌面
安装后可以在桌面快捷访问

老泥浆池处理方案

老泥浆池处理方案_第1页
1/8
老泥浆池处理方案_第2页
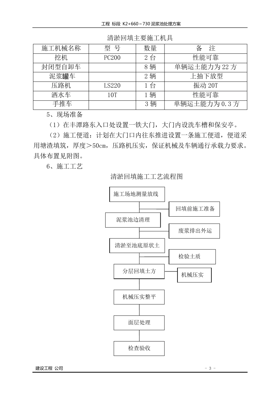
2/8
老泥浆池处理方案_第3页
3/8
工 程 标 段 K2+660~ 730 泥 浆 池 处 理 方 案 建 设 工 程 公 司 - 1 - 某某泥浆池处理方案 一、工程概况 本工程与丰潭路交叉口以东 K2+660~K2+730 区域,道路中心线北侧有一土建单位遗留的大型泥浆池。该泥浆池占地面积大,泥浆池内泥浆沉淀而成的淤泥层厚度达 2.5m,且该泥浆池位于隧道基坑内,严重影响我隧道U 型槽基坑围护工程的施工。为了加快我丰潭路东的施工进度,及时开展隧道基坑围护工程的施工,计划对此泥浆池进行清淤换填地基处理,优质粘土、砂土、粉质粘土、粉土可作为换填料,特编制换填处理方案。 清淤换填范围:整个泥浆池。根据定位测量泥浆池平均宽度约 22.5m,长度约 70m,总占地面积约 1575m2。具体详见附图。 二、施工准备及施工工艺 1、组织准备 建立泥浆池清淤换填地基处理组织机构,如下: 2、技术准备 (1)熟悉施工图纸,组织有关人员现场勘察地形、地貌,实地了解施工现场及周围情况。 (2)由项目技术负责人对工程部施工组做 好 各 级 技术准备和 技术、安全 交底 工作并 做 好 记 录 。施工员、测量员要 领 会 施工方案的作业 要 求 ,建立现场高 程控 制点 ,并 做 好 相 应 保 护工作。 (3)土方回 填前 ,由技术部向 作业 班 组、质检 员进行详细 的技术交底 ,将 回 填区域的划分 、碾 压 压 实参 数 、施工方法 等 问 题 交代 清楚 。 3、材 料准备 项 目 经 理 : 技 术 负 责 人 : 专职安全员: 施工 现场负 责 人 : 机械操作人 员 项 目 副经 理 : 工 程 标 段 K2+660~ 730 泥 浆 池 处 理 方 案 建 设 工 程 公司 - 2 - (1)本次泥浆池清淤回填处理选用回填料全部为外购。为保证填方地基的强度和稳定性,含水量符合压实要求的粘性土、砂土可作为回填料,淤泥和淤泥质土不能用作回填料。 (2)填土土料含水量的大小,直接影响到夯实(碾压)质量,在夯实(碾压)前应先试验,以得到符合密实度要求条件下的最优含水量和最少夯实(或碾压)遍数。含水量过小,夯压(碾压)不实;含水量过大,则易成橡皮土。各种土的最优含水量和最大密实度参考数值见下表。粘性土料施工含水量与最优含水量之差可控制在-4%~+2%范围内(使用振动碾压时,可控制在-6%~+2%范围内)。 土的最优含水量和最大密实度参考 项次 土的种类 变动范围 最优含水量(%)(重量比)...

1、当您付费下载文档后,您只拥有了使用权限,并不意味着购买了版权,文档只能用于自身使用,不得用于其他商业用途(如 [转卖]进行直接盈利或[编辑后售卖]进行间接盈利)。
2、本站所有内容均由合作方或网友上传,本站不对文档的完整性、权威性及其观点立场正确性做任何保证或承诺!文档内容仅供研究参考,付费前请自行鉴别。
3、如文档内容存在违规,或者侵犯商业秘密、侵犯著作权等,请点击“违规举报”。

碎片内容

老泥浆池处理方案

您可能关注的文档

确认删除?
VIP
微信客服
  • 扫码咨询
会员Q群
  • 会员专属群点击这里加入QQ群
客服邮箱
回到顶部