电脑桌面
添加小米粒文库到电脑桌面
安装后可以在桌面快捷访问

职业健康禁忌症

职业健康禁忌症_第1页
1/10
职业健康禁忌症_第2页
2/10
职业健康禁忌症_第3页
3/10
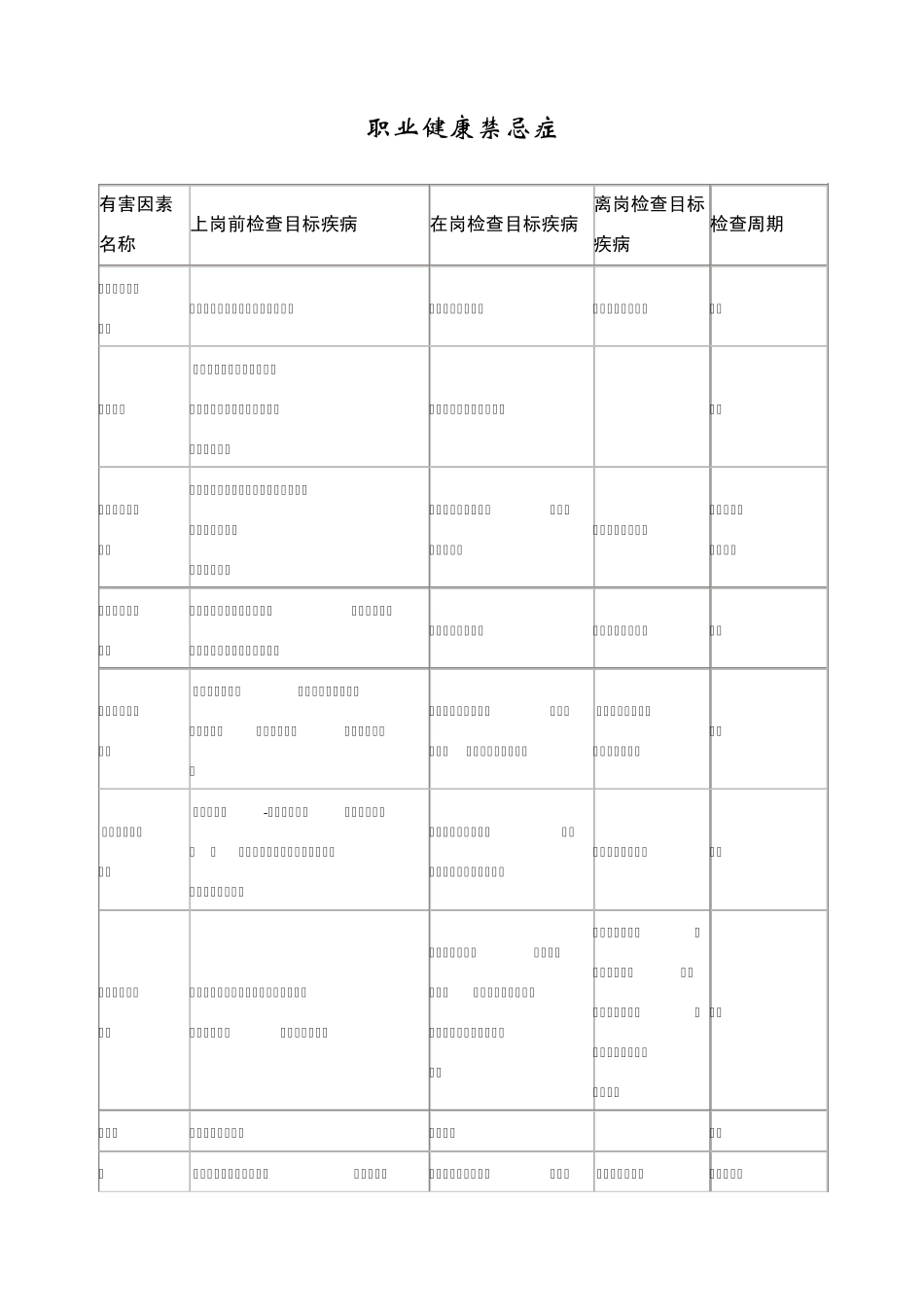
职业健康禁忌症 有害因素名称 上岗前检查目标疾病 在岗检查目标疾病 离岗检查目标疾病 检查周期 铅及其无机化合物 贫血、卟啉病、多发性周围神经病 职业性慢性铅中毒 职业性慢性铅中毒 一年 四乙基铅 中枢神经系统器质性疾病、 严重自主神经功能紊乱性疾病 各类精神疾病 职业性急性四乙基铅中毒 二年 汞及其无机化合物 慢性口腔炎、慢性肾脏疾病、中枢神经系统器质性疾病 、各类精神病 职业性急性汞中毒、职业性慢性汞中毒 职业性慢性汞中毒 一年一次; 二年一次 锰及其无机化合物 中枢神经系统器质性疾病、各类精神病、 严重自主神经功能紊乱性疾病 职业性慢性锰中毒 职业性慢性锰中毒 一年 铍及其无机化合物 活动性肺结核、 慢性阻塞性肺病、支气管哮喘、支气管扩张、 慢性间质性肺病 职业性急性铍中毒、职业性铍病、职业性铍过敏性皮炎 职业性铍病、职业性铍过敏性皮炎 一年 镉及其无机化合物 慢性肾小管-间质性肾病、慢性阻塞性肺病 、 支气管哮喘、慢性间质性肺病、原发性骨质疏松症 职业性慢性镉中毒、 职业性急性镉中毒、金属烟热 职业性慢性镉中毒 一年 铬及其无机化合物 慢性皮炎、慢性肾炎、慢性鼻炎、慢性阻塞性肺病、 慢性间质性肺病 职业性铬鼻病、 职业性铬溃疡、 职业性铬所致皮炎、职业性铬酸盐制造业工人肺癌 职业性铬鼻病、 职业性铬溃疡、 职业性铬所致皮炎、 职业性铬酸盐制造业工人肺癌 一年 氧化锌 甲状腺功能亢进症 金属烟热 二年 砷 慢性肝炎、周围神经病、 严重慢性皮职业性慢性砷中毒、职业性 职业性慢性砷中一年一次; 肤病 砷所致肺癌、皮肤癌 毒、 职业性砷所致肺癌、皮肤癌 二年一次 胂 /砷化氢 (砷化三氢) 贫血、 慢性肾小管-间质性肾病、慢性肾小球肾炎 职业性急性砷化氢中毒 二年 磷及其无机化合物 慢性牙周炎、牙本质病变、下颌骨疾病、慢性肝炎、慢性肾炎 职业性慢性磷中毒、职业性急性磷中毒、 职业性黄磷皮肤灼伤 职业性慢性磷中毒 一年 磷化氢 支气管扩张、 慢性阻塞性肺病、慢性间质性肺病、心肌病、 慢性肝炎 职业性急性磷化氢中毒 二年 钡化合物(氯化钡、硝酸钡、醋酸钡) 钾代谢障碍、 肌肉系统疾病、心肌病 职业性急性钡中毒 二年 钒及其无机化合物 慢性阻塞性肺病、慢性间质性肺病、支气管哮喘、支气管扩张 职业性急性钒中毒 二年 有机锡化合物 中枢神经系统器质性疾病、 慢性肝炎 、慢性肾炎...

1、当您付费下载文档后,您只拥有了使用权限,并不意味着购买了版权,文档只能用于自身使用,不得用于其他商业用途(如 [转卖]进行直接盈利或[编辑后售卖]进行间接盈利)。
2、本站所有内容均由合作方或网友上传,本站不对文档的完整性、权威性及其观点立场正确性做任何保证或承诺!文档内容仅供研究参考,付费前请自行鉴别。
3、如文档内容存在违规,或者侵犯商业秘密、侵犯著作权等,请点击“违规举报”。

碎片内容

职业健康禁忌症

确认删除?
VIP
微信客服
  • 扫码咨询
会员Q群
  • 会员专属群点击这里加入QQ群
客服邮箱
回到顶部