电脑桌面
添加小米粒文库到电脑桌面
安装后可以在桌面快捷访问

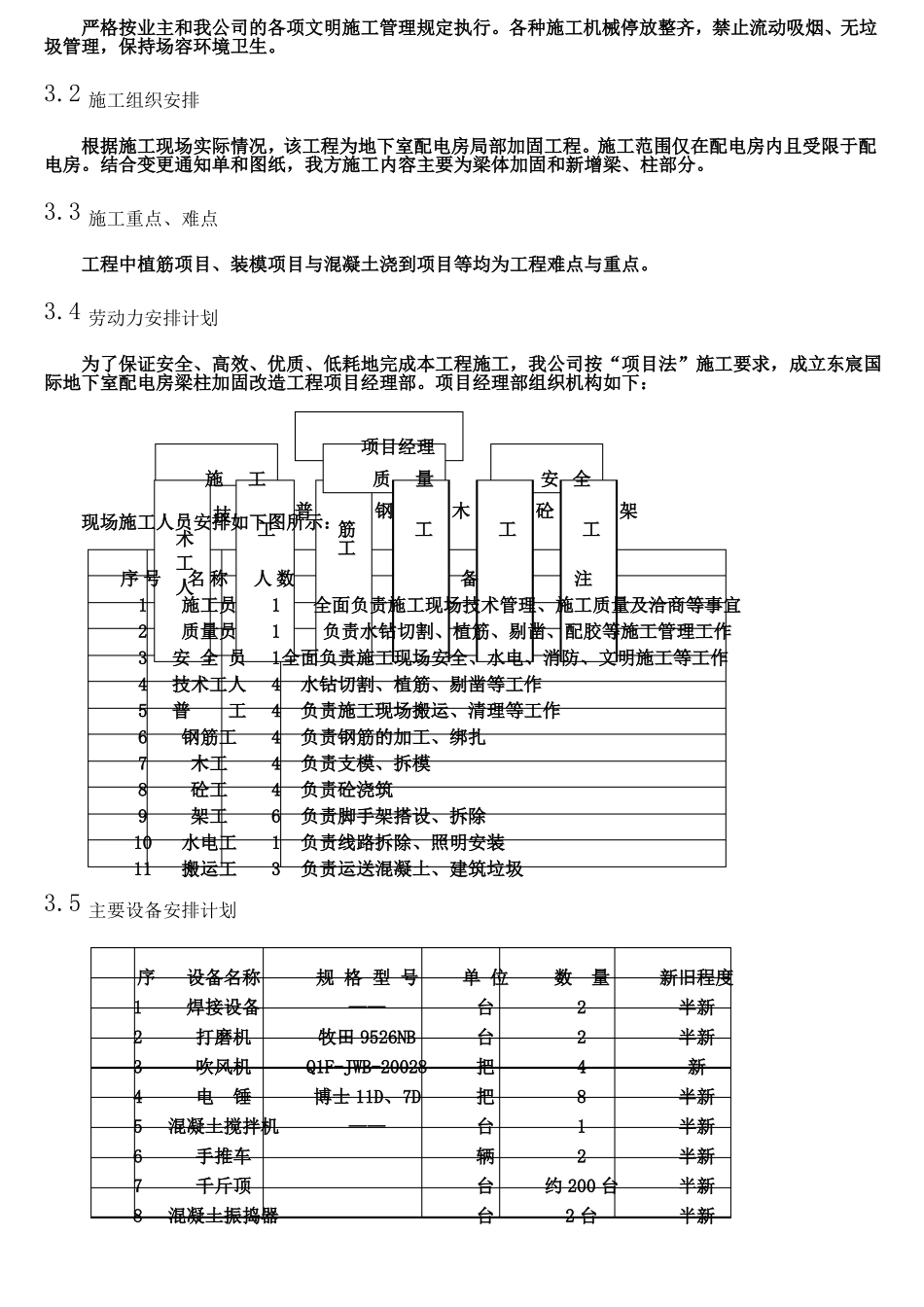
地下室加固工程施工方案

地下室加固工程施工方案_第1页
1/19
地下室加固工程施工方案_第2页
2/19
地下室加固工程施工方案_第3页
3/19
施工方案二 O 一二年四月十五日目录1. 工程概况 .............................................................. 22. 编制依据 .............................................................. 23. 施工部署 .............................................................. 23.1 工程目标.......................................................... 23.2 施工组织安排...................................................... 33.3 施工重点、难点 .................................................... 33.4 劳动力安排计划 .................................................... 33.5 主要设备安排计划 .................................................. 34. 主要分部分项工程的施工方法 ............................................ 34.1 钢筋工程.......................................................... 44.2 模板工程.......................................................... 54.2.1 柱模板安装与拆除施工工艺标准................................. 54.2.2 梁模板安装与拆除施工工艺标准................................. 64.3 混凝土工程........................................................ 84.4 搭设脚手架........................................................ 84.5 负二层顶板加固支撑 ............................................... 105. 具体施工工艺 ......................................................... 105.1 梁体凿毛......................................................... 105.2 箍筋焊接:....................................................... 115.3 植筋............................................................. 135.4 梁、柱体钢筋绑扎 ................................................. 155.5 混凝土浇到施工 ................................................... 171. 工程概况(1)、工程名称:东宸国际(原宇宙星城)地下室配电房加固工程(2)、工程地点:长沙市开福区,湘春路与黄兴北路交汇处的东南侧(3)、设计单位:长宇(珠海)国际建筑设计有限公司(4)、建设单位:湖南宏宇宙投资有限公司 (5)、设计单位:长宇(珠海)国际建筑设计有限公司(6)、工程规模及特征:配电房加固面积:约 2...

1、当您付费下载文档后,您只拥有了使用权限,并不意味着购买了版权,文档只能用于自身使用,不得用于其他商业用途(如 [转卖]进行直接盈利或[编辑后售卖]进行间接盈利)。
2、本站所有内容均由合作方或网友上传,本站不对文档的完整性、权威性及其观点立场正确性做任何保证或承诺!文档内容仅供研究参考,付费前请自行鉴别。
3、如文档内容存在违规,或者侵犯商业秘密、侵犯著作权等,请点击“违规举报”。

碎片内容

地下室加固工程施工方案

您可能关注的文档

确认删除?
VIP
微信客服
  • 扫码咨询
会员Q群
  • 会员专属群点击这里加入QQ群
客服邮箱
回到顶部