电脑桌面
添加小米粒文库到电脑桌面
安装后可以在桌面快捷访问

地下室基础防水施工技术交底

地下室基础防水施工技术交底_第1页
1/9
地下室基础防水施工技术交底_第2页
2/9
地下室基础防水施工技术交底_第3页
3/9
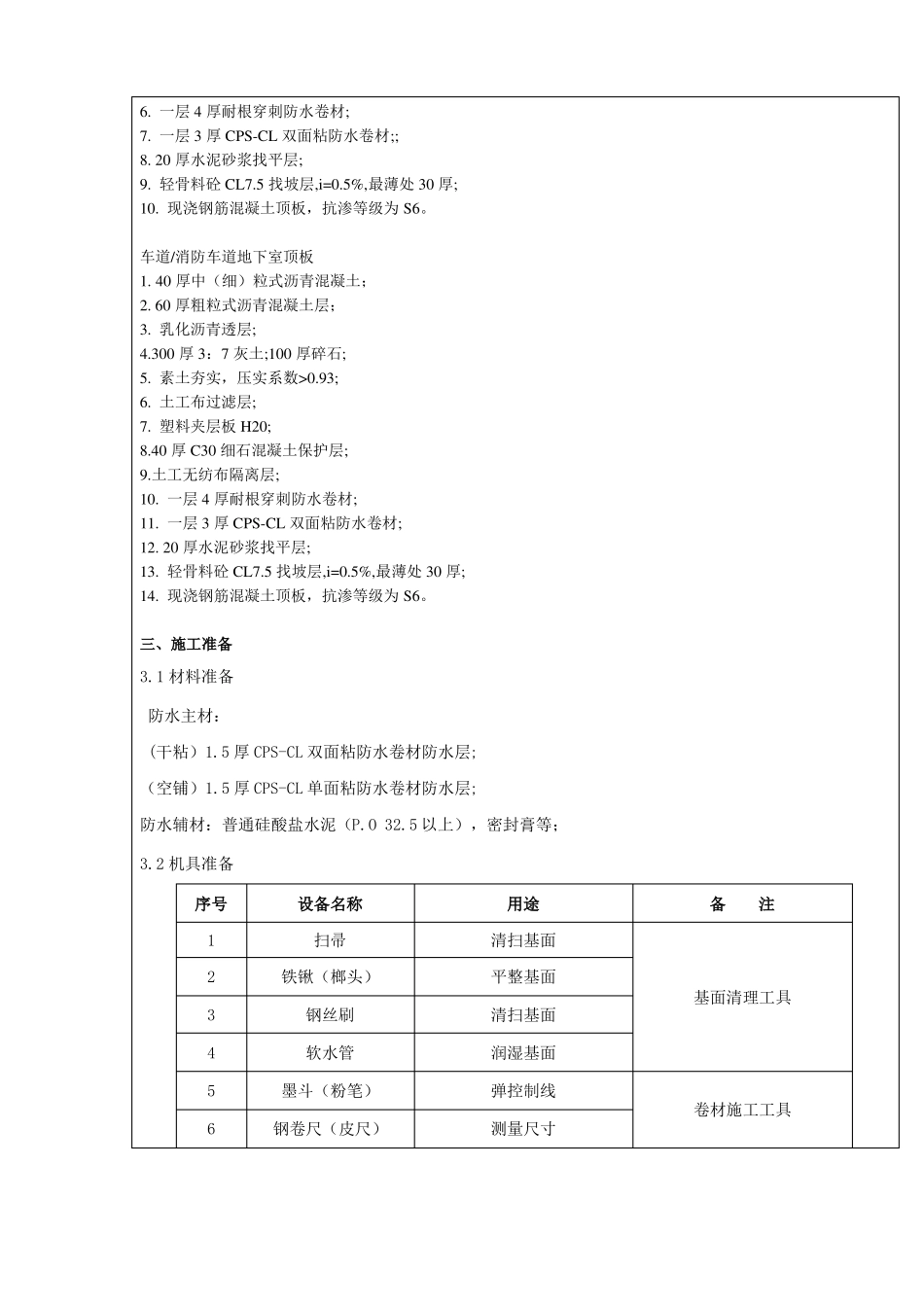
施工技术交底记录C 1.11编号:工程名称施工单位交底提要一、编制依据序号12345678二、防水设计地下室底板1. 防水混凝土底板,抗渗等级为 P6;2. 50 厚 C20 细石混凝土保护层;3.(干粘)1.5 厚 CPS-CL 双面粘防水卷材防水层;4.(空铺)1.5 厚 CPS-CL 单面粘防水卷材防水层;5. 20 厚 1:2.5 水泥砂浆找平层;6. 100 厚 C15 混凝土垫层;7.素土夯实。地下室外墙1. 原土分层回填夯实;2. M5 水泥砂浆砌 120 厚保护墙;3. 1:2.5 水泥砂浆边砌保护墙时边填实;4. (干粘)1.5 厚 CPS-CL 单面粘防水卷材防水层;5. 1.5 厚 CPS-CL 双面粘防水卷材防水层;6.20 厚 1:2 水泥砂浆找平层;7. 钢筋混凝土自防水侧墙;8. 20 厚 1:2.5 水泥砂浆.种植地下室顶板1. 种植土;2. 土工布过滤层;3. 塑料夹层板 H20;4.40 厚 C30 细石混凝土保护层5.土工无纺布隔离层名称设计图纸编号------地下室防水技术交底交底日期分项工程名称防水工程地下工程防水技术规范地下防水工程质量验收规范建筑产品选用技术建筑构造专项图集建筑构造通用图集预铺/湿铺防水卷材江西省建筑图集GB 50108—2008GB 50208—20112012CPXY-J26011BJZ6712BJ1-1GB/T 23457-2009赣 06J2026. 一层 4 厚耐根穿刺防水卷材;7. 一层 3 厚 CPS-CL 双面粘防水卷材;;8. 20 厚水泥砂浆找平层;9. 轻骨料砼 CL7.5 找坡层,i=0.5%,最薄处 30 厚;10. 现浇钢筋混凝土顶板,抗渗等级为 S6。车道/消防车道地下室顶板1. 40 厚中(细)粒式沥青混凝土;2. 60 厚粗粒式沥青混凝土层;3. 乳化沥青透层;4.300 厚 3:7 灰土;100 厚碎石;5. 素土夯实,压实系数>0.93;6. 土工布过滤层;7. 塑料夹层板 H20;8.40 厚 C30 细石混凝土保护层;9.土工无纺布隔离层;10. 一层 4 厚耐根穿刺防水卷材;11. 一层 3 厚 CPS-CL 双面粘防水卷材;12. 20 厚水泥砂浆找平层;13. 轻骨料砼 CL7.5 找坡层,i=0.5%,最薄处 30 厚;14. 现浇钢筋混凝土顶板,抗渗等级为 S6。三、施工准备3.1 材料准备防水主材:(干粘)1.5 厚 CPS-CL 双面粘防水卷材防水层;(空铺)1.5 厚 CPS-CL 单面粘防水卷材防水层;防水辅材:普通硅酸盐水泥(P.O 32.5 以上),密封膏等;3.2 机具准备序号123456设备名称扫帚铁锹(榔头)钢丝刷软水管墨斗(粉笔)钢卷尺(皮尺)用途清扫基面平整基面基面清理工具清扫基面润湿基面弹控制线卷材施工工具测量尺寸备注78910111213...

1、当您付费下载文档后,您只拥有了使用权限,并不意味着购买了版权,文档只能用于自身使用,不得用于其他商业用途(如 [转卖]进行直接盈利或[编辑后售卖]进行间接盈利)。
2、本站所有内容均由合作方或网友上传,本站不对文档的完整性、权威性及其观点立场正确性做任何保证或承诺!文档内容仅供研究参考,付费前请自行鉴别。
3、如文档内容存在违规,或者侵犯商业秘密、侵犯著作权等,请点击“违规举报”。

碎片内容

地下室基础防水施工技术交底

您可能关注的文档

文库响当当+ 关注
实名认证
内容提供者

该用户很懒,什么也没介绍

确认删除?
VIP
微信客服
  • 扫码咨询
会员Q群
  • 会员专属群点击这里加入QQ群
客服邮箱
回到顶部