电脑桌面
添加小米粒文库到电脑桌面
安装后可以在桌面快捷访问

基坑支护施工方案及设计计算

基坑支护施工方案及设计计算_第1页
1/24
基坑支护施工方案及设计计算_第2页
2/24
基坑支护施工方案及设计计算_第3页
3/24
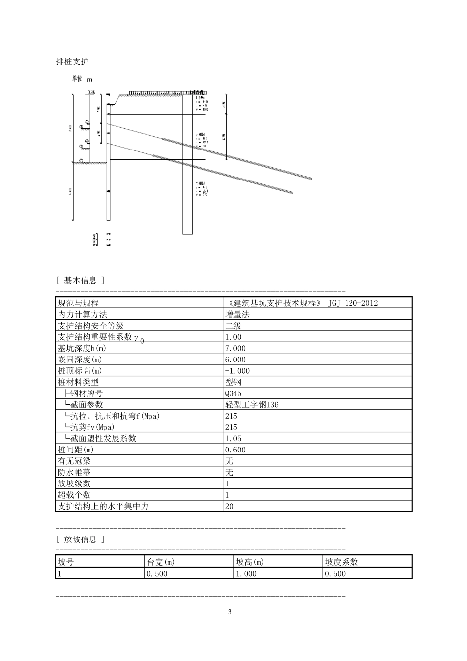
第一章工程概况1 工程概况及地质条件本项目总用地面积 23700 平方米,其中地上建筑面积 22212 平方米,地下建筑面积 1488 平方米。建筑基底面积 1287.65 平方米。地下 1 层,地上 17 层,建筑高度 74 米。本工程结构形式为框架剪力墙结构,设计使用年限为 50 年。基坑开挖 7.0m,坑内局部(考虑电梯井和集水坑)开挖 9.0m。2 场地工程地质条件2.1 地质条件自上而下分别为杂填土,粉质粘土,粉质粘土至中粗砂等地质条件各土层具体分布情况详见工程地质剖面图。第二章 基坑支护一、设计方案1 设计依据1.1、本工程岩土工程地质勘察报告1.2、本工程业主有关要求1.3、本工程有关设计图纸1.4、选用规范1)《建筑地基基础工程施工质量验收规范》GBJ50202-20022)《建筑深基坑工程施工安全技术规范》 (JGJ 311-2013 )3)《工程测量规范》GB50026-20074)《建筑工程施工质量验收统一标准》GB50300-20135)《建筑施工安全检查标准》JGJ59-20116)《建筑机械使用安全技术规程》JGJ160-201617)《施工现场临时用电安全技术规范》JGJ46-20058)《建设工程施工现场供用电安全规范》GB50194-20149) 《危险性较大的分部分项工程安全管理办法》住建部建质[2018]31 号10)《建筑基坑支护技术规程》JGJ120-201211)《锚杆施工技术规程》(GB 50007-2012)2 设计方案为了确保此项基础工程能够经济、安全、高效的完成,公司组织技术人员进行认真的研究和讨论,并且根据甲方的建议和要求,结合本工程的特点,选用了有效的支护结构体系,完全能满足现场周围既有建筑物的安全。2.1 基坑支护方案设计要求和方案选择2.1.1 本工程基础施工需要采用基坑支护的方法确保基坑稳定,直至地下结构完成,回填完毕。本着“经济、安全、高效”的原则,全面考虑场地地层和周边环境限制等因素后,针对场地的实际情况提出支护方案。2.1.2 根据场地的实际情况、基坑开挖深度和周边环境,由于施工场地开挖深度约 7.00 米,结合安全、科学、经济的原则基坑支护形式分段进行考虑:(1)钢板桩间距 0.6m,长度 12m,嵌固 6.0m,锁两排锚杆,两桩一锚。(2)基坑支护完后应做好防水坡及排水沟;(3)桩间土采取挡土板进行处理。3、计算书深基坑支护设计设计时间:2018-06-15 08:38:58----------------------------------------------------------------------[ 支护方案 ]----------------------------------------------------------------------2排...

1、当您付费下载文档后,您只拥有了使用权限,并不意味着购买了版权,文档只能用于自身使用,不得用于其他商业用途(如 [转卖]进行直接盈利或[编辑后售卖]进行间接盈利)。
2、本站所有内容均由合作方或网友上传,本站不对文档的完整性、权威性及其观点立场正确性做任何保证或承诺!文档内容仅供研究参考,付费前请自行鉴别。
3、如文档内容存在违规,或者侵犯商业秘密、侵犯著作权等,请点击“违规举报”。

碎片内容

基坑支护施工方案及设计计算

确认删除?
VIP
微信客服
  • 扫码咨询
会员Q群
  • 会员专属群点击这里加入QQ群
客服邮箱
回到顶部