电脑桌面
添加小米粒文库到电脑桌面
安装后可以在桌面快捷访问

基坑项目第三方监测报告模板2018VIP专享

基坑项目第三方监测报告模板2018_第1页
1/16
基坑项目第三方监测报告模板2018_第2页
2/16
基坑项目第三方监测报告模板2018_第3页
3/16
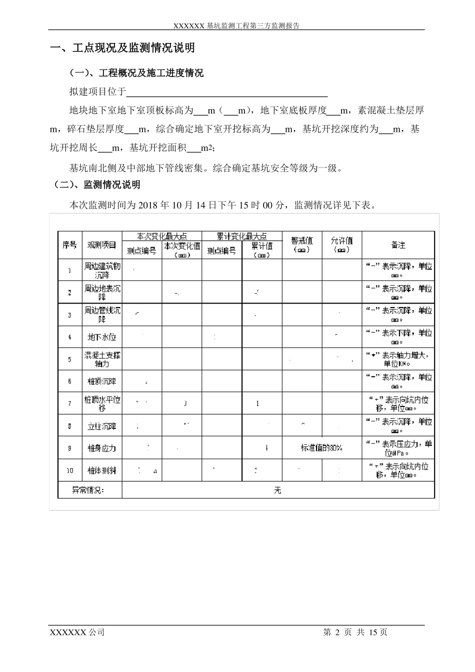
监短期基坑监测工程第三方监测成果报告(2018 年 XX 月 XX 日)公 司2018 年 XX 月 XX 日XXXXXX 基坑监测工程第三方监测报告目录一、工点现况及监测情况说明............................................................................................................. 2(一)、工程概况及施工进度情况 ................................................................................................. 2(二)、监测情况说明..................................................................................................................... 2(三)、结论..................................................................................................................................... 3(四)、存在问题............................................................................................................................. 3(五)、合理化建议......................................................................................................................... 3二、监测成果表....................................................................................................................................... 4表1、周边建筑物沉降监测成果表及曲线图 ......................................................................................... 4表2、周边地表沉降监测成果表及曲线图 ............................................................................................. 4表3、周边管线沉降监测成果表及曲线图 ............................................................................................. 5表4、地下水位监测成果表及曲线图 ..................................................................................................... 7表5、立柱沉降监测成果表及曲线图 ..................................................................................................... 8表6、支撑轴力监测成果表及曲线图 ................................................................................................... 10表7、桩顶水平位移监测成果表及曲线图 ............................

1、当您付费下载文档后,您只拥有了使用权限,并不意味着购买了版权,文档只能用于自身使用,不得用于其他商业用途(如 [转卖]进行直接盈利或[编辑后售卖]进行间接盈利)。
2、本站所有内容均由合作方或网友上传,本站不对文档的完整性、权威性及其观点立场正确性做任何保证或承诺!文档内容仅供研究参考,付费前请自行鉴别。
3、如文档内容存在违规,或者侵犯商业秘密、侵犯著作权等,请点击“违规举报”。

碎片内容

基坑项目第三方监测报告模板2018

确认删除?
VIP
微信客服
  • 扫码咨询
会员Q群
  • 会员专属群点击这里加入QQ群
客服邮箱
回到顶部