电脑桌面
添加小米粒文库到电脑桌面
安装后可以在桌面快捷访问

塔式起重机基础验收表

塔式起重机基础验收表_第1页
1/14
塔式起重机基础验收表_第2页
2/14
塔式起重机基础验收表_第3页
3/14
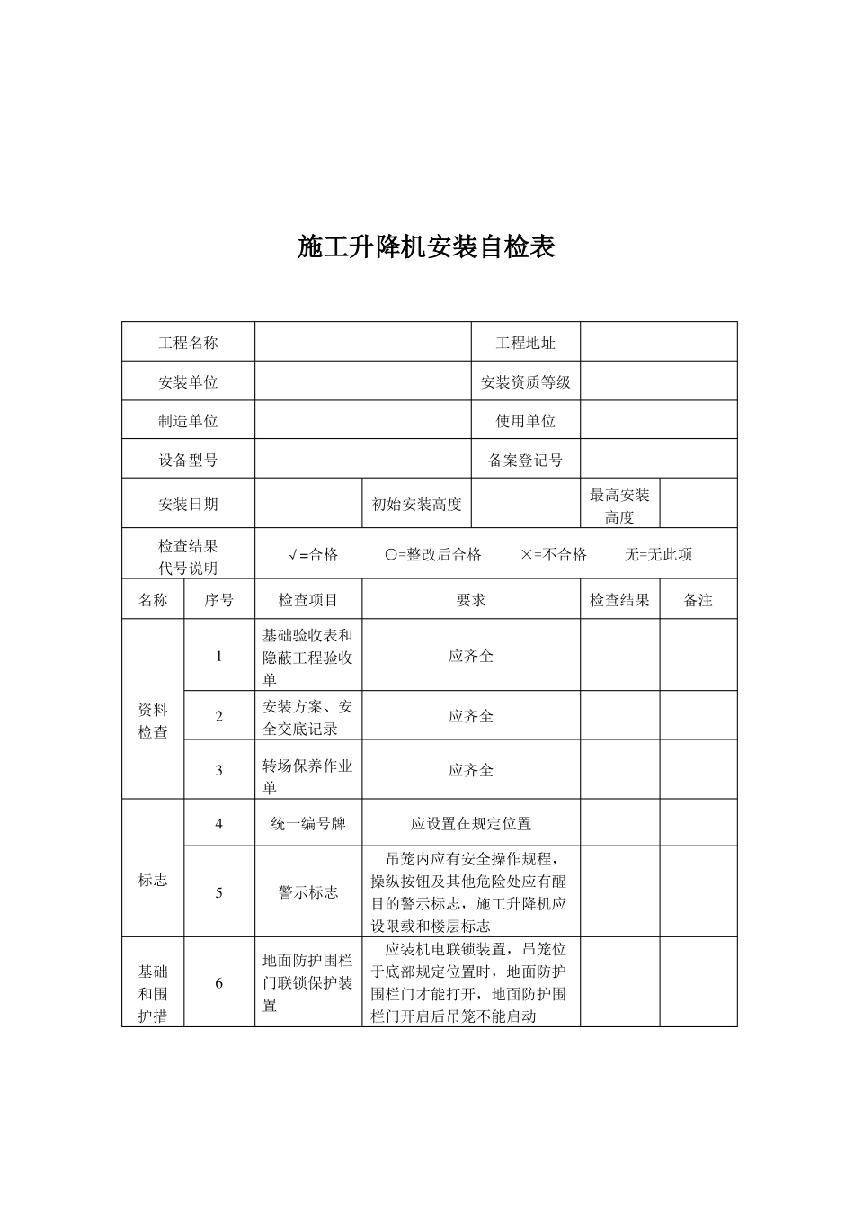
塔式起重机基础验收表工程名称使用单位设备制造单位序号1234567武汉青山长江大桥检查项目基础承载力基础表面平整度基础顶部标高偏差(mm)预埋螺栓、预埋件位置偏差(mm)塔吊平台位置偏差(mm)基础周边排水措施基础周边与架空输电线安全距离安装位置安装单位设备型号检查结论(合格√ 不合格×)备注其他需说明的内容:验收结论:验收人员签字:日期施工升降机安装自检表工程名称安装单位制造单位设备型号安装日期检查结果代号说明名称序号初始安装高度工程地址安装资质等级使用单位备案登记号最高安装高度√=合格○=整改后合格×=不合格无=无此项检查项目基础验收表和隐蔽工程验收单安装方案、安全交底记录转场保养作业单统一编号牌要求检查结果备注1资料检查应齐全应齐全234应齐全应设置在规定位置吊笼内应有安全操作规程,操纵按钮及其他危险处应有醒目的警示标志,施工升降机应设限载和楼层标志应装机电联锁装置,吊笼位于底部规定位置时,地面防护围栏门才能打开,地面防护围栏门开启后吊笼不能启动标志5警示标志基础和围护措6地面防护围栏门联锁保护装置施7基础上吊笼和对重升降通道地面防护围栏周围应设置地面防护围栏,高度≥1.8m当施工升降机基础下方有施工作业区时,应加设对重坠落伤人的安全防护区及其安全防护措施8安全防护区续表名称序号910金属结构件11检查项目金属结构件外观螺栓连接销轴连接要求无明显变形、脱焊、开裂和锈蚀紧固件安装准确、紧固可靠销轴连接定位可靠检查结果备注12导 轨 架 垂 直度架设高度 h(m) 垂直度偏差(mm)h≤70≤(1/1000)h70<h≤100≤70100<h≤150≤90150<h≤200≤110h>200≤130对钢丝绳式施工升降机,垂直度偏差应≤(1.5/1000)h13吊笼14紧急逃离门吊笼顶应有紧急出口,装有向外开启活动板门,并配有专用扶梯。活动板门应设有安全开关,当门打开时,吊笼不能启动吊笼顶应设防护栏杆高度≥1.05m应设置层站层门,层门只能由司机启闭,吊笼门与层站边缘水平距离≤50mm转动零部件的外露部分应有防护罩等防护装置制动性能良好,有手动松闸功能相邻两齿条的对接处沿齿高方向的阶差应≤0.3mm,沿长度的齿差应≤0.6mm吊 笼 顶 部 护栏层门15层站层门防护装置制动器传动及导向161718齿条对接19齿 轮 齿 条 啮合齿条应有 90﹪以上的计算宽度参与啮合,且与齿轮的啮合侧隙应为0.2~0.5mm连接及润滑应良好、导向灵活、无明显倾侧现象20导 向 轮 及 背轮续表名称序号21附着装置2223检查...

1、当您付费下载文档后,您只拥有了使用权限,并不意味着购买了版权,文档只能用于自身使用,不得用于其他商业用途(如 [转卖]进行直接盈利或[编辑后售卖]进行间接盈利)。
2、本站所有内容均由合作方或网友上传,本站不对文档的完整性、权威性及其观点立场正确性做任何保证或承诺!文档内容仅供研究参考,付费前请自行鉴别。
3、如文档内容存在违规,或者侵犯商业秘密、侵犯著作权等,请点击“违规举报”。

碎片内容

塔式起重机基础验收表

您可能关注的文档

确认删除?
VIP
微信客服
  • 扫码咨询
会员Q群
  • 会员专属群点击这里加入QQ群
客服邮箱
回到顶部