电脑桌面
添加小米粒文库到电脑桌面
安装后可以在桌面快捷访问

墙面干挂石材施工工艺标准

墙面干挂石材施工工艺标准_第1页
1/14
墙面干挂石材施工工艺标准_第2页
2/14
墙面干挂石材施工工艺标准_第3页
3/14
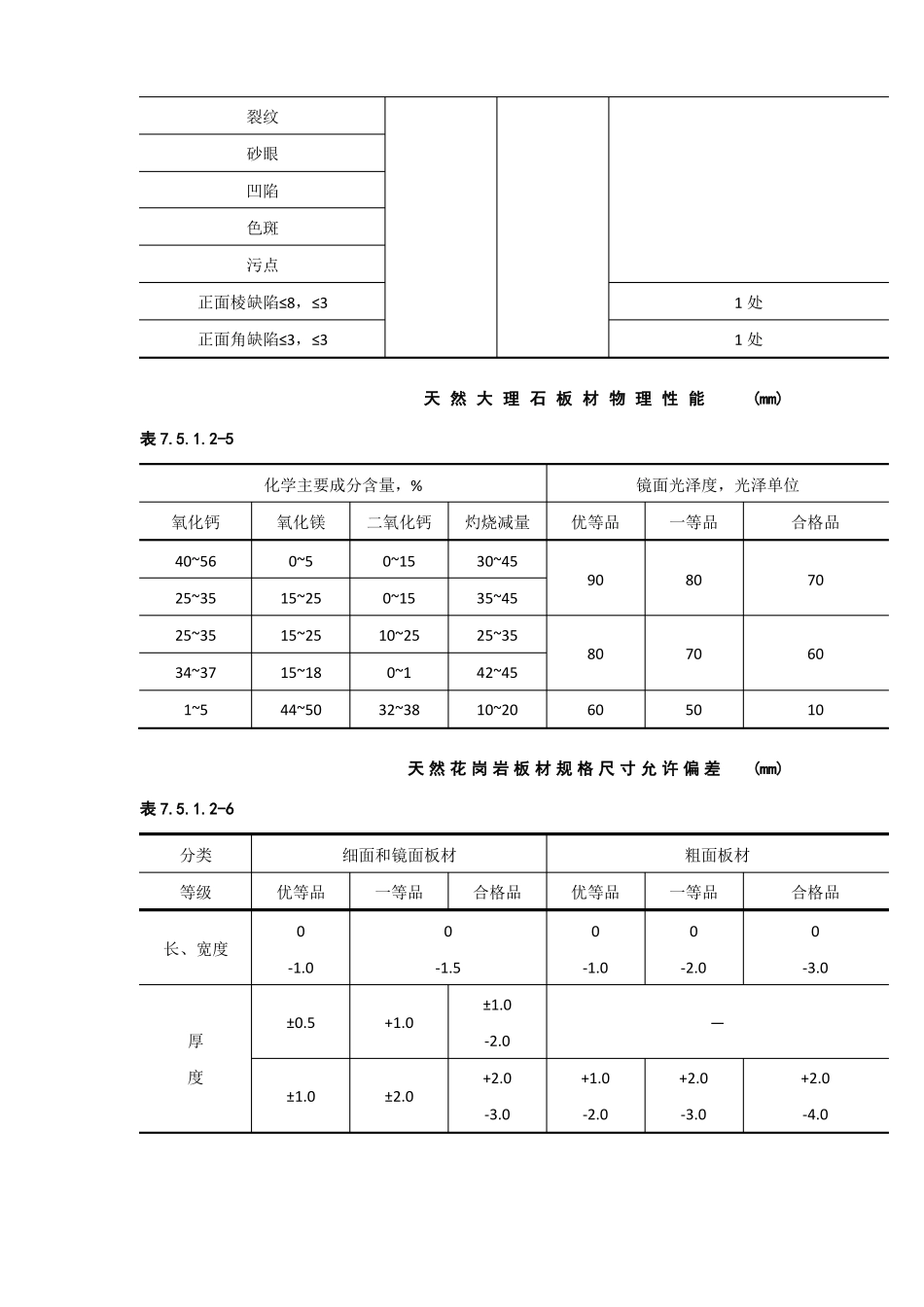
墙面干挂石材施工工艺标准1施工准备1.1技术准备编制室内、外墙面干挂石材饰面板装饰工程施工方案,并对工人进行书面技术及安全交底。1.2材料准备(1)石材:根据设计要求,确定石材的品种、颜色、花纹和尺寸规格,并严格控制、检查其抗折、抗拉及抗压强度,吸水率、耐冻融循环等性能。花岗岩板材的弯曲强度应经法定检测机构检测确定。(2)合成树脂胶粘剂:用于粘贴石材背面的柔性背衬材料,要求具有防水和耐老化性能。(3)用于干挂石材挂件与石材间粘结固定,用双组份环氧型胶粘剂,按固化速度分为快固型(K)和普通型(P)。(4)中性硅酮耐候密封胶,应进行粘合力的试验和相容性试验。(5)玻璃纤维网格布:石材的背衬材料。(6)防水胶泥:用于密封连接件。(7)防污胶条:用于石材边缘防止污染。(8)嵌缝膏:用于嵌填石材接缝。(9)罩面涂料:用于大理石表面防风化、防污染。(10)不锈钢紧固件、连接件应按同一种类构件的 5%进行抽样检查,且每种构件不少于 5 件。(11)膨胀螺栓、连接铁件、连接不锈钢针等配套的铁垫板、垫圈、螺帽及与骨架固定的各种设计和安装所需要的连接件的质量,必须符合要求。材料质量要求见表 7.5.1.2-l~8。天 然 大 理 石 板 材 规 格 尺 寸 允 许 偏 差(mm)表 7.5.1.2-1部位长、宽度-1.0≤15厚度>15±0.5+0.5-1.5-1.0±0.8+1.0-2.0-1.5±1.0±2.0优等品0一等品0合格品0天 然 大 理 石 板 材 平 面 度 允 许 极 限 公 差(mm)表 7.5.1.2-2允许极限公差值板材长度范围优等品≤400>400~<800≥800~<1000≥10000.200.500.700.80一等品0.300.600.801.00合格品0.500.801.001.20天 然 大 理 石 板 材 角 度 允 许 极 限 公 差(mm)表 7.5.3.2-3允许极限公差值板材长度范围优等品≤400>4000.300.50一等品0.400.60合格品0.600.80天 然 大 理 石 石 材 外 观 质 量(mm)表 7.5.1.2-4缺陷名称翘曲优等品不允许一等品不明显合格品有,但不影响使用裂纹砂眼凹陷色斑污点正面棱缺陷≤8,≤3正面角缺陷≤3,≤31 处1 处天 然 大 理 石 板 材 物 理 性 能(mm)表 7.5.1.2-5化学主要成分含量,%氧化钙40~5625~3525~3534~371~5氧化镁0~515~2515~2515~1844~50二氧化钙0~150~1510~250~132~38灼烧减量30~459035~4525~358042~4510~2060501070608070优等品镜面光泽度,光泽单位一等品合格品天 然 花 岗 岩 板 材 规 格 尺 寸 允 许 偏 差(mm)表...

1、当您付费下载文档后,您只拥有了使用权限,并不意味着购买了版权,文档只能用于自身使用,不得用于其他商业用途(如 [转卖]进行直接盈利或[编辑后售卖]进行间接盈利)。
2、本站所有内容均由合作方或网友上传,本站不对文档的完整性、权威性及其观点立场正确性做任何保证或承诺!文档内容仅供研究参考,付费前请自行鉴别。
3、如文档内容存在违规,或者侵犯商业秘密、侵犯著作权等,请点击“违规举报”。

碎片内容

墙面干挂石材施工工艺标准

确认删除?
VIP
微信客服
  • 扫码咨询
会员Q群
  • 会员专属群点击这里加入QQ群
客服邮箱
回到顶部