电脑桌面
添加小米粒文库到电脑桌面
安装后可以在桌面快捷访问

外墙外保温施工方案粘贴苯板外贴瓷砖精

外墙外保温施工方案粘贴苯板外贴瓷砖精_第1页
1/7
外墙外保温施工方案粘贴苯板外贴瓷砖精_第2页
2/7
外墙外保温施工方案粘贴苯板外贴瓷砖精_第3页
3/7
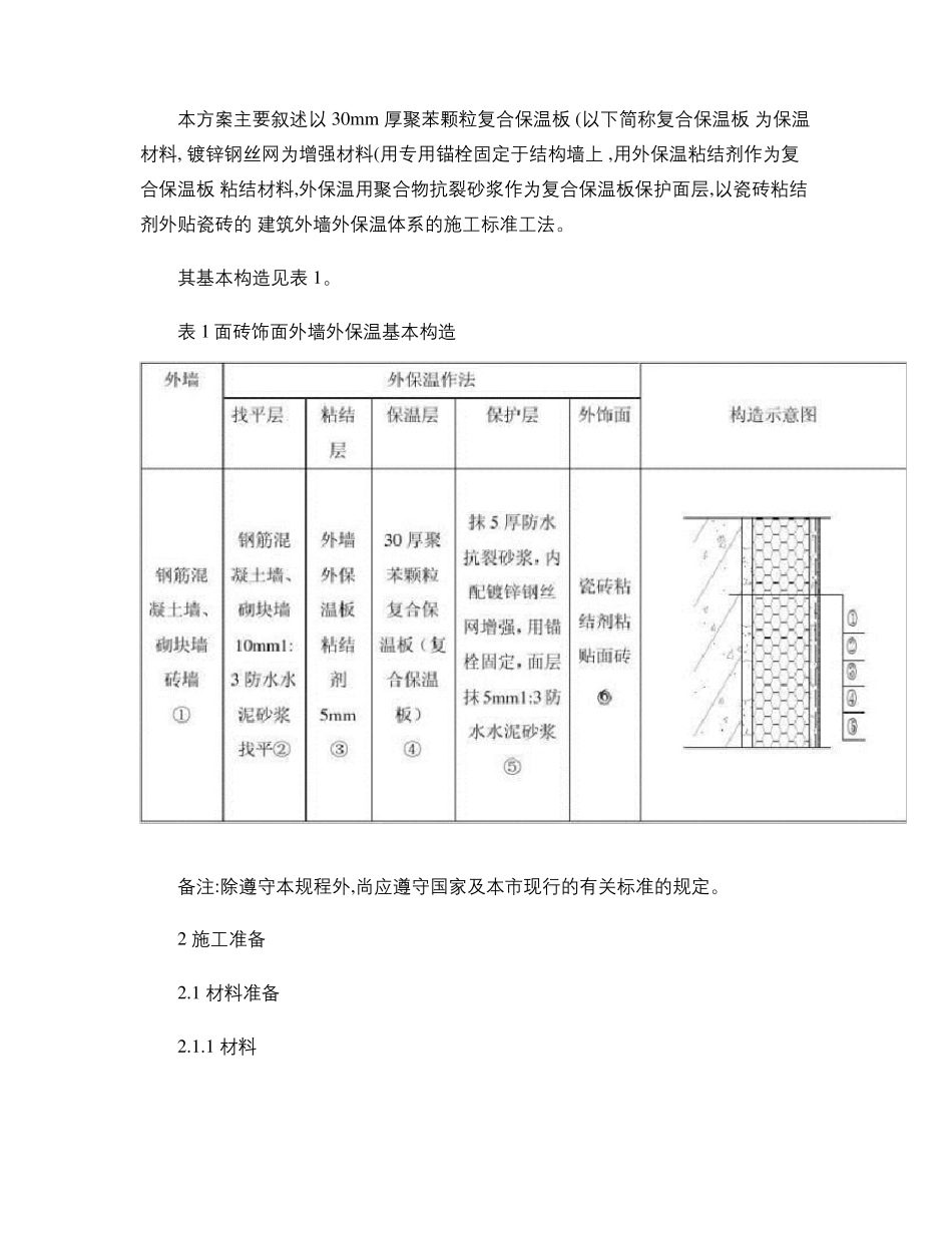
长乐路 9 号 4 号楼翻建工程外墙外保温体系(复合保温板瓷砖饰面施 工 方 案编制:审核:编制日期:2012 年 9 月 20 日目 录1 概况 ⋯⋯⋯⋯⋯⋯⋯⋯⋯⋯⋯⋯⋯⋯⋯⋯⋯⋯⋯ 22 施工准备 ⋯⋯⋯⋯⋯⋯⋯⋯⋯⋯⋯⋯⋯⋯⋯⋯⋯ 23 施工工艺 ⋯⋯⋯⋯⋯⋯⋯⋯⋯⋯⋯⋯⋯⋯⋯⋯⋯ 44 质量标准 ⋯⋯⋯⋯⋯⋯⋯⋯⋯⋯⋯⋯⋯⋯⋯⋯⋯ 55 成品保证措施 ⋯⋯⋯⋯⋯⋯⋯⋯⋯⋯⋯⋯⋯⋯⋯ 76 其它注意事项 ⋯⋯⋯⋯⋯⋯⋯⋯⋯⋯⋯⋯⋯⋯⋯ 71 概况1 工程名称:长乐路 9 号 4 号楼翻建工程2 建设地点:南京市长乐路 9 号3 建设单位:江苏省通信服务有限公司4 监理单位:江苏邮通建设监理有限公司本方案主要叙述以 30mm 厚聚苯颗粒复合保温板 (以下简称复合保温板 为保温材料, 镀锌钢丝网为增强材料(用专用锚栓固定于结构墙上 ,用外保温粘结剂作为复合保温板 粘结材料,外保温用聚合物抗裂砂浆作为复合保温板保护面层,以瓷砖粘结剂外贴瓷砖的 建筑外墙外保温体系的施工标准工法。其基本构造见表 1。表 1 面砖饰面外墙外保温基本构造备注:除遵守本规程外,尚应遵守国家及本市现行的有关标准的规定。2 施工准备2.1 材料准备2.1.1 材料2.1.1.1 聚苯颗粒复合保温板:应符合《复合材料保温板外保温系统应用技术规程》 (苏 JGT045-2011 标准中的要求(见表 4.2.3 ,板厚为 30mm 厚。表 4.2.3 复合材料保温板的性能指标2.1.1.2 粘接、抹面砂浆的性能指标应符合表 4.2.4、 4.2.5 要求。 表 4.2.4 粘接砂浆的性能指标表 4.2.5 抹面砂浆性能指标2.1.1.3 热镀锌钢丝网的性能指标表 5 热镀锌钢丝网的性能指标2.1.1.4 机械锚固件:专用锚固栓。2.1.2 工具壁纸刀、螺丝刀、剪刀、扫帚、钢丝刷、墨斗、棕刷、电动搅拌器、冲击钻、抹子、 打磨抹子、压子、阴阳角抿子、托线板、 2m 靠尺等。2.2 施工条件2.2.1 外墙和外门窗口施工及验收完毕,基面达到《建筑工程质量检验评定标准》 (GBJ 301-88 的要求。2.2.2 操作地点环境温度和基底温度不低于 5℃;风力不大于 5 级,雨天不能施工。2.2.3 清除施工基层上的浮灰、疏松物、油污和其他废弃物。3 施工工艺3.1 施工程序3.1.1 本作法按下列程序施工基层准备、防水砂浆找平层 用专用粘结剂贴聚苯颗粒复合保温板 打 磨、修理固定尼龙胀栓(挂镀锌钢丝网 抹抗裂面层砂浆及水泥防水 砂浆 贴外墙瓷砖3.2 施工要点3.2.1 对新建工程的结构墙体基面必...

1、当您付费下载文档后,您只拥有了使用权限,并不意味着购买了版权,文档只能用于自身使用,不得用于其他商业用途(如 [转卖]进行直接盈利或[编辑后售卖]进行间接盈利)。
2、本站所有内容均由合作方或网友上传,本站不对文档的完整性、权威性及其观点立场正确性做任何保证或承诺!文档内容仅供研究参考,付费前请自行鉴别。
3、如文档内容存在违规,或者侵犯商业秘密、侵犯著作权等,请点击“违规举报”。

碎片内容

外墙外保温施工方案粘贴苯板外贴瓷砖精

您可能关注的文档

确认删除?
VIP
微信客服
  • 扫码咨询
会员Q群
  • 会员专属群点击这里加入QQ群
客服邮箱
回到顶部