电脑桌面
添加小米粒文库到电脑桌面
安装后可以在桌面快捷访问

外墙玻化微珠保温技术交底记录

外墙玻化微珠保温技术交底记录_第1页
1/11
外墙玻化微珠保温技术交底记录_第2页
2/11
外墙玻化微珠保温技术交底记录_第3页
3/11
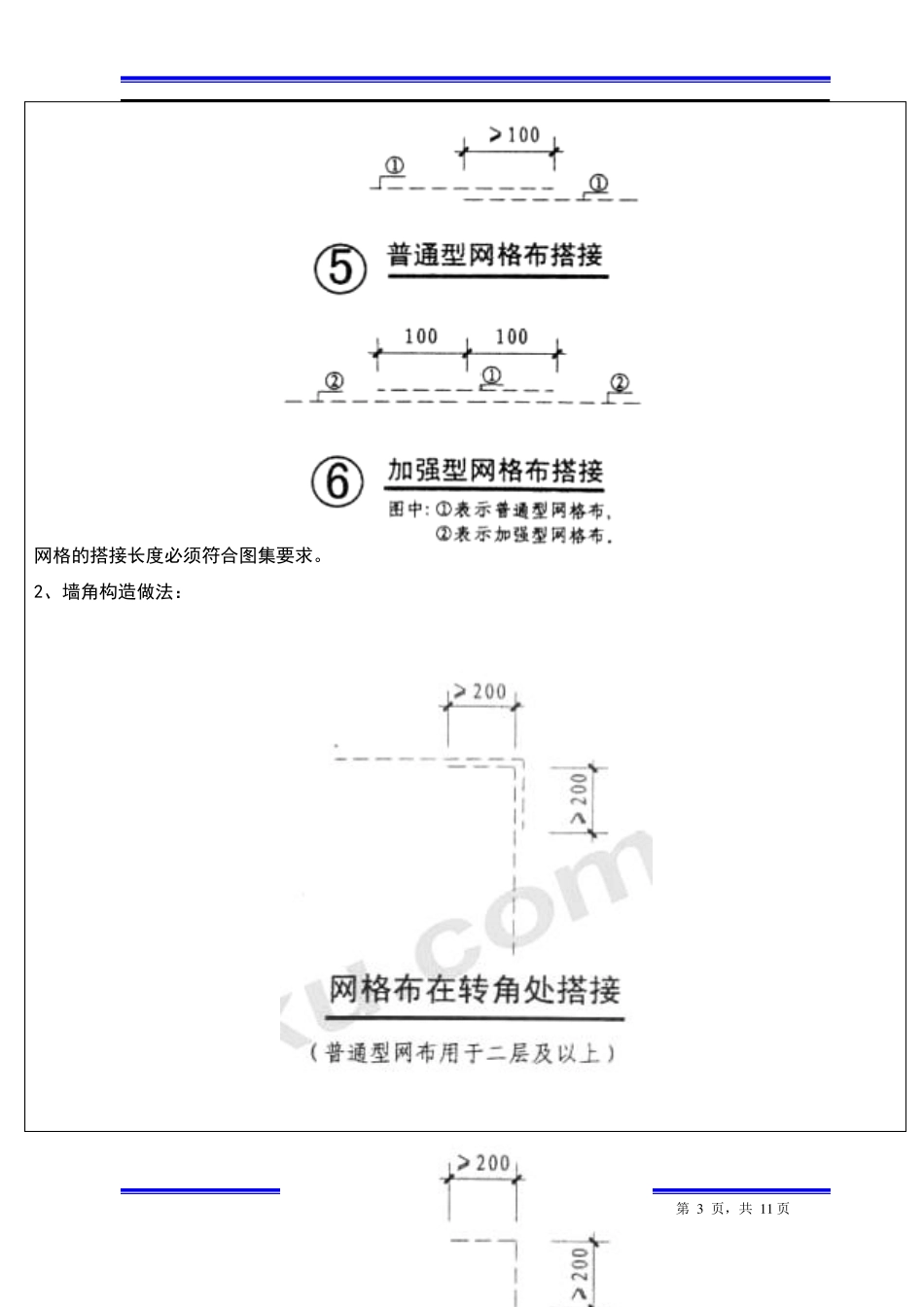
技术交底记录工程名称施工单位交底提要交底内容:四川宏正建筑有限公司编号2016.10.1外墙保温蓬安赛克斯首府二期 6#.7#楼交 底 日 期分项工程名称一、 范围本技术交底适用于住宅楼外墙保温(中空玻化微珠)工程。二、 施工准备(一)作业条件1、抹灰部位的主体结构分部工程均经过有关单位共同验收,并签认。窗框已安装完毕,并经检查验收合格。2、抹灰用的吊篮搭好脚手板,防止灰落在地面,造成浪费。3、将混凝土墙等表面凸出部分凿平,对蜂窝、麻面、露筋、疏松部分等凿到实处,用1:3 水泥砂浆分层补平,把外露钢筋头和铅丝头等清除掉。4、墙体上的穿墙螺栓眼用发泡剂和防水砂浆堵实。5、对于砖墙,应在抹灰前一天浇水湿透。6、保温材料经复检合格,可以投入施工使用三、外墙保温工程施工循序:基层处理、找平层验收—→吊垂线、套方—→抹灰饼、冲筋、设置系统变形缝、预贴翻包网—→配制界面砂浆—→施工界面砂浆—→配制保温砂浆—→保温层分层施工—→保温层验收—→配制抗裂砂浆—→抹底层抗裂砂浆—→覆翻包网—→压入耐碱网格布—→锚固件安装—→抹面层抗裂砂浆—→系统防水处理—→外墙腻子—→施工涂料饰面—→保温系统工程验收四、外墙保温施工方法:1、18 厚 1:3 水泥砂浆 2、3 厚界面处理剂3、20 厚玻化微珠保温防火砂浆(燃烧性能 A 级)4、2 厚抗裂砂浆5、2厚抗裂砂浆层固定耐碱玻纤网格布注:入户花园及阳台保温30厚五、外墙保温施工要点:1、砖墙:将墙面上残余砂浆、污垢、灰尘清理干净,抹灰前一天浇水湿润。抹灰前一小时再浇水一次,以满足施工要求。2、混凝土墙:用 10%火碱水去除表面油污,再用清水冲洗干净晾干。浇水湿润后涂抹界面处理剂,可采用涂敷法或拉毛法。3、外墙防水砂浆粉刷完后施工保温砂浆,保温砂浆施工应分遍进行,每遍厚度不宜超过 10mm,涂第 1 页,共 11 页抹时应压实压平,待保温砂浆初凝后浇水湿润,以备下一遍抹灰。分层抹灰时间间隔一般在 24h 以上,待厚度达到冲筋面时,先用大杠刮平,再用铁抹子用力抹平。4、保温层养护,待初凝后再浇水湿润。浇水时间间隔可根据环境干燥情况确定,保持表面不出现发白现象,浇水养护不得少于 7d。5、抗裂砂浆抹灰必须在保温砂浆层充分凝固后进行。一般在 7d 后或用手按不动表面的情况下进行。施工前一天浇水湿润。抹灰前 1h 再浇一遍水。防裂砂浆施工时,用铁抹子抹平后再用塑料抹子搓平拉毛。6、抗裂砂浆应随拌随用,停放不应超过 3h...

1、当您付费下载文档后,您只拥有了使用权限,并不意味着购买了版权,文档只能用于自身使用,不得用于其他商业用途(如 [转卖]进行直接盈利或[编辑后售卖]进行间接盈利)。
2、本站所有内容均由合作方或网友上传,本站不对文档的完整性、权威性及其观点立场正确性做任何保证或承诺!文档内容仅供研究参考,付费前请自行鉴别。
3、如文档内容存在违规,或者侵犯商业秘密、侵犯著作权等,请点击“违规举报”。

碎片内容

外墙玻化微珠保温技术交底记录

文库响当当+ 关注
实名认证
内容提供者

该用户很懒,什么也没介绍

确认删除?
VIP
微信客服
  • 扫码咨询
会员Q群
  • 会员专属群点击这里加入QQ群
客服邮箱
回到顶部