电脑桌面
添加小米粒文库到电脑桌面
安装后可以在桌面快捷访问

外立面改造工程脚手架施工方案

外立面改造工程脚手架施工方案_第1页
1/19
外立面改造工程脚手架施工方案_第2页
2/19
外立面改造工程脚手架施工方案_第3页
3/19
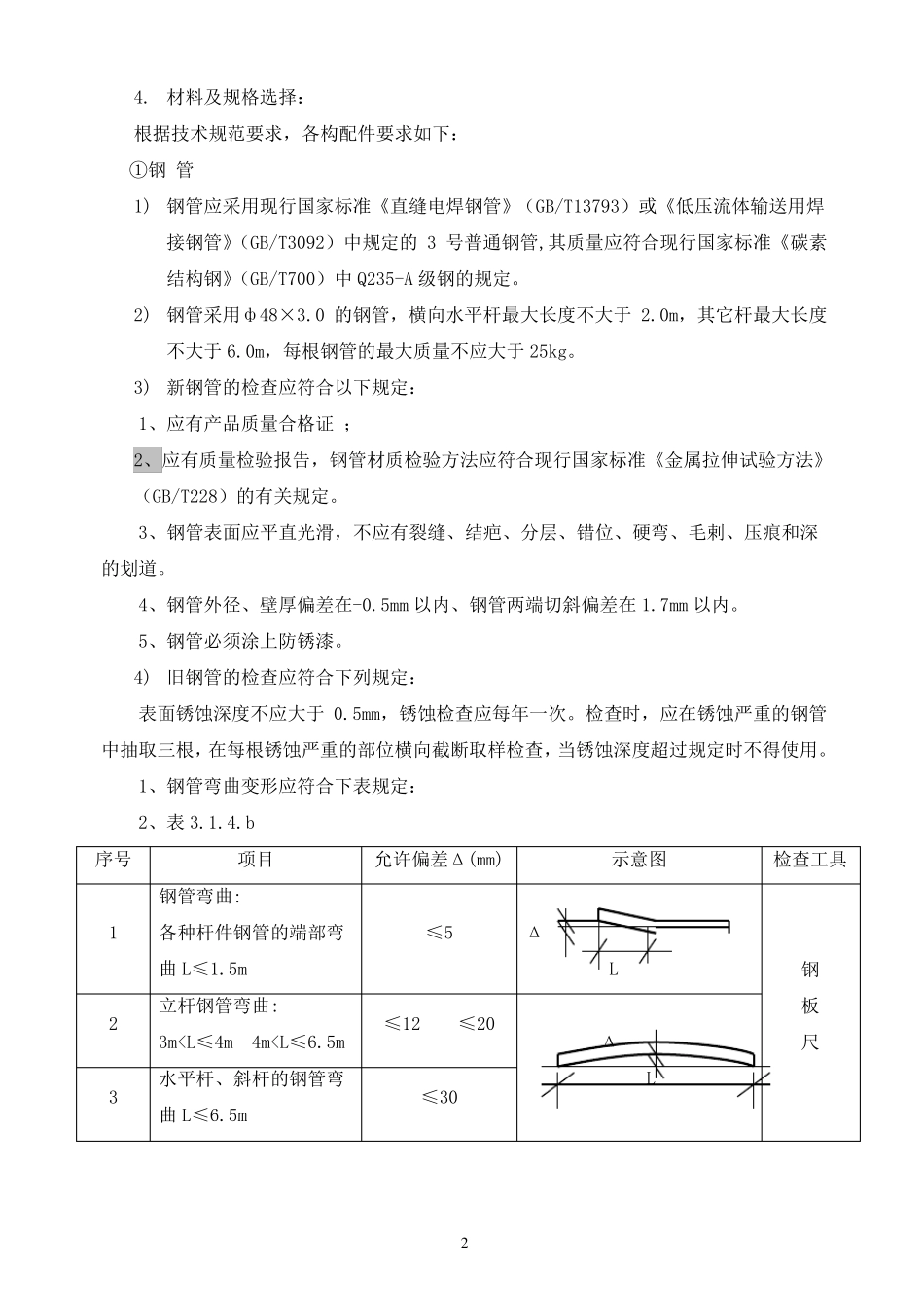
一、工程概况...................................................................................................................................................... 1二、编制依据...................................................................................................................................................... 1三、钢管脚手架搭设方案 .................................................................................................................................. 1四、外脚手架搭设的安全技术措施 .................................................................................................................. 7五、脚手架的验收.............................................................................................................................................. 7六、外脚手架拆除的安全技术措施 .................................................................................................................. 8七、扣件式钢管脚手架设计与计算 .................................................................................................................. 91一、工程概况1、工程地点:。。。。。。。路段;2、规模:。。。。。。。路段 22 个节点建筑外立面改造,重点改造项目 5 个,分别为:植物园大门、公馆北侧及西侧商业、附中西门、小学、电信入口及卫生所3、项目思路:传承城市记忆,突显街区风貌,还原人居环境;4、设计内容及范围:建筑外立面的高标准改造和微整治改造以及粉饰类、清洗类、拆除类;整治路段总长 2.3 公里。5、改造重点描述:外立面、平改坡、满洲窗、砂岩浮雕、空调百叶窗等。6、本工程建设单位:设计单位:监理单位:施工单位:二、编制依据1、本工程建筑施工图2、《建筑施工扣件式钢管脚手架安全技术规范》(JGJ130-2011)3、《建筑施工高处作业安全技术规范》 (JGJ80—2016)4、《建筑施工安全检查标准》(JGJ59-2011)三、钢管脚手架搭设方案1. 本工程脚手架采用钢管搭设,密目式安全网全封闭防护,基础立杆落在混凝土地面上。2. 立杆纵距为 1.3~1.8m,立杆横距为 0.7m,步距为 1.8m,内立杆距外墙边缘距离b1=0.3m。3. 使用范围:外墙立面工程改造,只允许有两个步、层同时作业。设计...

1、当您付费下载文档后,您只拥有了使用权限,并不意味着购买了版权,文档只能用于自身使用,不得用于其他商业用途(如 [转卖]进行直接盈利或[编辑后售卖]进行间接盈利)。
2、本站所有内容均由合作方或网友上传,本站不对文档的完整性、权威性及其观点立场正确性做任何保证或承诺!文档内容仅供研究参考,付费前请自行鉴别。
3、如文档内容存在违规,或者侵犯商业秘密、侵犯著作权等,请点击“违规举报”。

碎片内容

外立面改造工程脚手架施工方案

您可能关注的文档

确认删除?
VIP
微信客服
  • 扫码咨询
会员Q群
  • 会员专属群点击这里加入QQ群
客服邮箱
回到顶部