电脑桌面
添加小米粒文库到电脑桌面
安装后可以在桌面快捷访问

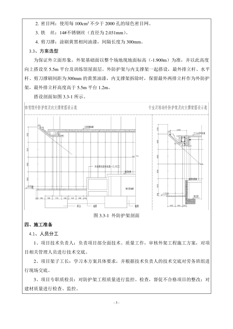
外防护架工程施工方案

外防护架工程施工方案_第1页
1/11
外防护架工程施工方案_第2页
2/11
外防护架工程施工方案_第3页
3/11
外防护架工程 分项工程质量技术交底卡GD2301003□□施工单位工程名称分部工程交底部位一、工程概况本工程由专业足球场、主体育馆、训练馆组成。正负零相对黄海绝对标高为8.300 米。其中专业足球场比赛竞技场地主要有软基处理用的桩基及承台,外围一圈分东西高区看台,南北低区看台,场内含比赛竞技场地。比赛竞技场地下不设架空层,比赛竞技场地平面约为 91×128m 的类似矩形场地,看台下设置架空层,架空层地面标高为-2.300m,架空层至二层外环通道构成的主要结构周长约为 675m。根据建筑、结构平面图纸及参照相关周围大样,专业足球场处施工缝处,均存在排水沟,排水沟凸出5.5m 环向走道柱中心线以外约 2.0m。主体育馆比赛竞技场地、看台以下为架空层,在首层结构,比赛场地位置被后浇带单独分割开来。主体育馆分为南北高区看台和东西两侧低区看台。体育馆内部比赛场地平面尺寸约为 48×75m,体育馆地梁外边线与 5.5m 平台竖向位置相同,冷冻水管沟位于室外填土面以下,竖向投影线与地梁外边线不在同一位置。体育馆 5.5m 外平台周长约 538m。为满足架空层至 5.5m 高外墙施工需要,需设置外防护架进行施工并兼防护作用。本工程 5.5m 标高平面如下图所示。中国建筑第八工程局有限公司肇庆新区体育中心(场馆)地基与基础工程/主体工程专业足球场、综合体育馆日期2016 年 6 月 24 日图 1-1 5.5m 标高工程平面- 1 -二、编制依据1、肇庆新区体育中心(场馆)V1.1 版 施工图纸;2、《建筑地基基础工程施工质量验收规范》GB50202-2002;3、《混凝土结构工程施工质量验收规范》GB50204-2002(2011版);4、《建筑施工扣件式钢管防护架安全技术规范》JGJ130-2011;5、《建筑工程模板安全技术规范》JGJ162-2008;6、《建筑施工安全检查标准》JGJ59-2011;7、《建筑施工高处作业安全技术规范》JGJ80-91;8、《建筑结构荷载规范》GB50009-2012;9、《危险性较大的分部分项工程安全管理办法》建质[2009]87 号;10、《广东省住房和城乡建设厅关于<危险性较大的分部分项工程安全管理办法 >的实施细则》粤建质[2011]13 号发布;三、施工组织3.1、总体规划专业足球场场内为软基处理用桩基及承台,比赛竞技场地桩基已经施工完成,场内承台在 5.5m 标高结构施工完成后插入施工,场内软基处理承台钢结构吊装全部完毕后对临时入口承台、地梁进行施工,最后封闭两处入口位置的首层梁板。主体育馆及训练馆挡土墙围闭的空间内全部为架空...

1、当您付费下载文档后,您只拥有了使用权限,并不意味着购买了版权,文档只能用于自身使用,不得用于其他商业用途(如 [转卖]进行直接盈利或[编辑后售卖]进行间接盈利)。
2、本站所有内容均由合作方或网友上传,本站不对文档的完整性、权威性及其观点立场正确性做任何保证或承诺!文档内容仅供研究参考,付费前请自行鉴别。
3、如文档内容存在违规,或者侵犯商业秘密、侵犯著作权等,请点击“违规举报”。

碎片内容

外防护架工程施工方案

您可能关注的文档

确认删除?
VIP
微信客服
  • 扫码咨询
会员Q群
  • 会员专属群点击这里加入QQ群
客服邮箱
回到顶部