电脑桌面
添加小米粒文库到电脑桌面
安装后可以在桌面快捷访问

21~237沥青及沥青混合料表格

21~237沥青及沥青混合料表格_第1页
1/46
21~237沥青及沥青混合料表格_第2页
2/46
21~237沥青及沥青混合料表格_第3页
3/46
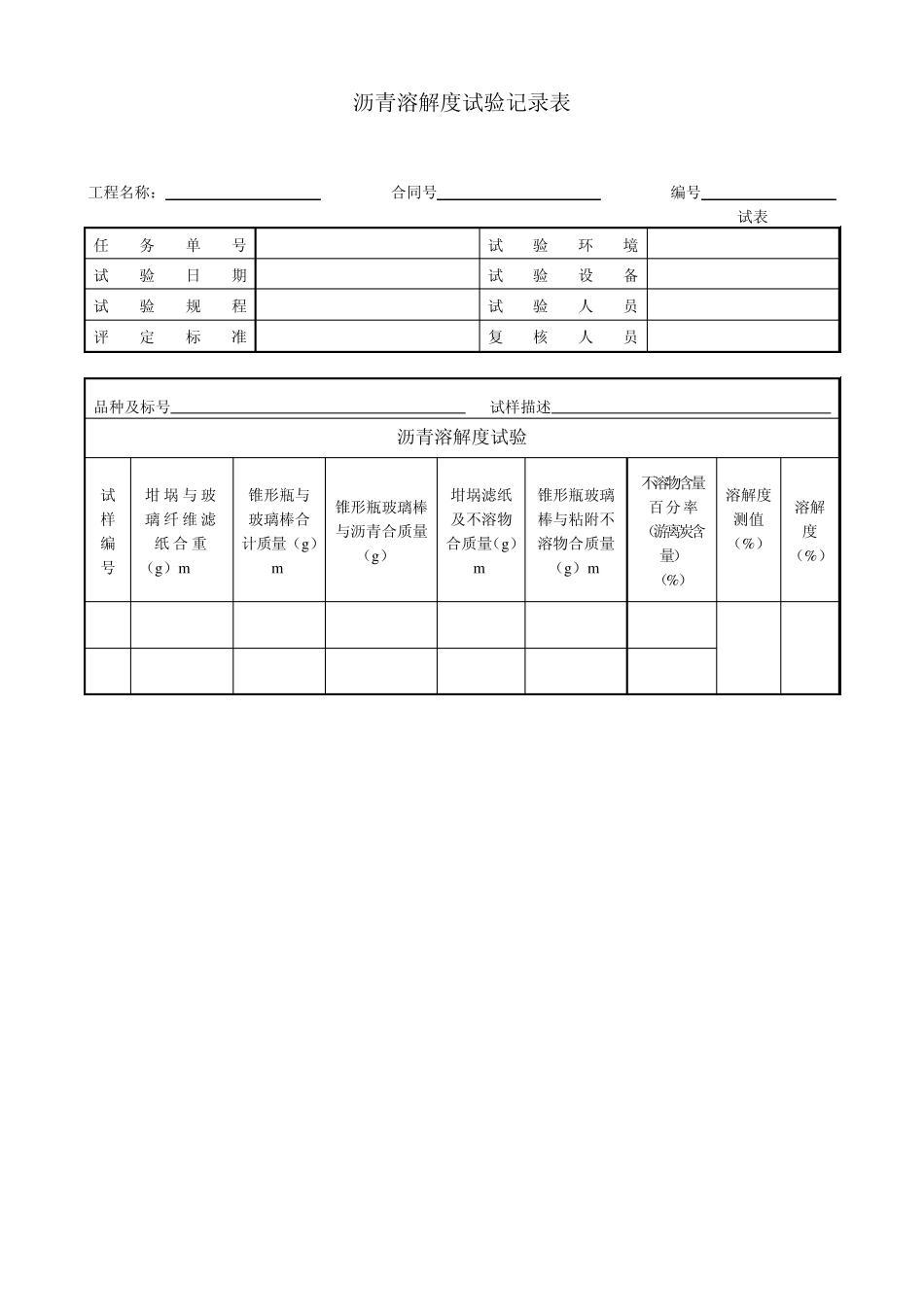
沥青针入度(针入度指数)、延度、软化点试验记录表 工程名称: 合同号 编号 试表2-1 任务单号 试验环境 试验日期 试验设备 试验规程 试验人员 评定标准 复核人员 品种及标号 试样描述 沥青针入度(针入度指数)试验 试样编号 试验温度 (℃) 针入度(0.1mm) 第一次测值 ① 第二次测值 ② 第三次测值 ③ 针入度 PI R 结论: 沥青延度试验 样品编号 试验温度 (℃) 延伸速度 (cm/min) 延 度(cm) 试件 1 测值 试件 2 测值 试件 3 测值 延度 结论: 沥青软化点试验 样品编号 室 内 温 度 (℃) 烧杯内液体名称 烧杯中液体温度上升记录(℃) 软化点测值 ℃ 软化点℃ 开始加热时 一分钟末 二分钟末 三分钟末 四分钟末 五分钟末 六分钟末 七分钟末 八分钟末 九分钟末 十分钟末 十一分钟末 十二分钟末 十三分钟末 十四分钟末 十五分钟末 结论: 沥青溶解度试验记录表 工程名称: 合同号 编号 试表2-2 任务单号 试验环境 试验日期 试验设备 试验规程 试验人员 评定标准 复核人员 品种及标号 试样描述 沥青溶解度试验 试样编号 坩埚与玻璃纤维滤纸合重 (g)m1 锥形瓶与玻璃棒合计质量(g) m2 锥形瓶玻璃棒与沥青合质量 (g)m3 坩埚滤纸及不溶物合质量(g)m4 锥形瓶玻璃棒与粘附不溶物合质量(g)m5 不溶物含量 百 分 率 (游离炭含量) (%) 溶解度测值(%) 溶解度(%) 结论: 沥青密度试验记录表 工程名称: 合同号 编号 试表2-3 任务单号 试验环境 试验日期 试验设备 试验规程 试验人员 评定标准 复核人员 品种及标号 试样描述 沥青密度试验 试验样品 试验温度 (℃) 比重瓶质量m1 (g) 瓶质量+盛满水 合质量 m2 (g) 瓶质量+试样合质量 m3 (g) 瓶、试样和水的合计质量 m4 (g) 沥青密度测值: (g/cm 3) 密度 (g/cm 3) 结论: 沥青薄膜(旋转薄膜)加热试验记录表 工程名称: 合同号 编号 试表2-4 任务单号 试验环境 试验日期 试验设备 试验规程 试验人员 评定标准 复核人员 品种及标号 试样描述 沥青薄膜(旋转薄膜)加热试验 试样编号 盛样皿的质量 m0 (g) 加热前试样、盛样皿质量m1(g) 加热后试样、盛样皿的质量m2 (g) 质量损失测值(%) 质量损失(%) (旋转)薄膜加热前针入度P1 (0.1mm) (旋转)薄膜加热后针入度P2 (0.1mm) 针入度比(%) (旋...

1、当您付费下载文档后,您只拥有了使用权限,并不意味着购买了版权,文档只能用于自身使用,不得用于其他商业用途(如 [转卖]进行直接盈利或[编辑后售卖]进行间接盈利)。
2、本站所有内容均由合作方或网友上传,本站不对文档的完整性、权威性及其观点立场正确性做任何保证或承诺!文档内容仅供研究参考,付费前请自行鉴别。
3、如文档内容存在违规,或者侵犯商业秘密、侵犯著作权等,请点击“违规举报”。

碎片内容

21~237沥青及沥青混合料表格

您可能关注的文档

小辰5+ 关注
实名认证
内容提供者

出售各种资料和文档

相关文档

确认删除?
VIP
微信客服
  • 扫码咨询
会员Q群
  • 会员专属群点击这里加入QQ群
客服邮箱
回到顶部