电脑桌面
添加小米粒文库到电脑桌面
安装后可以在桌面快捷访问

250吨钢包设计

250吨钢包设计_第1页
1/8
250吨钢包设计_第2页
2/8
250吨钢包设计_第3页
3/8
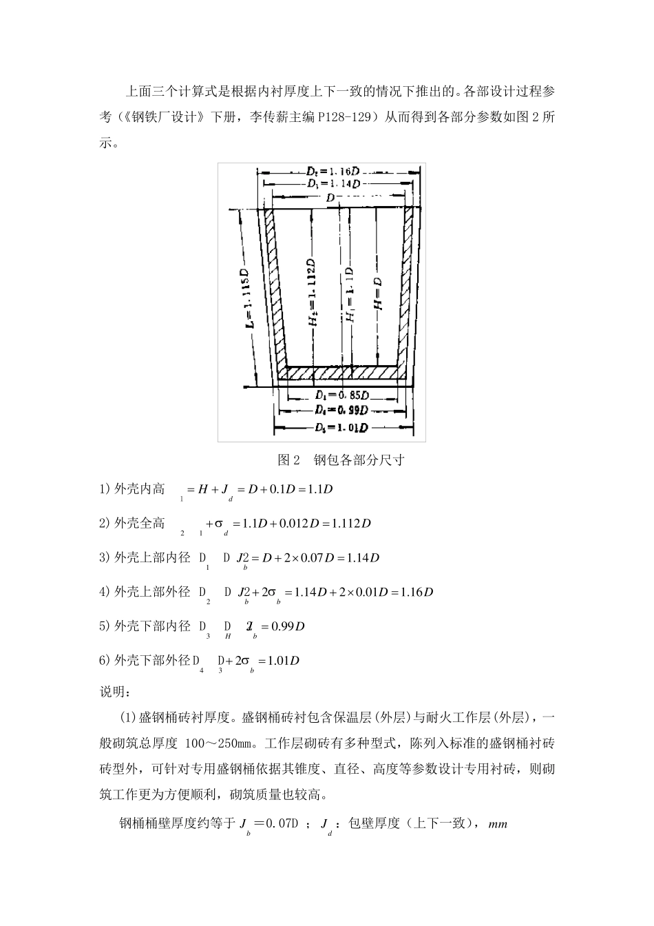
2 5 0 吨 钢 包 设 计 钢 包 是 连 接 炼 钢 和 连 铸 的 中 间 容 器 ,几 乎 所 有 的 钢 水 炉 外 精 炼 过 程 都 必 须 在钢 包 内 完 成 ; 钢 包 工 况 的 好 坏 既 影 响 前 道 炼 钢 工 序 的 钢 水 质 量 、 炉 衬 寿 命 、 生 产节 奏 ; 又 影 响 后 道 精 炼 和 连 铸 工 序 的 钢 水 质 量 、 包 衬 寿 命 和 生 产 节 奏 , 尤 其 影 响最 终 钢 材 产 品 的 内 在 质 量 和 制 造 成 本 。 钢 包 为 炼 钢 生 产 重 要 设 备 之 一 ,炉 外 精 炼 技 术 又 对 钢 包 的 使 用 与 结 构 提 出 了更 新 更 高 的 要 求 。 钢 包 的 工 作 条 件 极 为 苛 刻 。 内 衬 承 受 高 温 钢 水 的 静 压 力 与 出 钢时 的 剧 烈 冲 击 , 经 受 急 剧 的 机 械 冲 刷 、 化 学 侵 蚀 和 温 度 的 激 冷 激 热 作 用 。 随 着 冶炼 工 艺 的 改 进 与 发 展 ,各 种 二次精 炼 (钢 包 精 炼 )技 术 的 应用 对 钢 包 提 出 更 高 的 要求 , 诸如钢 水 的 各 种 (在 包 中 )搅拌, 钢 水 的 各 种 真空处理(精 炼 ), 带有 加热 功能的 二次精 炼 方法, 高 碱度 渣在 钢 包 精 炼 中 的 应用 等等, 使 钢 水 包 内 衬 长时 间 与 激烈 运动中 的 高 温 钢 水 接 触, 相互作 用 , 钢 水 包 的 工 作 条 件 更 加复杂苛 刻 。 为 减少外 表面散热 , 尽量 使 钢 包 外 表面积最 小即接 近于球形, 圆包 状内 形的钢 包 高 宽比(砌砖后 深度 H 和 上口内 径D 之 比)接 近于1, 即DH =1。 为 了 便于在 浇注完 毕时 倾倒出 残余钢 水 和 炉 渣, 和 清理取出 冷 藏的 钢 与 渣块。 通常又 把钢包 内 型做成 上大下小的 (倒锥度 )圆锥台形。 同理, 据上述原则, 锥度 也不宜太大, 一 般取15%即高 度 下降1 m 时 , 直径缩减0.15m 。 作 为 钢 包 内 衬 , 隔热 层使 用 轻质 粘土砖或一 般标准型粘土耐火砖。 工 作 层通常为 粘土质 耐火砖。 为 了 提 高 其 耐用 性(提 高 使 用 寿 命 )...

1、当您付费下载文档后,您只拥有了使用权限,并不意味着购买了版权,文档只能用于自身使用,不得用于其他商业用途(如 [转卖]进行直接盈利或[编辑后售卖]进行间接盈利)。
2、本站所有内容均由合作方或网友上传,本站不对文档的完整性、权威性及其观点立场正确性做任何保证或承诺!文档内容仅供研究参考,付费前请自行鉴别。
3、如文档内容存在违规,或者侵犯商业秘密、侵犯著作权等,请点击“违规举报”。

碎片内容

250吨钢包设计

您可能关注的文档

确认删除?
VIP
微信客服
  • 扫码咨询
会员Q群
  • 会员专属群点击这里加入QQ群
客服邮箱
回到顶部