电脑桌面
添加小米粒文库到电脑桌面
安装后可以在桌面快捷访问

3.特种作业(电工)安全技术实际操作考试标准和实操考试点设备配备标准(分项目)

3.特种作业(电工)安全技术实际操作考试标准和实操考试点设备配备标准(分项目)_第1页
1/63
3.特种作业(电工)安全技术实际操作考试标准和实操考试点设备配备标准(分项目)_第2页
2/63
3.特种作业(电工)安全技术实际操作考试标准和实操考试点设备配备标准(分项目)_第3页
3/63
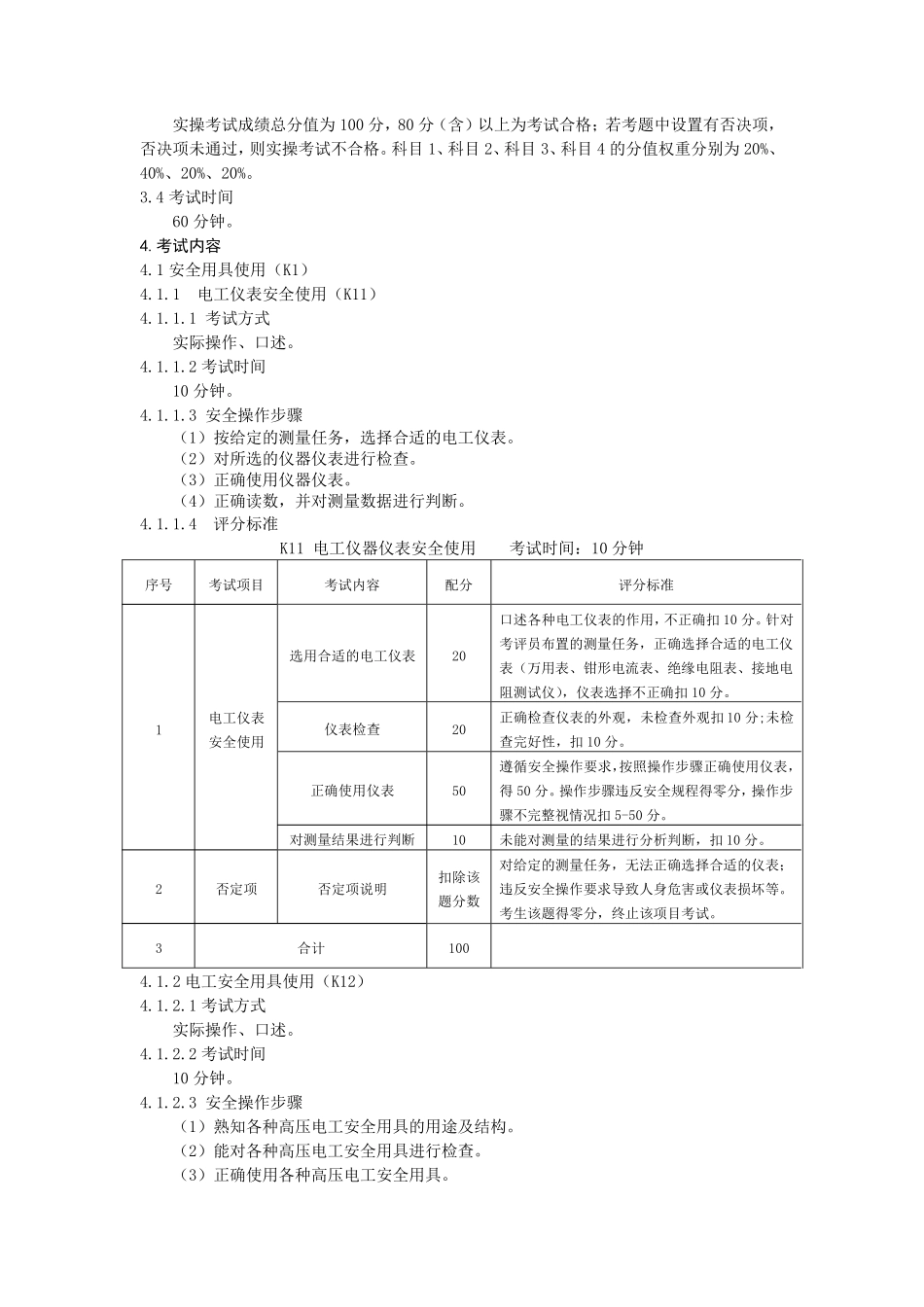
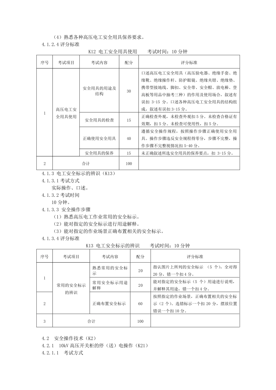
附件3: 特 种 作 业(电工)安全技术实际操作 考试标准和实操考试点设备配备标准 第一部分 考试标准 高压电工作业安全技术实际操作考试标准 1.制定依据 《高压电工作业培训大纲及考核标准》。 2.考试方式 实际操作、仿真模拟操作、口述。 3.考试要求 3.1 实操科目及内容 3.1.1 科目一:安全用具使用(K1) 3.1.1.1 电工仪器仪表安全使用(K11) 3.1.1.2 电工安全用具使用(K12) 3.1.1.3 电工安全标示的辨识(K13) 3.1.2 科目二:安全操作技术(K2) 3.1.2.1 10kV 高压开关柜的停(送)电操作(K21) 3.1.2.2 10kV 高压成套配电装置的巡视检查(K22) 3.1.2.3 10kV 柱上变压器的停(送)电操作(K23) 3.1.2.4 10kV 高压开关柜故障判断及处理(K24) 3.1.2.5 10kV 线路挂设保护接地线(K25) 3.1.2.6 变压器绝缘测量(K26) 3.1.2.7 电力电缆绝缘测试(K27) 3.1.2.8 变压器分接开关调整(K28) 3.1.2.9 导线在绝缘子上绑扎(K29) 3.1.3 科目三:作业现场安全隐患排除(K3) 3.1.3.1 判断作业现场存在的安全风险、职业病危害(K31) 3.1.3.2 结合实际工作任务,排除作业现场存在的安全风险、职业病危害(K32) 3.1.4 科目四:作业现场应急处置(K4) 3.1.4.1 触电事故现场的应急处理(K41) 3.1.4.2 单人徒手心肺复苏操作(K42) 3.1.4.3 灭火器的选择和使用(K43) 3.2 组卷方式 实操试卷从上述四类考题中,各抽取一道实操题组成。具体题目由考试系统或考生抽取产生。 3.3 考试成绩 实操考试成绩总分值为100 分,80 分(含)以上为考试合格;若考题中设置有否决项,否决项未通过,则实操考试不合格。科目1、科目2、科目3、科目4 的分值权重分别为20%、40%、20%、20%。 3.4 考试时间 60 分钟。 4.考试内容 4.1 安全用具使用(K1) 4.1.1 电工仪表安全使用(K11) 4.1.1.1 考试方式 实际操作、口述。 4.1.1.2 考试时间 10 分钟。 4.1.1.3 安全操作步骤 (1)按给定的测量任务,选择合适的电工仪表。 (2)对所选的仪器仪表进行检查。 (3)正确使用仪器仪表。 (4)正确读数,并对测量数据进行判断。 4.1.1.4 评分标准 K11 电工仪器仪表安全使用 考试时间:10 分钟 序号 考试项目 考试内容 配分 评分标准 1 电工仪表安全使用 选用合适的电工仪表 20 口述各种电工仪表的作用,不正确扣 10 分。针对考评员布置的测量任务,正确选...

1、当您付费下载文档后,您只拥有了使用权限,并不意味着购买了版权,文档只能用于自身使用,不得用于其他商业用途(如 [转卖]进行直接盈利或[编辑后售卖]进行间接盈利)。
2、本站所有内容均由合作方或网友上传,本站不对文档的完整性、权威性及其观点立场正确性做任何保证或承诺!文档内容仅供研究参考,付费前请自行鉴别。
3、如文档内容存在违规,或者侵犯商业秘密、侵犯著作权等,请点击“违规举报”。

碎片内容

3.特种作业(电工)安全技术实际操作考试标准和实操考试点设备配备标准(分项目)

小辰9+ 关注
实名认证
内容提供者

出售各种资料和文档

确认删除?
VIP
微信客服
  • 扫码咨询
会员Q群
  • 会员专属群点击这里加入QQ群
客服邮箱
回到顶部