电脑桌面
添加小米粒文库到电脑桌面
安装后可以在桌面快捷访问

3000吨每天污水处理工程设计计算说明书

3000吨每天污水处理工程设计计算说明书_第1页
1/17
3000吨每天污水处理工程设计计算说明书_第2页
2/17
3000吨每天污水处理工程设计计算说明书_第3页
3/17
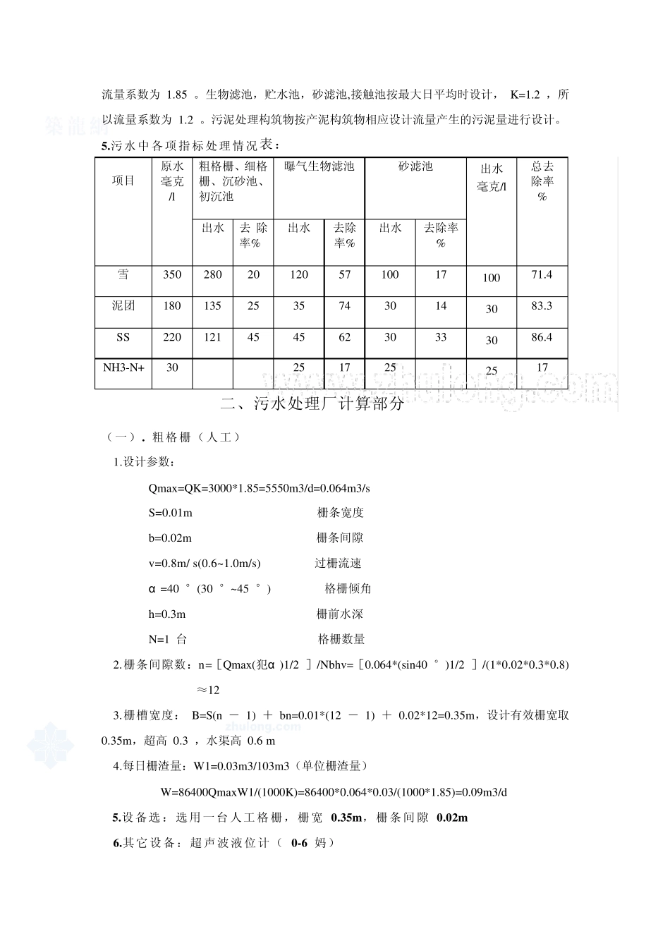
XX 污水处理工程设计计算说明书 一、说明部分 1.污水处理规模 2. 污水处理厂设计规模为 3000m 3/d ,考虑规划预留地用于将来扩建。 处理程度 2.1 进水水质 COD=350m g/L , BOD=180m g/L , SS=220m g/L,NH3-N+=30m g/L 2.2 出水水质 欺骗≤ 100m g/L ,泥团≤ 30m g/L , SS ≤ 30m g/L , NH3-N+≤ 25m g/L 3.处理工艺 污水处理工艺:曝气生物滤池工艺(粗格栅、提升泵房、细格栅、沉砂池、初沉池、生物滤池、贮水池、砂滤池、接触池)。 污泥处理工艺:机械浓缩、机械脱水。 4.污水处理构筑物设计流量表: 项目 设计规模(m 3/d) 流量系数 设计流量(m 3/d) 校核流量(m 3/d) 粗格栅 3000 1.85 3000 5550 提升泵房 3000 1.85 3000 5550 细格栅 3000 1.85 3000 5550 沉砂池 3000 1.85 3000 5550 初沉池 3000 1.85 3000 5550 生物滤池 3000 1.2 3000 3600 贮水池 3000 1.2 3000 3600 砂滤池 3000 1.2 3000 3600 接触池 3000 1.2 3000 3600 说明:粗格栅,提升泵房,细格栅,沉砂池,初沉池按最大日最大时设计, K=1.85 ,所以流量系数为 1.85 。生物滤池,贮水池,砂滤池,接触池按最大日平均时设计, K=1.2 ,所以流量系数为 1.2 。污泥处理构筑物按产泥构筑物相应设计流量产生的污泥量进行设计。 5.污水中各项指标处理情况表: 项目 原水 毫克/l 粗格栅、细格栅、沉砂池、初沉池 曝气生物滤池 砂滤池 出水 毫克/l 总去 除率 % 出水 去除率% 出水 去除率% 出水 去除率% 雪 350 280 20 120 57 100 17 100 71.4 泥团 180 135 25 35 74 30 14 30 83.3 SS 220 121 45 45 62 30 33 30 86.4 NH3-N+ 30 25 17 25 25 17 二、污水处理厂计算部分 (一). 粗格栅(人工) 1.设计参数: Qmax=QK=3000*1.85=5550m3/d=0.064m3/s S=0.01m 栅条宽度 b=0.02m 栅条间隙 v=0.8m/ s(0.6~1.0m/s) 过栅流速 α =40 °(30 °~45 °) 格栅倾角 h=0.3m 栅前水深 N=1 台 格栅数量 2.栅条间隙数:n=[Qmax(犯α )1/2 ]/Nbhv=[0.064*(sin40 °)1/2 ]/(1*0.02*0.3*0.8)≈12 3.栅槽宽度: B=S(n - 1) + bn=0.01*(12 - 1) + 0.02*12=0.35m,设计有效栅宽取 0.35m,超高 0.3 ,水渠高 0.6 m 4.每日栅渣量:W1=0.03m3/103m3(单位栅渣量) W=86400QmaxW1/(1000...

1、当您付费下载文档后,您只拥有了使用权限,并不意味着购买了版权,文档只能用于自身使用,不得用于其他商业用途(如 [转卖]进行直接盈利或[编辑后售卖]进行间接盈利)。
2、本站所有内容均由合作方或网友上传,本站不对文档的完整性、权威性及其观点立场正确性做任何保证或承诺!文档内容仅供研究参考,付费前请自行鉴别。
3、如文档内容存在违规,或者侵犯商业秘密、侵犯著作权等,请点击“违规举报”。

碎片内容

3000吨每天污水处理工程设计计算说明书

您可能关注的文档

确认删除?
VIP
微信客服
  • 扫码咨询
会员Q群
  • 会员专属群点击这里加入QQ群
客服邮箱
回到顶部