电脑桌面
添加小米粒文库到电脑桌面
安装后可以在桌面快捷访问

330kv变电所说明书

330kv变电所说明书_第1页
1/27
330kv变电所说明书_第2页
2/27
330kv变电所说明书_第3页
3/27
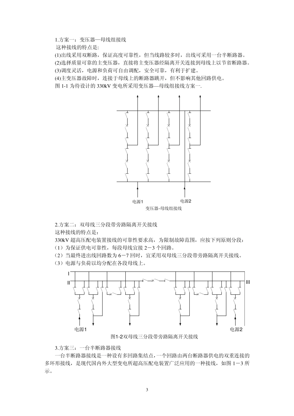
1 目 录 前 言………………………………………………………………………………1 第一章 电气主接线的设计 ………………………………………………………3 第二章 变电所所接线和变压器选择………………………………………………9 第三章 短路电流计算………………………………………………………………10 第四章 电气设备和导线的选择……………………………………………………11 第五章 仪表及继电保护规划………………………………………………………16 第六章 变电所防雷保护设计………………………………………………………18 第七章 变电所配电装置……………………………………………………………24 2 参考文献………………………………………………………………………………25 附图:变电所电气主接线图 330kV 间隔断面图 毕业设计计算书 第一章 电气主接线的设计 我国330~500KV 超高压配电装置采用的接线有:双母线分段、带旁路母线(或带旁路隔离开关)接线、一台半断路器接线、变压器母线接线和3~5 角形接线。 一 、 330KV 侧的接线选择 330KV 超高压配电装置,连接着大容量的发电厂、变电所和超高压输电线路,要求供电可靠、调度灵活,同时应满足运行检修方便,投资及占地较小等。首先要满足可靠性准则的要求,设计主接线时应从以下方面考虑: (1)在保证安全可靠、运行灵活方面,即使不进行可靠性定量分析,也会想到运用双重连接这一基本准则。即每一个回路应以多于一台短路器的可能与母线或相邻元件连接。简单的单一连接不能用。 (2)为避免变电所全停或半全停事故的发生,普通的双母线带旁路的接线不能用。 (3)为维持系统的稳定性,易将故障的停电范围限制到最小,最好是一回线故障只停该回线,这就要求将母线分割,变成若干小段母线,显然要增加短路器的数量。 (4)对于超高压配电装置,主接线尚应适当考虑满足符合故障的能力,即一台设备检修,其他元件故障,停电范围不应超过全部元件的一半。 (5)断路器是超高压配电装置中比较昂贵的设备,从节省投资考虑,应合理配置使用。 综合以上因素,对于2 回出线2 台主变压器共4 个元件的配置,有以下3 种接线方案可供选择。 3 1.方案一:变压器—母线组接线 这种接线的特点是: (1)出线采用双断路,保证高度可靠性,但当线路较多时,出线可采用一台半断路器。 (2)选择质量可靠的主变压器,直接将主变压器经隔离开关连接到母线上以节省断路...

1、当您付费下载文档后,您只拥有了使用权限,并不意味着购买了版权,文档只能用于自身使用,不得用于其他商业用途(如 [转卖]进行直接盈利或[编辑后售卖]进行间接盈利)。
2、本站所有内容均由合作方或网友上传,本站不对文档的完整性、权威性及其观点立场正确性做任何保证或承诺!文档内容仅供研究参考,付费前请自行鉴别。
3、如文档内容存在违规,或者侵犯商业秘密、侵犯著作权等,请点击“违规举报”。

碎片内容

330kv变电所说明书

确认删除?
VIP
微信客服
  • 扫码咨询
会员Q群
  • 会员专属群点击这里加入QQ群
客服邮箱
回到顶部