电脑桌面
添加小米粒文库到电脑桌面
安装后可以在桌面快捷访问

3、4、12、3图纸会审记录

3、4、12、3图纸会审记录_第1页
1/20
3、4、12、3图纸会审记录_第2页
2/20
3、4、12、3图纸会审记录_第3页
3/20
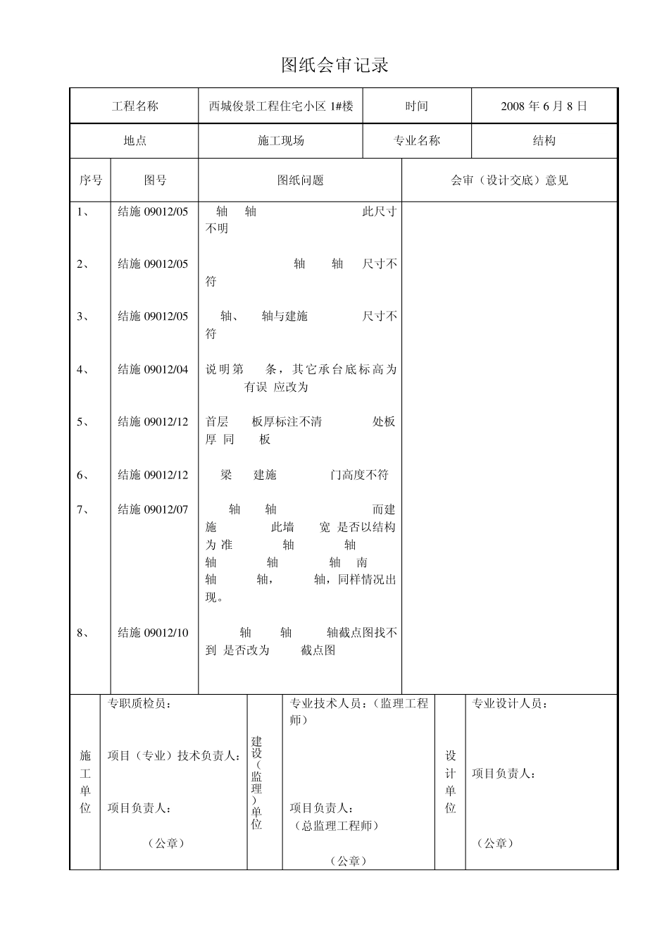
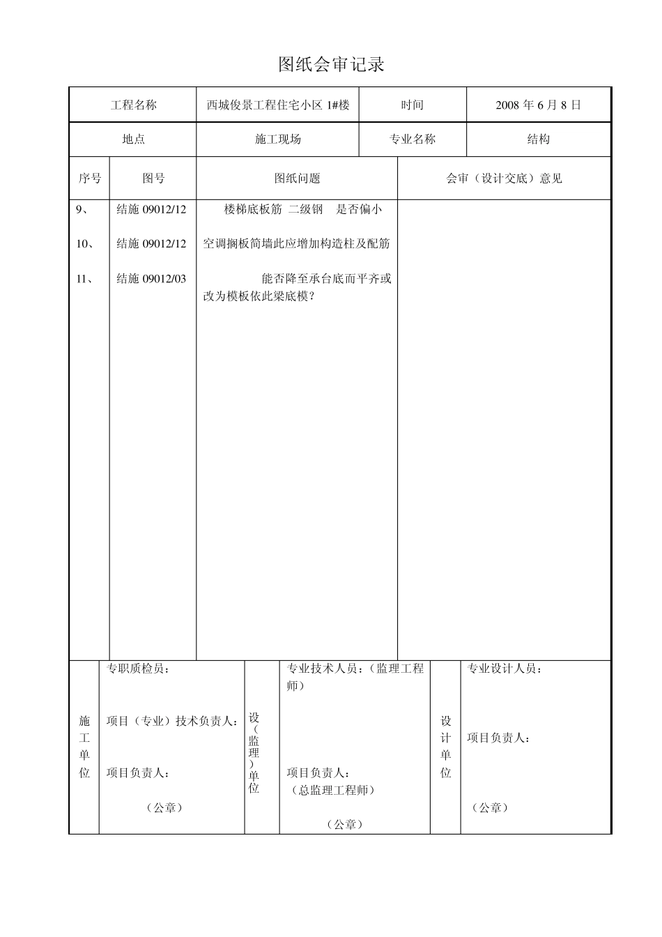
图纸会审记录 工程名称 西城俊景工程住宅小区1#楼 时间 2008 年6 月8 日 地点 施工现场 专业名称 建筑 序号 图号 图纸问题 会审(设计交底)意见 1、 2、 3、 4、 5、 6、 7、 建施09012/04 建施09012/04 建施09012/04 建施09012/04 建施09012/11 建施09012/11 建施09012/07 U 轴、4 轴、1/13 轴、1/20 轴、1/29轴、1/36 轴构造柱断面请增大,因封闭阳台 10 公分砖垛不够稳固。 A 轴:空调搁板、10CM 墙垛请增加构造柱。 空调搁板、门朵 10CM,能否往出口再增加 10CM 7 轴、11 轴、23 轴、27 轴、4 轴、E轴/M 轴建施图中 30CM 墙,结构梁宽20CM,此墙不否必要 30CM 宽?墙下板内是否增加加强筋? 楼梯入口处 C3M 内采用 1:10 放坡,是否坡度偏大? 电梯门下是否采用牛腿? C12 12a窗结构净空高度 1.18M,固此窗没在屋面女儿墙内,有否必要没窗?结构 09012/09 3-3 剖面此窗净高 1.18M,如没此窗高度不符,屋面还需做保温防水厚度? 施工单位 专职质检员: 项目(专业)技术负责人: 项目负责人: (公章) 建设(监理)单位 专业技术人员:(监理工程师) 项目负责人: (总监理工程师) (公章) 设计单位 专业设计人员: 项目负责人: (公章) 图纸会审记录 工程名称 西城俊景工程住宅小区1 #楼 时间 2 0 0 8 年6 月8 日 地点 施工现场 专业名称 结构 序号 图号 图纸问题 会审(设计交底)意见 1 、 2 、 3 、 4 、 5 、 6 、 7 、 8 、 结施0 9 0 1 2 /0 5 结施0 9 0 1 2 /0 5 结施0 9 0 1 2 /0 5 结施0 9 0 1 2 /0 4 结施0 9 0 1 2 /1 2 结施0 9 0 1 2 /1 2 结施0 9 0 1 2 /0 7 结施0 9 0 1 2 /1 0 5轴/D轴 GT221-Q1-GHZ1 Q1此尺寸不明 GAZ1-Q1 GAZ1 34轴 1/M轴 Q1尺寸不符 36轴、D/T轴与建施09012/03尺寸不符 说明第 4条,其它承台底标高为-24.7M有误?应改为-2.1M 首层 TB2板厚标注不清?Q-T2.15处板厚,同 TB2板? L2梁 5建施09012/11门高度不符 2/4轴 Q轴 L13(1A)150*800,而建施09012/04此墙 200宽,是否以结构为 准 ?14/16轴 ,18-20轴 ,30-32轴 ,35-36轴 ,45-46轴 ,南1-3轴,15-19轴,31-33轴,同样情况出现。 45-47轴,B/A轴,3/12轴截点图找不到?是否改为 3/09截点图? 施工单位 专职质检员: 项目(专业)技术负责人: 项...

1、当您付费下载文档后,您只拥有了使用权限,并不意味着购买了版权,文档只能用于自身使用,不得用于其他商业用途(如 [转卖]进行直接盈利或[编辑后售卖]进行间接盈利)。
2、本站所有内容均由合作方或网友上传,本站不对文档的完整性、权威性及其观点立场正确性做任何保证或承诺!文档内容仅供研究参考,付费前请自行鉴别。
3、如文档内容存在违规,或者侵犯商业秘密、侵犯著作权等,请点击“违规举报”。

碎片内容

3、4、12、3图纸会审记录

确认删除?
VIP
微信客服
  • 扫码咨询
会员Q群
  • 会员专属群点击这里加入QQ群
客服邮箱
回到顶部