电脑桌面
添加小米粒文库到电脑桌面
安装后可以在桌面快捷访问

74HC00中文资料(真值表,引脚图,电气参数及应用电路)

74HC00中文资料(真值表,引脚图,电气参数及应用电路)_第1页
1/7
74HC00中文资料(真值表,引脚图,电气参数及应用电路)_第2页
2/7
74HC00中文资料(真值表,引脚图,电气参数及应用电路)_第3页
3/7
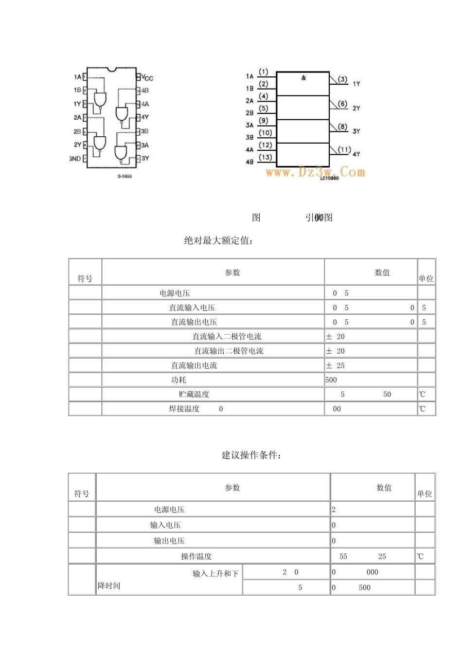
与非门 74HC00中文资料(真值表,引脚图,电气参数及应用电路) 74HC00功能:2输入端四与非门 TRUTH TABLE真值表: A B Y L L H L H H H L H H H L 74HC00引脚图及引脚功能表: 管脚位 SYMBOL 符号 NAME AND FUNCTION名称及功能 1, 4, 9, 12 1A to 4A Data Inputs数据输入 2, 5, 10, 13 1B to 4B Data Inputs数据输入 3, 6, 8, 11 1Y to 4Y Data Outputs数据输出 7 GND Ground接地(0V) 14 VCC Positive Supply Voltage电源电压 图1 74HC00 引脚图 ABSOLUTE MAXIMUM RATINGS绝对最大额定值: SYMBOL 符号 Parameter 参数 Value 数值 Unit 单位 VCC Supply Voltage电源电压 -0.5 to +7 V VI DC Input Voltage 直流输入电压 -0.5 to VCC + 0.5 V VO DC Output Voltage直流输出电压 -0.5 to VCC + 0.5 V IIK DC Input Diode Current 直流输入二极管电流 ± 20 mA IOK DC Output Diode Current直流输出二极管电流 ± 20 mA IO DC Output Current直流输出电流 ± 25 mA PD Power Dissipation功耗 500(*) mW Tstg Storage Temperature贮藏温度 -65 to +150 ℃ TL Lead Temperature 焊接温度 (10 sec) 300 ℃ RECOMMENDED OPERATING CONDITIONS建议操作条件: SYMBOL 符号 Parameter 参数 Value 数值 Unit 单位 VCC Supply Voltage电源电压 2 to 6 V VI Input Voltage输入电压 0 to VCC V VO Output Voltage输出电压 0 to VCC V Top Operating Temperature操作温度 -55 to 125 ℃ tr,tf Input Rise and Fall Time输入上升和下降时间 VCC = 2.0V 0 to 1000 ns VCC = 4.5V 0 to 500 ns VCC = 6.0V 0 to 400 ns DC SPECIFICATIONS直流电气规格 SYMBOL 符号 Parameter 参数 Test Condition 测试条件 Value 数值 Unit 单位 VCC - TA=25℃ -40to85℃ -55to125℃ (V) 最小 典型 最大 最小 最大 最小 最大 VIH High Level Input- Voltage输入高电平电压 2.0 - 1.5 - - 1.5 - 1.5 - V 4.5 3.15 - - 3.15 - 3.15 - 6.0 4.2 - - 4.2 - 4.2 - VIL Low Level Input- Voltage输入低电平电压 2.0 - - - 0.5 - 0.5 - 0.5 - 4.5 - - 1.35 - 1.35 - 1.35 V 6.0 -...

1、当您付费下载文档后,您只拥有了使用权限,并不意味着购买了版权,文档只能用于自身使用,不得用于其他商业用途(如 [转卖]进行直接盈利或[编辑后售卖]进行间接盈利)。
2、本站所有内容均由合作方或网友上传,本站不对文档的完整性、权威性及其观点立场正确性做任何保证或承诺!文档内容仅供研究参考,付费前请自行鉴别。
3、如文档内容存在违规,或者侵犯商业秘密、侵犯著作权等,请点击“违规举报”。

碎片内容

74HC00中文资料(真值表,引脚图,电气参数及应用电路)

您可能关注的文档

确认删除?
VIP
微信客服
  • 扫码咨询
会员Q群
  • 会员专属群点击这里加入QQ群
客服邮箱
回到顶部