电脑桌面
添加小米粒文库到电脑桌面
安装后可以在桌面快捷访问

75吨锅炉技术改造方案

75吨锅炉技术改造方案_第1页
1/8
75吨锅炉技术改造方案_第2页
2/8
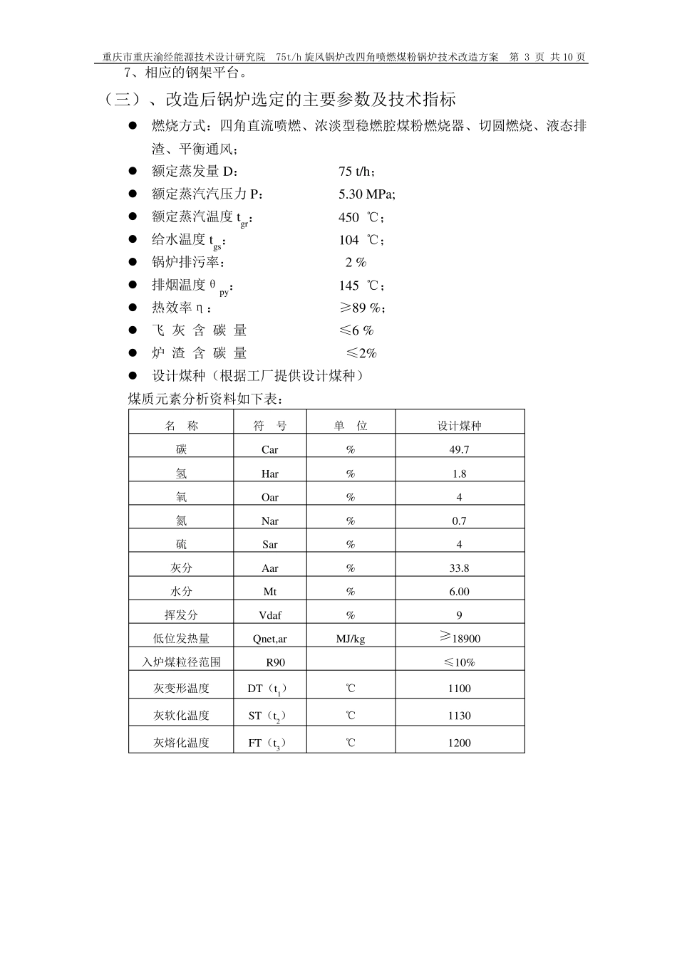
75吨锅炉技术改造方案_第3页
3/8
宜宾天原热电厂 WG75/5.30 旋风锅炉 改四角喷燃煤粉液态排渣锅炉工程 技 术 改 造 方 案 重庆市节能技术服务中心 重庆渝经能源技术设计研究院 二○一一年四月 重 庆 市 重 庆 渝 经 能 源 技 术 设 计 研 究 院 75t/h 旋 风 锅 炉 改 四 角 喷 燃 煤 粉 锅 炉 技 术 改 造 方 案 第 2 页 共 10 页 一 概 述 宜 宾 天 原 热 电 厂 WG75/5.3 旋 风 锅 炉 为 武 汉 锅 炉 厂 的 早 期 旋 风 锅 炉 , 液 态 排 渣 、平 衡 通 风 、 全 钢 构 架 支 吊 结 构 次 高 压 自 然 循 环 煤 粉 锅 炉 , 于1992 年 生 产 , 1993 年建 成 投 运 。 锅 炉 目 前 运 行 状 况 为 : 燃 烧 不 稳 定 , 下 部 结 焦 严 重 , 析 铁 严 重 , 炉 膛 水冷 壁 爆 管 严 重 , 炉 膛 密 封 性 能 差 。 为 解 决 上 述 问 题 , 拟 在 今 年 大 修 期 间 对 其 进 行 技术 改 造 : 将 旋 风 液 态 排 渣 改 为 四 角 喷 燃 液 态 排 渣 , 通 过 详 实 的 热 力 计 算 , 达 到 确 保锅 炉 负荷、 降低飞灰和底渣 含碳量, 降低漏风 系数以提高 锅 炉 热 效率及运 行 稳 定 的目 的 。 重 庆 渝 经 能 源 技 术 设 计 研 究 院 根据企业目 前 锅 炉 存在 的 问 题 和现场实 际情况 ,于 2011 年 2 月28 日派专家到 现场进 行 收资和实 地诊断后,提出对 锅 炉 进 行 改 造 的 、先进 的 、成 熟可靠的 技 术 方 案 ,改 造 后的 锅 炉 :设 计 蒸发量75t/h,确 保蒸发量75t/h,蒸汽压 力 5.30MPa, 蒸汽温度450℃, 底渣 含碳量≤3%, 飞灰含碳量≤8%, 排 烟温度≤150±5℃。 二、 技 术 方 案 介绍: 根据锅 炉 目 前 现状 ,结 合甲方 目 前 需要大 修 的 内容,提出如下 的 改 造 大 修 方 案 :(一 )甲方 本次 需要大 修 的 内容如下 : 1 、 更换所有的 水 冷 壁 管 子, 包括下 降管 。 2 、 后下 级空气预热 器更换。 3 、 过 热 器省煤 器不 动。 4 、 顶棚更换。 5 、 相应炉 墙及保温。 (二)改 造 及大 修 方 案 1、 水 冷 壁 更换为 膜式...

1、当您付费下载文档后,您只拥有了使用权限,并不意味着购买了版权,文档只能用于自身使用,不得用于其他商业用途(如 [转卖]进行直接盈利或[编辑后售卖]进行间接盈利)。
2、本站所有内容均由合作方或网友上传,本站不对文档的完整性、权威性及其观点立场正确性做任何保证或承诺!文档内容仅供研究参考,付费前请自行鉴别。
3、如文档内容存在违规,或者侵犯商业秘密、侵犯著作权等,请点击“违规举报”。

碎片内容

75吨锅炉技术改造方案

您可能关注的文档

确认删除?
VIP
微信客服
  • 扫码咨询
会员Q群
  • 会员专属群点击这里加入QQ群
客服邮箱
回到顶部