电脑桌面
添加小米粒文库到电脑桌面
安装后可以在桌面快捷访问

安全仪表及自控检查表

安全仪表及自控检查表_第1页
1/19
安全仪表及自控检查表_第2页
2/19
安全仪表及自控检查表_第3页
3/19
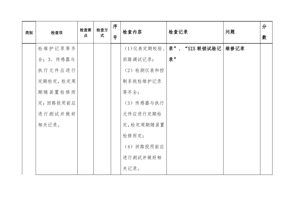
量化评估安全仪表及自控检查表类别检查项检查要点检查方式序检查内容号查看“仪表值班交接班制度”、“仪表班组岗位责1.查看企业是否建任制”、“仪表技术安全立了健全的仪表检操作规程”、“仪表巡回查、维护、使用、检 检查制度”、“仪表设备联锁管理制度1定等管理制度,各类 维护保养制度”;“仪表未审批发布仪表相应的管理台点检记录”账(查看台账与现场 、“监视和测量设备维护检查记录问题分数企业应建立、健全 5.1.1 查 管仪表管理制度和 仪 表 理 制台帐。包括检查、 制 度 度 和仪维护、使用、检定 台账台账表等制度及各类仪安表台账。全管理的符合性);记录”、“班组隐患排查治理台账”、“班组安全、消防周活动记录”、“班类别检查项检查要点检查方式序检查内容号组交接班记录”;“仪表设备各区清单”、“设备设施、自动化控制系统的维护、保养、检测管理设备”、“隐患排查治理制度”检查记录问题分数仪表调试、维护及 5.1.2 查 记检测记录齐全,主 仪 表 录、检 2要包括: 1.仪表维 护 定 证定期校验、回路调 检测书试记录: 2.检测仪表和控制系统31.查看记录,是否有仪表巡检记录,记录 查看“仪表点检记录”是否完整;未按公司隐患排查规定,每天 2两次专业检查2.仪表调试、维护及 查看“仪表回路调试记仪表定期校验、检测记录应齐全,主 录”、“监控设备检验记 调试记录不全, 1要包括:录”、“仪表回路调试记 无控制系统检类别检查项检查要点检查方式序检查内容号(1)仪表定期校验、 录”、“SIS 联锁试验记 维修记录回路调试记录;(2)检测仪表和控制系统检维护记录等齐全;(3)传感器与执行元件应进行定期检定,检定周期随装置检修而定;(4)回路投用前应进行测试并做好相关记录。录”检查记录问题分数检维护记录等齐全;3.传感器与执行元件应进行定期检定,检定周期随装置检修而定;回路投用前应进行测试并做好相关记录。类别检查项检查要点检查方式序检查内容号1.查看变更审批单,控制方案变更是否查看变更审批单,控制方办理审批手续,是否案审批手续开展了变更风险分析;2.查看控制系统组态修改是否有完整查看 控制系统组态修改5的记录(包括系统故记录障处理、检修也应有完整的记录);3.查看应急预案,控6制系统是否建立了控制系统故障应急预案统故障应急预无 DCS 控制系无系统组态修改、故障处理、检修记录。无变更单检查记录问题分数控制系统管理满 5.1.3 ...

1、当您付费下载文档后,您只拥有了使用权限,并不意味着购买了版权,文档只能用于自身使用,不得用于其他商业用途(如 [转卖]进行直接盈利或[编辑后售卖]进行间接盈利)。
2、本站所有内容均由合作方或网友上传,本站不对文档的完整性、权威性及其观点立场正确性做任何保证或承诺!文档内容仅供研究参考,付费前请自行鉴别。
3、如文档内容存在违规,或者侵犯商业秘密、侵犯著作权等,请点击“违规举报”。

碎片内容

安全仪表及自控检查表

您可能关注的文档

确认删除?
VIP
微信客服
  • 扫码咨询
会员Q群
  • 会员专属群点击这里加入QQ群
客服邮箱
回到顶部