电脑桌面
添加小米粒文库到电脑桌面
安装后可以在桌面快捷访问

完整版格宾石笼挡墙施工方案

完整版格宾石笼挡墙施工方案_第1页
1/8
完整版格宾石笼挡墙施工方案_第2页
2/8
完整版格宾石笼挡墙施工方案_第3页
3/8
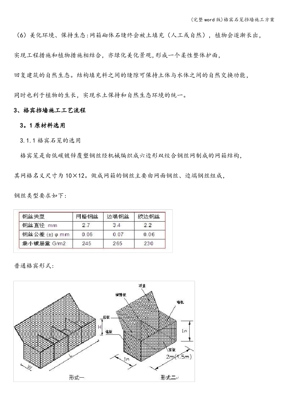
(完整 word 版)格宾石笼挡墙施工方案格宾石笼挡墙施工方案1、前言在河道整治工程中,干砌石或混凝土预制块等传统的河道护岸或护坡,由于不透水,阻断了河道内自然生态系统的循环,不宜适应生态治河的理念。由双绞六边形金属网内填充块石或卵石的格宾石笼挡墙具有抗冲刷能力强、自透水性、整体性强、抗风浪性强等特点,并因其属易于生物栖息的多孔隙结构,随着钢丝防腐技术的日新月异,格宾石笼在生态河道建设应用越来越广泛.2、格宾挡墙特点(1)适应性强:生态格网工艺以钢丝网箱为主体,为一柔性结构,能适应各种土层性质并与之较好的结合,能很好的适应地基变形,不会削弱整体结构,更不易断裂破坏.(2)透水能力强:生态格网工艺可使地下水以及渗透水及时的从结构填石缝隙中渗透出去,能有效解决孔隙水压力的影响,利于岸(堤、路、山)坡的稳定。(3)结构整体性强:生态格网网片是由机械编织成双绞、蜂巢形孔网格,即使一、两条丝断裂,网状物也不会松开。有其它材料不能代替的延展性,大面(体)积组装,不设缝,整体性强。(4)施工方便易组合:可根据设计意图,工厂内制成半成品,施工现场能组装成各种形状。(5)耐久性好:生态格网网丝经双重防腐处理,抗氧化作用强,抗腐耐磨,抗老化,使用年限长。(完整 word 版)格宾石笼挡墙施工方案(6)美化环境、保持生态:网箱砌体石缝终会被土填充(人工或自然),植物会逐渐长出,实现工程措施和植物措施相结合,亦绿化美化景观,形成一个柔性整体护面,回复建筑的自然生态。结构填充料之间的缝隙可保持土体与水体之间的自然交换功能,同时也利于植物的生长,实现水土保持和自然生态环境的统一。3、格宾挡墙施工工艺流程3。1 原材料选用3.1.1 格宾石笼的选用格宾笼是由低碳镀锌覆塑钢丝经机械编织成六边形双绞合钢丝网制成的网箱结构,其网格名义尺寸为 10×12。做成网箱的钢丝主要由网面钢丝、边端钢丝组成,钢丝类型要求如下:普通格宾形式:(完整 word 版)格宾石笼挡墙施工方案格宾石笼原材料标准要求:钢丝为重镀锌覆塑,镀锌量不小于 245g/m2,覆塑厚度不小于 0.5mm;钢丝的抗拉强度应在 350~500Mpa 之间,延伸率不能低于 10%;镀锌层的粘附力:当钢丝绕具有 4 倍钢丝直径的心轴 6 周时,用手指摩擦钢丝,其不会剥落或开裂;覆塑指标:灰色、比重 1。35~1。4Kg/dm3、硬度 90~100(邵氏硬度 A 型);抗拉强度不低于 20.6Mpa;断裂延伸率不低于 200%、重量损失:温度 105℃,24 小时...

1、当您付费下载文档后,您只拥有了使用权限,并不意味着购买了版权,文档只能用于自身使用,不得用于其他商业用途(如 [转卖]进行直接盈利或[编辑后售卖]进行间接盈利)。
2、本站所有内容均由合作方或网友上传,本站不对文档的完整性、权威性及其观点立场正确性做任何保证或承诺!文档内容仅供研究参考,付费前请自行鉴别。
3、如文档内容存在违规,或者侵犯商业秘密、侵犯著作权等,请点击“违规举报”。

碎片内容

完整版格宾石笼挡墙施工方案

您可能关注的文档

确认删除?
VIP
微信客服
  • 扫码咨询
会员Q群
  • 会员专属群点击这里加入QQ群
客服邮箱
回到顶部